Strona 3 - Spis treści
Spis treści CUBE X | Instrukcja obsługi | CUBE X PST 1720 PST 2220 APL Rev06 | 02/09/2022 | © Producent iii Zgodność 5 Symbole i komunikaty 6 Wprowadzenie 9 Informacje o tym podręczniku 9 Ograniczenia w zastosowaniu 10 Informacje dotyczące bezpieczeństwa 11 Ostrzeżenia dotyczące bezpieczeństwa 11 Od...
Strona 4 - Diagnostyka
iv CUBE X | Instrukcja obsługi | CUBE X PST 1720 PST 2220 APL Rev06 | 02/09/2022 | © Producent Konserwacja po upływie 800 cykli 85 Konserwacja po upływie 4000 cykli lub co pięć lat 87 Konserwacja niestandardowa 88 Utylizacja 89 Diagnostyka 90 Błędy 90 Rozwiązywanie problemów 95 Awaryjne otwieranie d...
Strona 5 - Zgodność; Uwaga
Zgodność CUBE X | Instrukcja obsługi | CUBE X PST 1720 PST 2220 APL Rev06 | 02/09/2022 | © Producent 5 ZGODNOŚĆ Z PRZEPISAMI, NORMAMI I DYREKTYWAMIEUROPEJSKIMI Sterylizator jest zgodny z następującymi przepisami, dyrektywami inormami: Normy idyrektywy Opis Przepis dotyczący wyrobów medycznych (MDR)....
Strona 6 - Symbole i komunikaty; SYMBOLE PRZEDSTAWIONE NA PRODUKCIE
6 CUBE X | Instrukcja obsługi | CUBE X PST 1720 PST 2220 APL Rev06 | 02/09/2022 | © Producent Symbole i komunikaty SYMBOLE DOTYCZĄCE BEZPIECZEŃSTWA STOSOWANE W NINIEJSZYM PODRĘCZNIKU OSTRZEŻENIE: Oznacza sytuację zagrożenia, która w przypadkuzaistnienia może spowodować śmierć lub poważne obrażenia. ...
Strona 7 - KOMUNIKATY DOTYCZĄCE SZKÓD MAJĄTKOWYCH; Ważne
CUBE X | Instrukcja obsługi | CUBE X PST 1720 PST 2220 APL Rev06 | 02/09/2022 | © Producent 7 KOMUNIKATY DOTYCZĄCE SZKÓD MAJĄTKOWYCH Ważne : Wskazuje na informacje uznane za istotne, ale niedotyczące powiązanych zagrożeń. Zazwyczaj ich celem jest uniknięcie uszkodzenia produktu.
Strona 9 - Wprowadzenie; SPIS TREŚCI; Informacje o tym podręczniku; WPROWADZENIE
Wprowadzenie CUBE X | Instrukcja obsługi | CUBE X PST 1720 PST 2220 APL Rev06 | 02/09/2022 | © Producent 9 SPIS TREŚCI W tej części opisano następujące tematy: Informacje o tym podręczniku 9 Ograniczenia w zastosowaniu 10 Informacje o tym podręczniku WPROWADZENIE Niniejszy podręcznik zawiera Instruk...
Strona 10 - INFORMACJA NA TEMAT PRAW AUTORSKICH; Copyright ©, Producent; Ograniczenia w zastosowaniu; PRZEZNACZENIE
10 CUBE X | Instrukcja obsługi | CUBE X PST 1720 PST 2220 APL Rev06 | 02/09/2022 | © Producent Wprowa dzenie INFORMACJA NA TEMAT PRAW AUTORSKICH Copyright ©, Producent Wszelkie prawa zastrzeżone we wszystkich krajach. Wszelkie rysunki, obrazy i tekst zawarte w tym podręcznikustanowią własność produc...
Strona 11 - Informacje dotyczące bezpieczeństwa; W tej części opisano następujące tematy:; Ostrzeżenia dotyczące bezpieczeństwa; ZAGROŻENIA TERMICZNE
Informacje dotyczące bezpieczeństwa CUBE X | Instrukcja obsługi | CUBE X PST 1720 PST 2220 APL Rev06 | 02/09/2022 | © Producent 11 SPIS TREŚCI W tej części opisano następujące tematy: Ostrzeżenia dotyczące bezpieczeństwa 11 Odpowiedzialność 12 Ostrzeżenia dotyczące bezpieczeństwa ZAGROŻENIA TERMICZN...
Strona 12 - NIEPRAWIDŁOWE UŻYTKOWANIE STERYLIZATORA; Odpowiedzialność; ODPOWIEDZIALNOŚĆ UŻYTKOWNIKA
12 CUBE X | Instrukcja obsługi | CUBE X PST 1720 PST 2220 APL Rev06 | 02/09/2022 | © Producent Informa cje dotyczą ce bezpieczeństwa NIEPRAWIDŁOWE UŻYTKOWANIE STERYLIZATORA n Sterylizatora nie wolno używać w obecnościwybuchowych lub palnych gazów, oparów,cieczy lub ciał stałych. n Sterylizator nie z...
Strona 13 - ODPOWIEDZIALNOŚĆ PRODUCENTA
CUBE X | Instrukcja obsługi | CUBE X PST 1720 PST 2220 APL Rev06 | 02/09/2022 | © Producent 13 Informa cje dotyczą ce bezpieczeństwa n Zabezpieczenia sterylizatora nie działają prawidłowo, gdyprodukt nie jest zainstalowany, użytkowany i serwisowanyzgodnie z zaleceniami zawartymi w niniejszej Instruk...
Strona 14 - Rozpoczęcie pracy; Rozpakowanie; ROZPAKOWANIE STERYLIZATORA
Rozpoczęcie pracy 14 CUBE X | Instrukcja obsługi | CUBE X PST 1720 PST 2220 APL Rev06 | 02/09/2022 | © Producent SPIS TREŚCI W tej części opisano następujące tematy: Rozpakowanie 14 Postępowanie 17 Opis produktu 18 Instalacja sterylizatora 23 Obsługa sterylizatora 26 Menu interfejsu Użytkownika 27 K...
Strona 15 - OSTRZEŻENIA; : należy sprawdzić stan zewnętrzny opakowania; ZAWARTOŚĆ OPAKOWANIA; Sterylizator
CUBE X | Instrukcja obsługi | CUBE X PST 1720 PST 2220 APL Rev06 | 02/09/2022 | © Producent 15 Rozpoczęcie pra cy OSTRZEŻENIA Ważne : należy sprawdzić stan zewnętrzny opakowania transportowego i sterylizatora. W przypadku jakichkolwiekuszkodzeń należy niezwłocznie skontaktować się z dystrybutoremlub...
Strona 17 - Postępowanie; JAK PRZEMIESZCZAĆ STERYLIZATOR; Odczekać, aż komora sterylizatora ostygnie.
CUBE X | Instrukcja obsługi | CUBE X PST 1720 PST 2220 APL Rev06 | 02/09/2022 | © Producent 17 Rozpoczęcie pra cy Postępowanie JAK PRZEMIESZCZAĆ STERYLIZATOR Przed transportem: n Całkowicie opróżnić oba zbiorniki wody (patrz "Opróżnianiezbiornika wody zużytej i czystej" na stronie 88). n Odc...
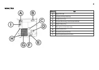
Strona 18 - Opis produktu; WIDOK Z PRZODU
Rozpoczęcie pra cy 18 CUBE X | Instrukcja obsługi | CUBE X PST 1720 PST 2220 APL Rev06 | 02/09/2022 | © Producent Opis produktu WIDOK Z PRZODU Część Opis A Drzwi komory B Pokrywa otworu wlewu wody do zbiornika wody czystej. C Pokrywa zbiorników na wodę D Ekran dotykowy E Drzwiczki serwisowe F Komora...
Strona 19 - BUDOWA WEWNĘTRZNA CZĘŚCI GÓRNEJ
Rozpoczęcie pra cy CUBE X | Instrukcja obsługi | CUBE X PST 1720 PST 2220 APL Rev06 | 02/09/2022 | © Producent 19 BUDOWA WEWNĘTRZNA CZĘŚCI GÓRNEJ Część Opis A Zbiornik B Czujnik poziomu wody C Pokrywa zbiorników na wodę D Wewnętrzna pokrywa zbiornika E Wewnętrzne filtry zbiornika z metalowymi wkłada...
Strona 20 - ELEMENTY ZA DRZWICZKAMI SERWISOWYMI
Rozpoczęcie pra cy 20 CUBE X | Instrukcja obsługi | CUBE X PST 1720 PST 2220 APL Rev06 | 02/09/2022 | © Producent ELEMENTY ZA DRZWICZKAMI SERWISOWYMI Część Opis A Filtr bakteriologiczny B Wyłącznik zasilania C Etykieta identyfikacyjna D Połączenie do opróżniania wody zużytej (szary przycisk) E Połąc...
Strona 21 - WIDOK Z TYŁU
Rozpoczęcie pra cy CUBE X | Instrukcja obsługi | CUBE X PST 1720 PST 2220 APL Rev06 | 02/09/2022 | © Producent 21 WIDOK Z TYŁU Część Opis A Złącza USB i LAN B Pokrywa szczeliny powietrznej C Gniazdo testowe D Pokrywa ciśnieniowego zaworu bezpieczeństwa E Odpływ zużytej wody F Wlot systemu dostarczan...
Strona 22 - AKCESORIA KOMORY
Rozpoczęcie pra cy 22 CUBE X | Instrukcja obsługi | CUBE X PST 1720 PST 2220 APL Rev06 | 02/09/2022 | © Producent AKCESORIA KOMORY Część Opis A Taca B Stelaż komory: n W normalnym położeniu można umieścić 5 tac ułożonych poziomolub 3 kasety/kontenery w pionie. n Po obróceniu o 90° można umieścić 3 t...
Strona 23 - Instalacja sterylizatora; WYMAGANIA DOTYCZĄCE USTAWIENIA; POŁĄCZENIA ELEKTRYCZNE
CUBE X | Instrukcja obsługi | CUBE X PST 1720 PST 2220 APL Rev06 | 02/09/2022 | © Producent 23 Rozpoczęcie pra cy Instalacja sterylizatora WYMAGANIA DOTYCZĄCE USTAWIENIA Ważne : Nie ustawiać sterylizatora w miejscu, w którym będzie utrudnionydostęp do elementów znajdujących za drzwiczkami serwisowym...
Strona 24 - PODŁĄCZENIA WODY; : konserwację zewnętrznego systemu uzdatniania wody; POŁĄCZENIE LAN
24 CUBE X | Instrukcja obsługi | CUBE X PST 1720 PST 2220 APL Rev06 | 02/09/2022 | © Producent Rozpoczęcie pra cy Instalację sterylizatora powinni przeprowadzać dwaj upoważnienitechnicy, stosujący środki ochrony osobistej zgodnie zestosownymi standardami.Zasilanie sterylizatora musi spełniać wszystk...
Strona 25 - Włożyć klucz sprzętowy Wi-Fi do złącza USB.; INSTALACJA STERYLIZATORA
CUBE X | Instrukcja obsługi | CUBE X PST 1720 PST 2220 APL Rev06 | 02/09/2022 | © Producent 25 Rozpoczęcie pra cy POŁĄCZENIE WI-FI W celu połączenia się z siecią Wi-Fi należy wykonać następująceczynności: 1 Włożyć klucz sprzętowy Wi-Fi do złącza USB. 2 Przeczytać instrukcję obsługi dostarczoną z klu...
Strona 26 - Obsługa sterylizatora; WŁĄCZANIE I WYŁĄCZANIE STERYLIZATORA; Nacisnąć; OPIS STRONY GŁÓWNEJ
26 CUBE X | Instrukcja obsługi | CUBE X PST 1720 PST 2220 APL Rev06 | 02/09/2022 | © Producent Rozpoczęcie pra cy Obsługa sterylizatora WŁĄCZANIE I WYŁĄCZANIE STERYLIZATORA 1 Wcisnąć przełącznik zadrzwiczkami serwisowymi:wskaźnik na przełącznikuzmienia kolor na zielony. 2 Po przeprowadzeniu szybkieg...
Strona 27 - Menu interfejsu Użytkownika; MENU GŁÓWNE, IKONY I ICH FUNKCJE
CUBE X | Instrukcja obsługi | CUBE X PST 1720 PST 2220 APL Rev06 | 02/09/2022 | © Producent 27 Rozpoczęcie pra cy Menu interfejsu Użytkownika MENU GŁÓWNE, IKONY I ICH FUNKCJE Ikona Etykieta Funkcja Menu Otwiera menu. Hist. cyklu Pokazuje wszystkie cykle sterylizacji. Zap. Zapisuje wszystkie raporty ...
Strona 28 - MOŻLIWOŚĆ ŚLEDZENIA- IKONY I ICH FUNKCJE
28 CUBE X | Instrukcja obsługi | CUBE X PST 1720 PST 2220 APL Rev06 | 02/09/2022 | © Producent Rozpoczęcie pra cy Ikona Etykieta Funkcja Wykluczenie cykli Ustawia menu cykli. Jednostki miary Umożliwia wybranie jednostek miary. Program cyklu dz. Programuje sekwencję cykli do uruchamiania naco dzień. ...
Strona 29 - AKCESORIA- IKONY I ICH FUNKCJE
CUBE X | Instrukcja obsługi | CUBE X PST 1720 PST 2220 APL Rev06 | 02/09/2022 | © Producent 29 Rozpoczęcie pra cy Ikona Etykieta Funkcja Usuń użytk. Dostęp tylko dla Administratora. Usuwa Użytkownika. Res. kodPIN użytk. Dostęp tylko dla Administratora. Zeruje numer PINUżytkownika. Zmień swójkod PIN ...
Strona 30 - KONSERWACJA- IKONY I ICH FUNKCJE
30 CUBE X | Instrukcja obsługi | CUBE X PST 1720 PST 2220 APL Rev06 | 02/09/2022 | © Producent Rozpoczęcie pra cy KONSERWACJA- IKONY I ICH FUNKCJE Ikona Etykieta Funkcja Filtr bakt. n Pokazuje stan materiałów eksploatacyjnych; n Resetuje licznik cykli; n Wyświetla filmy przedstawiające proceduręwymi...
Strona 31 - IKONY I ICH FUNKCJE
IKONY I ICH FUNKCJE Ikona Funkcja Powoduje przejście w tryb uśpienia lubwyjście z trybu uśpienia. Przechodzi dopoprzedniego/następnego ekranu. Otwiera stronę główną. Umożliwia dostęp do podmenu. Zapewnia dostęp do ekranu ustawień wokreślonym obszarze. Wyświetla listę wszystkich parametrówpracy stery...
Strona 33 - Konfiguracja sterylizatora; KREATOR KONFIGURACJI
CUBE X | Instrukcja obsługi | CUBE X PST 1720 PST 2220 APL Rev06 | 02/09/2022 | © Producent 33 Rozpoczęcie pra cy Konfiguracja sterylizatora KREATOR KONFIGURACJI Przy pierwszym uruchomieniu sterylizatora automatycznie pojawiasię procedura Kreatora Konfiguracji. Ta procedura umożliwiaustawienie pewny...
Strona 34 - USTAWIENIE JASNOŚCI WYŚWIETLACZA
34 CUBE X | Instrukcja obsługi | CUBE X PST 1720 PST 2220 APL Rev06 | 02/09/2022 | © Producent Rozpoczęcie pra cy USTAWIENIE JASNOŚCI WYŚWIETLACZA Aby zmienić jasność wyświetlacza: 1 Na stronie głównej nacisnąć > > > 2 Nacisnąć lub , aby zmienić wartość. 3 Nacisnąć , aby potwierdzić i wróci...
Strona 35 - Uwierzytelnianie Użytkownika; ZARZĄDZANIE NUMERAMI PIN
CUBE X | Instrukcja obsługi | CUBE X PST 1720 PST 2220 APL Rev06 | 02/09/2022 | © Producent 35 Rozpoczęcie pra cy Uwierzytelnianie Użytkownika ZARZĄDZANIE NUMERAMI PIN Każdemu nowemu Użytkownikowi jest przypisywany domyślnienumer PIN „0000”. PIN należy zmienić przy pierwszym logowaniu.Przy zerowaniu...
Strona 36 - Pamięć USB; Tryb uśpienia
36 CUBE X | Instrukcja obsługi | CUBE X PST 1720 PST 2220 APL Rev06 | 02/09/2022 | © Producent Rozpoczęcie pra cy Pamięć USB OPIS Na wyposażeniu dostępna jest pamięć USB do automatycznegozapisywania raportów z wszystkich cykli sterylizacji. Pendrive USBmożna włożyć zarówno do złącza przedniego, jak ...
Strona 37 - Administrator; Zarządzanie Użytkownikami; DODAWANIE UŻYTKOWNIKA
Administrator CUBE X | Instrukcja obsługi | CUBE X PST 1720 PST 2220 APL Rev06 | 02/09/2022 | © Producent 37 SPIS TREŚCI W tej części opisano następujące tematy: Zarządzanie Użytkownikami 37 Opcje możliwości śledzenia 38 Ukrycie/uwidocznienie cyklu 38 Zarządzanie Użytkownikami KTO MOŻE ZARZĄDZAĆ UŻY...
Strona 38 - ZEROWANIE NUMERU PIN UŻYTKOWNIKA; Opcje możliwości śledzenia; KTO MOŻE USTAWIĆ OPCJE MOŻLIWOŚCI ŚLEDZENIA; Ukrycie/uwidocznienie cyklu; KTO MOŻE SPOWODOWAĆ UKRYCIE/UWIDOCZNIENIE CYKLU
38 CUBE X | Instrukcja obsługi | CUBE X PST 1720 PST 2220 APL Rev06 | 02/09/2022 | © Producent Administra tor ZEROWANIE NUMERU PIN UŻYTKOWNIKA 1 Na stronie głównej nacisnąć > > 2 Wybrać swoją nazwę Użytkownika. 3 Wprowadzić numer PIN i nacisnąć , aby potwierdzić. 4 Nacisnąć oraz nazwę Użytkown...
Strona 39 - UKRYCIE/UWIDOCZNIENIE CYKLU
CUBE X | Instrukcja obsługi | CUBE X PST 1720 PST 2220 APL Rev06 | 02/09/2022 | © Producent 39 Administra tor UKRYCIE/UWIDOCZNIENIE CYKLU 1 Na stronie głównej nacisnąć > > > 2 Wybrać swoją nazwę Użytkownika. 3 Wprowadzić swój numer PIN i nacisnąć , aby potwierdzić. 4 Nacisnąć , aby ukryć cy...
Strona 40 - Zarządzanie drukarkami; KONFIGURACJA DRUKARKI ETYKIET
Zarządzanie drukarkami 40 CUBE X | Instrukcja obsługi | CUBE X PST 1720 PST 2220 APL Rev06 | 02/09/2022 | © Producent SPIS TREŚCI W tej części opisano następujące tematy: Wybór drukarki (opcjonalny) 40 Wybór drukarki etykiet (opcjonalne) 40 Używanie drukarki etykiet (opcjonalne) 41 Opis zawartości e...
Strona 41 - WYBÓR I KALIBRACJA LOKALNEJ DRUKARKI ETYKIET
CUBE X | Instrukcja obsługi | CUBE X PST 1720 PST 2220 APL Rev06 | 02/09/2022 | © Producent 41 Za rzą dza nie druka rka mi WYBÓR I KALIBRACJA LOKALNEJ DRUKARKI ETYKIET 1 Na stronie głównej nacisnąć > > 2 Nacisnąć : drukarka lokalna zostanie automatycznie zlokalizowana. 3 Nacisnąć , aby prawidł...
Strona 42 - OPCJA WYDRUKU AUTOMATYCZNEGO; Druk ręczny; WYŁĄCZENIE DRUKOWANIA ETYKIET
42 CUBE X | Instrukcja obsługi | CUBE X PST 1720 PST 2220 APL Rev06 | 02/09/2022 | © Producent Za rzą dza nie druka rka mi OPCJA WYDRUKU AUTOMATYCZNEGO Opcja wydruku automatycznego umożliwia automatyczny wydrukustalonej wcześniej liczby etykiet po pomyślnym zakończeniu cyklusterylizacji. Etykiety bę...
Strona 43 - Opis zawartości etykiety; STRUKTURA
Za rzą dza nie druka rka mi CUBE X | Instrukcja obsługi | CUBE X PST 1720 PST 2220 APL Rev06 | 02/09/2022 | © Producent 43 Opis zawartości etykiety STRUKTURA Część Opis A n Model sterylizatora n Numer seryjny n Wersja oprogramowania B Kod umożliwiający dalsze śledzenie (alfanumeryczny i kod kreskowy...
Strona 44 - Programy testowe; Testy wydajności sterylizatora; TESTY, KTÓRYM MOŻNA PODDAĆ STERYLIZATOR
44 CUBE X | Instrukcja obsługi | CUBE X PST 1720 PST 2220 APL Rev06 | 02/09/2022 | © Producent Programy testowe SPIS TREŚCI W tej części opisano następujące tematy: Testy wydajności sterylizatora 44 Test Bowie&Dick 44 Test Helix 48 Test próżn. 50 Testy wydajności sterylizatora TESTY, KTÓRYM MOŻN...
Strona 45 - CEL PRZEPROWADZENIA TESTU
Progra my testowe CUBE X | Instrukcja obsługi | CUBE X PST 1720 PST 2220 APL Rev06 | 02/09/2022 | © Producent 45 CEL PRZEPROWADZENIA TESTU Test przeznaczony do weryfikacji skuteczności sterylizatora w odniesieniu do sterylizacji wsadu tekstylnego. OPIS Jest to pakiet, we wnętrzu którego znajdują się...
Strona 46 - OPEN
Progra my testowe 46 CUBE X | Instrukcja obsługi | CUBE X PST 1720 PST 2220 APL Rev06 | 02/09/2022 | © Producent 3 Na stronie głównej nacisnąć Test Helix-B&D . 4 W celu ustawienia czasu trwania fazy plateau/sterylizacji oraz innych ustawień,nacisnąć . 5 Nacisnąć i jeżeli jest to wymagane, wprowa...
Strona 47 - INTERPRETACJA WYNIKÓW TESTU
Progra my testowe CUBE X | Instrukcja obsługi | CUBE X PST 1720 PST 2220 APL Rev06 | 02/09/2022 | © Producent 47 INTERPRETACJA WYNIKÓW TESTU Wskaźnik Opis zabarwienia Testzaliczony Następna czynność Cała powierzchnia arkusza wskaźnikowego zmieniła kolor. Tak - Niektóre obszary arkusza wskaźnika nie ...
Strona 50 - Ryzyko oparzeń. Rurka po zakończeniu cyklu jest bardzo; NASTĘPNA CZYNNOŚĆ
Progra my testowe 50 CUBE X | Instrukcja obsługi | CUBE X PST 1720 PST 2220 APL Rev06 | 02/09/2022 | © Producent 10 Otworzyć drzwi komory, wyjąć tacę za pomocą uchwytu do tac i wziąć rurkę. PRZESTROGA! Ryzyko oparzeń. Rurka po zakończeniu cyklu jest bardzo gorąca. Należy stosować odpowiednie środki ...
Strona 52 - POSTĘPOWANIE W PRZYPADKU NIEPOWODZENIA TESTU; Sprawdzić, oczyścić lub wymienić uszczelkę drzwi.
Progra my testowe 52 CUBE X | Instrukcja obsługi | CUBE X PST 1720 PST 2220 APL Rev06 | 02/09/2022 | © Producent POSTĘPOWANIE W PRZYPADKU NIEPOWODZENIA TESTU 1 Sprawdzić, oczyścić lub wymienić uszczelkę drzwi. 2 Oczyścić wewnętrzną stronę drzwi oraz filtr w komorze. 3 Powtórzyć test próżni. Patrz ...
Strona 53 - Cykle sterylizacji; Przygotowanie wsadu do sterylizacji
Cykle sterylizacji CUBE X | Instrukcja obsługi | CUBE X PST 1720 PST 2220 APL Rev06 | 02/09/2022 | © Producent 53 SPIS TREŚCI W tej części opisano następujące tematy: Przygotowanie wsadu do sterylizacji 53 Przygotowanie sterylizatora 55 Opis cykli sterylizacji 56 Uruchomienie cyklu sterylizacji 57 R...
Strona 54 - MYCIE ZEWNĘTRZNE KOŃCÓWEK STOMATOLOGICZNYCH; Podczas czyszczenia należy zakładać rękawice ochronne.; PAKOWANIE; Przestrzegać poniższych zaleceń:
54 CUBE X | Instrukcja obsługi | CUBE X PST 1720 PST 2220 APL Rev06 | 02/09/2022 | © Producent Cykle steryliza cji MYCIE ZEWNĘTRZNE KOŃCÓWEK STOMATOLOGICZNYCH Ta procedura obejmuje usuwanie pozostałości (krew, tkanka zębowaitd.), które przylegają do obszarów krytycznych, takich jak otworysprayu, źró...
Strona 55 - WSAD CZĘŚCIOWY; Przygotowanie sterylizatora; : Należy używać wyłącznie wody destylowanej lub
CUBE X | Instrukcja obsługi | CUBE X PST 1720 PST 2220 APL Rev06 | 02/09/2022 | © Producent 55 Cykle steryliza cji Rodzaj wsadu Umieszczenie Kasety Kasety można umieścić w stelażu komorypionowo lub poziomo (położenie pionoweprzyspiesza suszenie). Przy umieszczeniu kasetw położeniu poziomym należy ws...
Strona 56 - NAPEŁNIANIE ZBIORNIKA NA WODĘ CZYSTĄ; Ryzyko oparzeń. Przed dotknięciem stelaża; ZALECENIA OGÓLNE; Opis cykli sterylizacji; DOSTĘPNE CYKLE STERYLIZACJI
56 CUBE X | Instrukcja obsługi | CUBE X PST 1720 PST 2220 APL Rev06 | 02/09/2022 | © Producent Cykle steryliza cji NAPEŁNIANIE ZBIORNIKA NA WODĘ CZYSTĄ 1 Włączyć sterylizator i zdjąć pokrywę otworu wlewu wody dozbiornika wody czystej. 2 Napełniać zbiornik wody czystej wodą destylowaną lubdemineraliz...
Strona 57 - DOSTĘPNE TRYBY ECO DRY; Uruchomienie cyklu sterylizacji; NATYCHMIASTOWE URUCHOMIENIE CYKLU STERYLIZACJI
CUBE X | Instrukcja obsługi | CUBE X PST 1720 PST 2220 APL Rev06 | 02/09/2022 | © Producent 57 Cykle steryliza cji DOSTĘPNE TRYBY ECO DRY Ikona Tryb Opis ECODRYplus Czas suszenia jest automatycznie ustawiany jako możliwienajkrótszy dla ogólnej wielkości wkładu: im mniejszy wkład,tym szybszy cykl. Za...
Strona 58 - USTAWIENIE CZASU ROZPOCZĘCIA CYKLU STERYLIZACJI
58 CUBE X | Instrukcja obsługi | CUBE X PST 1720 PST 2220 APL Rev06 | 02/09/2022 | © Producent Cykle steryliza cji 8 Sterylizacja jest zakończona. Nacisnąć , aby wyświetlić podsumowanie cyklu, albo nacisnąć , aby wyświetlić informacje o cyklu. Patrz "Wyświetlanie parametrów cyklu" nastronie ...
Strona 59 - USUWANIE CYKLU Z ZAPROGRAMOWANEJ SEKWENCJI; Stały
CUBE X | Instrukcja obsługi | CUBE X PST 1720 PST 2220 APL Rev06 | 02/09/2022 | © Producent 59 Cykle steryliza cji Aby zaprogramować sterylizator, należy wykonać następująceczynności: 1 Załadować komorę i zamknąć drzwiczki komory. 2 Na stronie głównej nacisnąć > > > 3 Nacisnąć , aby dodać c...
Strona 60 - ZMIANA TRYBU ECO DRY
60 CUBE X | Instrukcja obsługi | CUBE X PST 1720 PST 2220 APL Rev06 | 02/09/2022 | © Producent Cykle steryliza cji ZMIANA TRYBU ECO DRY 1 Na stronie głównej nacisnąć ikonę programu oraz . 2 Nacisnąć ikonę liścia, aby ustawić cykl ECO DRY. 3 Nacisnąć tryb ECO DRY, który ma być wybrany. 4 Nacisnąć , a...
Strona 61 - ZAKOŃCZENIE CYKLU STERYLIZACJI; ZATRZYMANIE PROGRAMU STERYLIZACJI
CUBE X | Instrukcja obsługi | CUBE X PST 1720 PST 2220 APL Rev06 | 02/09/2022 | © Producent 61 Cykle steryliza cji ZAKOŃCZENIE CYKLU STERYLIZACJI Po pomyślnym zakończeniu cyklu na ekranie pojawia się komunikat„Cykl zakończony”. Aby zakończyć cykl: 1 Nacisnąć , aby wyświetlić podsumowanie cyklu, albo...
Strona 62 - STOP; Rozładowanie; Raport z cyklu sterylizacji; GDZIE SĄ PRZECHOWYWANE DANE Z CYKLI
62 CUBE X | Instrukcja obsługi | CUBE X PST 1720 PST 2220 APL Rev06 | 02/09/2022 | © Producent Cykle steryliza cji 1 Nacisnąć STOP : pojawi się żądanie potwierdzenia. 2 Nacisnąć , aby anulować polecenie przerwania programu. Program jest kontynuowany i cykl trwa dalej. 3 Nacisnąć , aby przerwać progr...
Strona 63 - FORMAT PRZECHOWYWANYCH RAPORTÓW
CUBE X | Instrukcja obsługi | CUBE X PST 1720 PST 2220 APL Rev06 | 02/09/2022 | © Producent 63 Cykle steryliza cji FORMAT PRZECHOWYWANYCH RAPORTÓW Podsumowania raportów są przechowywane w formacie HTML, araporty analityczne w formacie SCL. Wszystkie parametry sązapisywane co sekundę. CO DZIEJE SIĘ Z...
Strona 64 - DRUKOWANIE ETYKIET DLA OKREŚLONEGO PROGRAMU
64 CUBE X | Instrukcja obsługi | CUBE X PST 1720 PST 2220 APL Rev06 | 02/09/2022 | © Producent Cykle steryliza cji DRUKOWANIE ETYKIET DLA OKREŚLONEGO PROGRAMU 1 Na stronie głównej nacisnąć > > 2 Przewinąć listę i wybrać potrzebny program sterylizacji:zostanie wyświetlony raport. 3 Nacisnąć . 4...
Strona 65 - Ścieżka; TEST LOKALIZACJI PRZECHOWYWANIA DANYCH
CUBE X | Instrukcja obsługi | CUBE X PST 1720 PST 2220 APL Rev06 | 02/09/2022 | © Producent 65 Cykle steryliza cji W celu aktywowania zdalnej lokalizacji przechowywania orazustawienia niezbędnych parametrów, należy wykonać następująceczynności: 1 Na stronie głównej nacisnąć > > > 2 Nacisnąć...
Strona 66 - STRUKTURA RAPORTU Z CYKLU; Poniżej podano strukturę raportu z cyklu:
66 CUBE X | Instrukcja obsługi | CUBE X PST 1720 PST 2220 APL Rev06 | 02/09/2022 | © Producent Cykle steryliza cji STRUKTURA RAPORTU Z CYKLU Poniżej podano strukturę raportu z cyklu: Dane Opis A Model sterylizatora Nr ser. Numer seryjny sterylizatora Wer. oprogr. Numer wersji oprogramowania Nazwa st...
Strona 68 - Konserwacja
Konserwacja 68 CUBE X | Instrukcja obsługi | CUBE X PST 1720 PST 2220 APL Rev06 | 02/09/2022 | © Producent SPIS TREŚCI W tej części opisano następujące tematy: Ostrzeżenia ważne podczas konserwacji urządzenia 68 Konserwacja bieżąca 69 Konserwacja co miesiąc lub co 50 cykli 71 Konserwacja po upływie ...
Strona 69 - Konserwacja bieżąca; PRZEKROCZENIE CZASU KONSERWACJI
CUBE X | Instrukcja obsługi | CUBE X PST 1720 PST 2220 APL Rev06 | 02/09/2022 | © Producent 69 Konserwa cja Konserwacja bieżąca CZYNNOŚCI KOSERWACJI BIEŻĄCEJ WYKONYWANE PRZEZUŻYTKOWNIKA Częstość 1 Cykle 1 Czynność Co miesiąc 50 Czyszczenie uszczelki drzwi i wewnętrznej stronydrzwi komory. Patrz "...
Strona 70 - Na stronie głównej nacisnąć
70 CUBE X | Instrukcja obsługi | CUBE X PST 1720 PST 2220 APL Rev06 | 02/09/2022 | © Producent Konserwa cja WYMIANA MATERIAŁU EKSPLOATACYJNEGO PRZEDWYZNACZONĄ DATĄ KONSERWACJI W przypadku wymiany materiału eksploatacyjnego przedwyświetleniem komunikatu o konieczności jego wymiany, należyręcznie usta...
Strona 71 - Konserwacja co miesiąc lub co 50 cykli; CZYSZCZENIE USZCZELKI DRZWI I WEWNĘTRZNEJ STRONY DRZWI KOMORY; Procedura postępowania:
Konserwa cja CUBE X | Instrukcja obsługi | CUBE X PST 1720 PST 2220 APL Rev06 | 02/09/2022 | © Producent 71 Konserwacja co miesiąc lub co 50 cykli CZYSZCZENIE USZCZELKI DRZWI I WEWNĘTRZNEJ STRONY DRZWI KOMORY Procedura postępowania: 1 Oczyścić miejsce osadzenia uszczelki i wewnętrzną stronę drzwi wi...
Strona 72 - CZYSZCZENIE KOMORY I AKCESORIÓW KOMORY
Konserwa cja 72 CUBE X | Instrukcja obsługi | CUBE X PST 1720 PST 2220 APL Rev06 | 02/09/2022 | © Producent CZYSZCZENIE KOMORY I AKCESORIÓW KOMORY Procedura postępowania: 1 Wyjąć tace i statyw komory. 2 Oczyścić komorę wilgotną gąbką oraz roztworem łagodnegodetergentu, zwracając uwagę, aby nie wygią...
Strona 73 - CZYSZCZENIE FILTRA W KOMORZE
Konserwa cja CUBE X | Instrukcja obsługi | CUBE X PST 1720 PST 2220 APL Rev06 | 02/09/2022 | © Producent 73 CZYSZCZENIE FILTRA W KOMORZE Procedura postępowania: 1 Odczekać, aż komora sterylizatora ostygnie. 2 Opróżnić komorę sterylizatora, wyjmując tace i stelaż. 3 Obrócić obudowę filtra znajdująceg...
Strona 74 - Wyjąć obudowę filtra a następnie wkład filtrujący.
Konserwa cja 74 CUBE X | Instrukcja obsługi | CUBE X PST 1720 PST 2220 APL Rev06 | 02/09/2022 | © Producent 4 Wyjąć obudowę filtra a następnie wkład filtrujący. 5 Opłukać wkład filtrujący wodą z kranu. 6 Umieścić wkład filtrujący w obudowie. 7 Umieścić obudowę filtra z wkładem w oryginalnym miejscu.
Strona 75 - Zablokować obudowę filtra, obracając ją w prawo.; CZYSZCZENIE ZEWNĘTRZNEJ POWIERZCHNI STERYLIZATORA
Konserwa cja CUBE X | Instrukcja obsługi | CUBE X PST 1720 PST 2220 APL Rev06 | 02/09/2022 | © Producent 75 8 Zablokować obudowę filtra, obracając ją w prawo. CZYSZCZENIE ZEWNĘTRZNEJ POWIERZCHNI STERYLIZATORA Procedura postępowania: 1 Oczyścić wszystkie zewnętrzne powierzchnie sterylizatora lekko wi...
Strona 76 - Konserwacja po upływie 400 cykli; WYMIANA FILTRA BAKTERIOLOGICZNEGO
Konserwa cja 76 CUBE X | Instrukcja obsługi | CUBE X PST 1720 PST 2220 APL Rev06 | 02/09/2022 | © Producent Konserwacja po upływie 400 cykli WYMIANA FILTRA BAKTERIOLOGICZNEGO Ważne : W przypadku wymiany tego materiału eksploatacyjnego przed wymaganym terminem jego wymiany należy ustawić licznik cykl...
Strona 77 - WYMIANA FILTRA PRZECIWPYŁKOWEGO
Konserwa cja CUBE X | Instrukcja obsługi | CUBE X PST 1720 PST 2220 APL Rev06 | 02/09/2022 | © Producent 77 WYMIANA FILTRA PRZECIWPYŁKOWEGO Ważne : W przypadku wymiany tego materiału eksploatacyjnego przed wymaganym terminem jego wymiany należy ustawić licznik cykli na wartość początkową. Patrz "...
Strona 78 - Zamontować nowy filtr w uchwycie.
Konserwa cja 78 CUBE X | Instrukcja obsługi | CUBE X PST 1720 PST 2220 APL Rev06 | 02/09/2022 | © Producent 4 Zamontować nowy filtr w uchwycie. 5 Wsunąć obudowę filtra w to samo miejsce. 6 Zamknąć drzwi komory.
Strona 79 - Konserwacja po upływie 800 cykli lub co pół roku
Konserwa cja CUBE X | Instrukcja obsługi | CUBE X PST 1720 PST 2220 APL Rev06 | 02/09/2022 | © Producent 79 Konserwacja po upływie 800 cykli lub co pół roku Procedura postępowania: 1 Wyłączyć sterylizator i odłączyć przewód zasilający. 2 Całkowicie opróżnić oba zbiorniki wody (patrz "Opróżnianie...
Strona 80 - DOSTĘP DO ZBIORNIKÓW WODY
Konserwa cja 80 CUBE X | Instrukcja obsługi | CUBE X PST 1720 PST 2220 APL Rev06 | 02/09/2022 | © Producent DOSTĘP DO ZBIORNIKÓW WODY Procedura postępowania: 1 Podnieść pokrywę zbiorników wody.
Strona 81 - Zdjąć wewnętrzną pokrywę zbiornika.; ściernych. Używać wilgotnej ściereczki zwilżonej wodą.
Konserwa cja CUBE X | Instrukcja obsługi | CUBE X PST 1720 PST 2220 APL Rev06 | 02/09/2022 | © Producent 81 2 Zdjąć wewnętrzną pokrywę zbiornika. 3 Oczyścić i wysuszyć wewnętrzną pokrywę zbiornika i jej gumową membranę wcelu usunięcia skroplin. Ważne : Nie stosować środków dezynfekujących, silnych d...
Strona 82 - CZYSZCZENIE ZBIORNIKÓW NA WODĘ; Osuszyć wewnętrzne powierzchnie zbiornika.
Konserwa cja 82 CUBE X | Instrukcja obsługi | CUBE X PST 1720 PST 2220 APL Rev06 | 02/09/2022 | © Producent CZYSZCZENIE ZBIORNIKÓW NA WODĘ Ważne : Nie dotykać czujników poziomu wody. Ich przemieszczenie lub przesunięcie z oryginalnego położenia może zakłócić działanie sterylizatora. Procedura postęp...
Strona 83 - Wyjąć wszystkie filtry wewnętrzne.
Konserwa cja CUBE X | Instrukcja obsługi | CUBE X PST 1720 PST 2220 APL Rev06 | 02/09/2022 | © Producent 83 5 Wyjąć wszystkie filtry wewnętrzne. 6 Oczyścić metalowe wkłady filtrów wewnętrznych wodą z kranu. 7 Włożyć na miejsce filtry wewnętrzne.
Strona 85 - Konserwacja po upływie 800 cykli; WYMIANA USZCZELKI DRZWI
Konserwa cja CUBE X | Instrukcja obsługi | CUBE X PST 1720 PST 2220 APL Rev06 | 02/09/2022 | © Producent 85 Konserwacja po upływie 800 cykli WYMIANA USZCZELKI DRZWI Ważne : W przypadku wymiany tego materiału eksploatacyjnego przed wymaganym terminem jego wymiany należy ustawić licznik cykli na warto...
Strona 86 - : Wylot pary może spowodować uszkodzenie plastikowych części
Konserwa cja 86 CUBE X | Instrukcja obsługi | CUBE X PST 1720 PST 2220 APL Rev06 | 02/09/2022 | © Producent 5 Włożyć nową uszczelkę i docisnąć ją najpierw na górze a następnie na dole. 6 Docisnąć z lewej i z prawej strony, a następnie dociskać ją na całym obwodzie wcelu idealnego jej umieszczenia w ...
Strona 87 - WYMAGANE OGÓLNE SPRAWDZENIE I SERWIS; : Regularne serwisowanie jest niezbędne do zapewnienia
CUBE X | Instrukcja obsługi | CUBE X PST 1720 PST 2220 APL Rev06 | 02/09/2022 | © Producent 87 Konserwa cja Konserwacja po upływie 4000 cykli lubco pięć lat WYMAGANE OGÓLNE SPRAWDZENIE I SERWIS Ważne : Regularne serwisowanie jest niezbędne do zapewnienia nieprzerwanego i efektywnego działania steryl...
Strona 88 - Konserwacja niestandardowa; OPRÓŻNIANIE ZBIORNIKA WODY ZUŻYTEJ I CZYSTEJ; Otworzyć drzwiczki serwisowe sterylizatora.
Konserwa cja 88 CUBE X | Instrukcja obsługi | CUBE X PST 1720 PST 2220 APL Rev06 | 02/09/2022 | © Producent Konserwacja niestandardowa OPRÓŻNIANIE ZBIORNIKA WODY ZUŻYTEJ I CZYSTEJ W razie przypadkowego pozostawienia napełnionego zbiornika przez ponad siedem dni lub w razie planowanej przerwy w używa...
Strona 89 - Utylizacja; ODPOWIEDZIALNOŚĆ ZWIĄZANA Z UTYLIZACJĄ
Konserwa cja CUBE X | Instrukcja obsługi | CUBE X PST 1720 PST 2220 APL Rev06 | 02/09/2022 | © Producent 89 Utylizacja ODPOWIEDZIALNOŚĆ ZWIĄZANA Z UTYLIZACJĄ n Rozdzielić różne składniki w zależności od materiału, z którego są wykonane. n Przekazać sterylizator firmie specjalizującej się w recykling...
Strona 90 - Błędy; SPRAWDZANIE I CZYNNOŚCI
90 CUBE X | Instrukcja obsługi | CUBE X PST 1720 PST 2220 APL Rev06 | 02/09/2022 | © Producent Diagnostyka SPIS TREŚCI W tej części opisano następujące tematy: Błędy 90 Rozwiązywanie problemów 95 Awaryjne otwieranie drzwi 103 Błędy SPRAWDZANIE I CZYNNOŚCI Ważne : W przypadku wszelkich błędów niewymi...
Strona 93 - KOMUNIKATY I ALERTY
Dia gnostyka CUBE X | Instrukcja obsługi | CUBE X PST 1720 PST 2220 APL Rev06 | 02/09/2022 | © Producent 93 KOMUNIKATY I ALERTY Ważne : W przypadku wszelkich błędów niewymienionych w tej tabeli należy skontaktować się z serwisem technicznym. Komunikat/alert Opis Działanie Nap. zb. z cz. wodą. Nie ma...
Strona 95 - Rozwiązywanie problemów; POSTĘPOWANIE Z BŁĘDAMI; WYŚWIETLANIE I ZAPISYWANIE REJESTRU BŁĘDÓW
CUBE X | Instrukcja obsługi | CUBE X PST 1720 PST 2220 APL Rev06 | 02/09/2022 | © Producent 95 Dia gnostyka Rozwiązywanie problemów POSTĘPOWANIE Z BŁĘDAMI Jeżeli w trakcie cyklu sterylizacji wystąpi błąd, należy wykonaćnastępujące czynności: 1 Zaczekać do chwili zakończenia fazy zerowania. PRZESTROG...
Strona 96 - KOMUNIKATY OSTRZEGAWCZE
96 CUBE X | Instrukcja obsługi | CUBE X PST 1720 PST 2220 APL Rev06 | 02/09/2022 | © Producent Dia gnostyka KOMUNIKATY OSTRZEGAWCZE Wiadomość Opis Wsad niester. Wsad niesterylny. OSTRZEŻENIE! Nie używać tych produktów doPacjentów! Przerwanesuszenie Wsad może być mokry. OSTRZEŻENIE! Produkty mokre są...
Strona 97 - AKTYWOWANIE TERMOSTATU BEZPIECZEŃSTWA; Wyłączyć sterylizator i odłączyć przewód zasilający.
Dia gnostyka CUBE X | Instrukcja obsługi | CUBE X PST 1720 PST 2220 APL Rev06 | 02/09/2022 | © Producent 97 AKTYWOWANIE TERMOSTATU BEZPIECZEŃSTWA Sterylizator jest wyposażony w termostat bezpieczeństwa, który zapobiega jego przegrzaniu. Jeżeli termostat bezpieczeństwa wyłączył się zpowodu zbyt wysok...
Strona 98 - Otworzyć drzwi komory.
Dia gnostyka 98 CUBE X | Instrukcja obsługi | CUBE X PST 1720 PST 2220 APL Rev06 | 02/09/2022 | © Producent 3 Otworzyć drzwi komory. 4 Wyjąć filtr przeciwpyłkowy i przesunąć sterylizator bliżej krawędzi blatu. 5 Nacisnąć przycisk resetu wyłącznika termostatu: kliknięcie wskazuje, żewyłącznik termost...
Strona 99 - Umieścić filtr przeciwpyłkowy w oryginalnym położeniu.
Dia gnostyka CUBE X | Instrukcja obsługi | CUBE X PST 1720 PST 2220 APL Rev06 | 02/09/2022 | © Producent 99 6 Umieścić filtr przeciwpyłkowy w oryginalnym położeniu. 7 Zamknąć drzwi komory. 8 Podłączyć przewód zasilający i przestawić sterylizator w oryginalne położenie. 9 Włączyć sterylizator. 10 Odc...
Strona 100 - TABELA ROZWIĄZYWANIA PROBLEMÓW; oryginalnego lub innego odpowiedniego opakowania.
Dia gnostyka 100 CUBE X | Instrukcja obsługi | CUBE X PST 1720 PST 2220 APL Rev06 | 02/09/2022 | © Producent TABELA ROZWIĄZYWANIA PROBLEMÓW Uwaga : Jeżeli problem nie zostanie rozwiązany, należy skontaktować się ze swoim autoryzowanym usługodawcą. Ważne : Przed wysłaniem sterylizatora do serwisu tec...
Strona 103 - Awaryjne otwieranie drzwi; OSTRZEŻENIE DOTYCZĄCE OTWIERANIA DRZWI W SYTUACJACH NAGŁYCH; NARZĘDZIE DO OTWIERANIA DRZWI
Dia gnostyka CUBE X | Instrukcja obsługi | CUBE X PST 1720 PST 2220 APL Rev06 | 02/09/2022 | © Producent 103 Awaryjne otwieranie drzwi OSTRZEŻENIE DOTYCZĄCE OTWIERANIA DRZWI W SYTUACJACH NAGŁYCH OSTRZEŻENIE! Wysokie ciśnienie. Ryzyko wybuchu, strumienia gorącej pary, nagłego otwarcia drzwi. Opisaną ...
Strona 104 - Otworzyć drzwiczki serwisowe.
Dia gnostyka 104 CUBE X | Instrukcja obsługi | CUBE X PST 1720 PST 2220 APL Rev06 | 02/09/2022 | © Producent 2 Wziąć dodatkową wiązkę przewodów mieszczącą się w pudełku sterylizatora. 3 Otworzyć drzwiczki serwisowe. 4 Odkręcić ręką filtr bakteriologiczny (w lewo).
Strona 105 - Podłączyć dwie baterie do złącz.
Dia gnostyka CUBE X | Instrukcja obsługi | CUBE X PST 1720 PST 2220 APL Rev06 | 02/09/2022 | © Producent 105 5 Podłączyć dwie baterie do złącz. 6 Przy otwartych drzwiczkach serwisowych, włożyć plastikową wtyczkę do gniazdaza filtrem bakteriologicznym. 7 Gdy tylko drzwi komory zostaną odblokowane, od...
Strona 106 - Dane techniczne
106 CUBE X | Instrukcja obsługi | CUBE X PST 1720 PST 2220 APL Rev06 | 02/09/2022 | © Producent Dane techniczne SPIS TREŚCI W tej części opisano następujące tematy: Cykle sterylizacji 106 Fazy cyklu sterylizacji 111 Dane techniczne 114 Zalecenia dotyczące walidacji 116 Diagramy 117 Jakość wody 118 A...
Strona 107 - DOSTĘPNE STANDARDOWE CYKLE STERYLIZACJI; jeden cykl klasy S
Da ne techniczne CUBE X | Instrukcja obsługi | CUBE X PST 1720 PST 2220 APL Rev06 | 02/09/2022 | © Producent 107 Sterylizacja produktów opakowanych w programie S Szybki 134 spowoduje, że po zakończeniu cyklu opakowania pozostaną mokre.Przechowywanie produktów w mokrych opakowaniach spowoduje narażen...
Strona 108 - PARAMETRY OGÓLNE CYKLU STERYLIZACJI
Da ne techniczne 108 CUBE X | Instrukcja obsługi | CUBE X PST 1720 PST 2220 APL Rev06 | 02/09/2022 | © Producent PARAMETRY OGÓLNE CYKLU STERYLIZACJI Cykle sterylizacji B Universal 134 B Prion / Extended 134 B Universal 121 S Szybki 134 Temperatura sterylizacji 134°C (273°F) 134°C (273°F) 121°C (250°...
Strona 109 - CAŁKOWITY CZAS TRWANIA CYKLU; czas trwania fazy suszenia (przy wyłączonym trybie ECO DRY)
Da ne techniczne CUBE X | Instrukcja obsługi | CUBE X PST 1720 PST 2220 APL Rev06 | 02/09/2022 | © Producent 109 CAŁKOWITY CZAS TRWANIA CYKLU Całkowity czas trwania cyklu obejmuje czas suszenia i może się różnić w zależności od czynników podanych poniżej: n rodzaj wsadu (lite lub porowate), n masa w...
Strona 110 - MAKSYMALNY WSAD DLA NARZĘDZI; MAKSYMALNY WKŁAD DLA POJEMNIKÓW; Właściwe wysuszenie można uzyskać tylko przy trybie ECO DRY.
Da ne techniczne 110 CUBE X | Instrukcja obsługi | CUBE X PST 1720 PST 2220 APL Rev06 | 02/09/2022 | © Producent MAKSYMALNY WSAD DLA NARZĘDZI Uwaga : podana wartość masy wsadu obejmuje tace, pojemniki oraz wszystko, co umieszcza się w komorze, z wyłączeniem stelaża na tace. Produkty Opakowane Nieopa...
Strona 111 - Fazy cyklu sterylizacji; WSPÓLNA LEGENDA DOTYCZĄCA FAZ CYKLU STERYLIZACJI; Poniżej opisano poszczególne fazy cyklu sterylizacji.
Da ne techniczne CUBE X | Instrukcja obsługi | CUBE X PST 1720 PST 2220 APL Rev06 | 02/09/2022 | © Producent 111 Fazy cyklu sterylizacji WSPÓLNA LEGENDA DOTYCZĄCA FAZ CYKLU STERYLIZACJI Poniżej opisano poszczególne fazy cyklu sterylizacji. Kod Opis PHE Wstępne nagrzewanie sterylizatora. Tej fazy nie...
Strona 112 - FAZY CYKLU STERYLIZACJI KLASY B
Da ne techniczne 112 CUBE X | Instrukcja obsługi | CUBE X PST 1720 PST 2220 APL Rev06 | 02/09/2022 | © Producent FAZY CYKLU STERYLIZACJI KLASY B Wszystkie cykle sterylizacji klasy B charakteryzują się tym samym podstawowym profilem ciśnienia, jak przedstawiony na poniższymwykresie. Czas trwania i te...
Strona 113 - FAZY CYKLU STERYLIZACJI TYPU S
Da ne techniczne CUBE X | Instrukcja obsługi | CUBE X PST 1720 PST 2220 APL Rev06 | 02/09/2022 | © Producent 113 FAZY CYKLU STERYLIZACJI TYPU S Cykl S Szybki 134 jest przeznaczony szczególnie do sterylizowania narzędzi nieopakowanych, które nie wymagają całkowitego wysuszenia ibędą niezwłocznie użyt...
Strona 114 - SYSTEM DOSTARCZANIA WODY; WYMAGANIA ZWIĄZANE Z INSTALACJĄ
114 CUBE X | Instrukcja obsługi | CUBE X PST 1720 PST 2220 APL Rev06 | 02/09/2022 | © Producent Da ne techniczne Dane techniczne SYSTEM DOSTARCZANIA WODY Temperatura maks. 35° C (95° F) C iśnienie min. 2 bar – maks. 8,6 bar (min 29 psi - maks. 124,7 psi) P rzepływ min. 0,25 – maks. 0,5 l/min (min. 0...
Strona 115 - KOMORA STERYLIZATORA
CUBE X | Instrukcja obsługi | CUBE X PST 1720 PST 2220 APL Rev06 | 02/09/2022 | © Producent 115 Da ne techniczne Zanieczyszczenieśrodowiska Stopień 2 Środowisko użytkowania W pomieszczeniach KOMORA STERYLIZATORA C iśnieniowy zawórbezpieczeństwa 2,6 bar (37,7 psi) Termostat bezpieczeństwa 180° C (356...
Strona 116 - Zalecenia dotyczące walidacji; PUNKTY WALIDACJI TESTOWEJ
116 CUBE X | Instrukcja obsługi | CUBE X PST 1720 PST 2220 APL Rev06 | 02/09/2022 | © Producent Da ne techniczne Zalecenia dotyczące walidacji PUNKTY WALIDACJI TESTOWEJ Sterylizatory CUBE X można poddawać walidacji zgodnie z normą ENISO 17665-1. Dalsze szczegóły podano w wydanym przez producenta prz...
Strona 117 - Diagramy; DIAGRAM POŁĄCZEŃ; Zbieranie danych
Da ne techniczne CUBE X | Instrukcja obsługi | CUBE X PST 1720 PST 2220 APL Rev06 | 02/09/2022 | © Producent 117 Diagramy DIAGRAM POŁĄCZEŃ Zbieranie danych System zasilania wodą (*) : System filtracji wody musi być wyposażony w urządzenie zapobiegające cofaniu się wody, zgodne z normą IEC 61770 oraz...
Strona 118 - Jakość wody; : Do zbiornika wody czystej nie należy dodawać środków
118 CUBE X | Instrukcja obsługi | CUBE X PST 1720 PST 2220 APL Rev06 | 02/09/2022 | © Producent Da ne techniczne Jakość wody SPECYFIKACJA WODY ZASILAJĄCEJ (EN 13060) Ważne : Do zbiornika wody czystej nie należy dodawać środków hamujących korozję ani żadnych innych środków. Sterylizator wykorzystuje ...
Strona 119 - LISTA AKCESORIÓW I CZĘŚCI ZAMIENNYCH
CUBE X | Instrukcja obsługi | CUBE X PST 1720 PST 2220 APL Rev06 | 02/09/2022 | © Producent 119 Da ne techniczne Akcesoria, części zamienne, materiałyeksploatacyjne Uwaga : należy używać wyłącznie akcesoriów, części zamiennych i materiałów eksploatacyjnych zalecanych przez producenta. Uwaga : przed ...
Strona 120 - MATERIAŁY EKSPLOATACYJNE
120 CUBE X | Instrukcja obsługi | CUBE X PST 1720 PST 2220 APL Rev06 | 02/09/2022 | © Producent Da ne techniczne Rysunek Część Numer części Zestaw do podłączenia rurki odpływu zuchwytami A812110X Rurka do odprowadzania wody S230900X Rurka do odprowadzania wody (3 m) W230009X Przewód zasilający (Wiel...
Strona 121 - Autoryzowani partnerzy serwisowi Miele
CUBE X | Instrukcja obsługi | CUBE X PST 1720 PST 2220 APL Rev06 | 02/09/2022 | © Producent 121 Da ne techniczne Rysunek Część Numer części Kiedy podlega wymianie Zestaw materiałóweksploatacyjnych400/800 cykli W zestawie: n 1 uszczelka drzwi n 2 filtrybakteriologiczne n 2 filtryprzeciwpyłkowe X05033...
Strona 122 - Formularze dokumentacji; Lista kontrolna instalacji Miele; PYTANIA
Formularze dokumentacji 122 CUBE X | Instrukcja obsługi | CUBE X PST 1720 PST 2220 APL Rev06 | 02/09/2022 | © Producent SPIS TREŚCI W tej części opisano następujące tematy: Lista kontrolna instalacji Miele 122 Formularz dokumentacji wykonywania testu Helix 125 Lista kontrolna instalacji Miele PYTANI...
Strona 123 - INFORMACJE DOTYCZĄCE INSTALACJI
CUBE X | Instrukcja obsługi | CUBE X PST 1720 PST 2220 APL Rev06 | 02/09/2022 | © Producent 123 Formula rze dokumenta cji Nr Pytanie Odpowiedź 14 Czy pokazano Kierownikowi kliniki/praktyki opcje cyklisterylizacji? Tak Nie 15 Czy pokazano Kierownikowi kliniki/praktyki znaczeniekomunikatów i alarmów? ...
Strona 124 - ADRESY DO WYSŁANIA LISTY KONTROLNEJ INSTALACJI
124 CUBE X | Instrukcja obsługi | CUBE X PST 1720 PST 2220 APL Rev06 | 02/09/2022 | © Producent Formula rze dokumenta cji ADRESY DO WYSŁANIA LISTY KONTROLNEJ INSTALACJI Kopię prawidłowo wypełnionej listy kontrolnej instalacji należywysłać na oba poniższe adresy: Faks: 0800 33 55 533 Adres pocztowy M...
Strona 125 - Formularz dokumentacji wykonywania testu Helix; INSTRUKCJE
Formula rze dokumenta cji CUBE X | Instrukcja obsługi | CUBE X PST 1720 PST 2220 APL Rev06 | 02/09/2022 | © Producent 125 Formularz dokumentacji wykonywania testu Helix INSTRUKCJE Można użyć tej strony jako wzorca do utworzenia dziennika śledzenia efektywności cykli sterylizacji w trakcie całego okr...
Strona 128 - W&H Sterilization Srl
Miele & Cie. KG Carl-Miele-Stra. 2933332 GüterslohNiemcy W&H Sterilization Srl via Bolgara, 2Brusaporto (BG)Włochy+39 035 66 63 000 CUBE X PST 1720 PST 2220 Instrukcja obsługi APL Rev06 02/09/2022 Producent zastrzega sobie prawo do wprowadzania zmian