Miele PDR 516 SL TOP [EL GS] - Instrukcje

Miele PDR 516 SL TOP [EL GS] – Instrukcja obsługi, Instrukcja instalacji, Krótka instrukcja w formacie PDF online.
Instrukcje:
Instrukcja obsługi Miele PDR 516 SL TOP [EL GS]










































































Podsumowanie
Spis treści 2 Ochrona środowiska naturalnego ................................................................................. 5 Wskazówki bezpieczeństwa i ostrzeżenia ................................................................... 6 Użytkowanie zgodne z przeznaczeniem .............................
Spis treści 4 Dane techniczne .............................................................................................................. 73 Dane techniczne ................................................................................................................ 73
Ochrona środowiska naturalnego 5 Utylizacja opakowania transportowego Opakowanie chroni urządzenie przed uszkodzeniami podczas trans-portu. Materiały opakowaniowe zostały specjalnie dobrane pod ką-tem ochrony środowiska i techniki utylizacji i dlatego nadają się doponownego wykorzystania. Zwrot opak...
Wskazówki bezpieczeństwa i ostrzeżenia 6 Proszę koniecznie przeczytać tę instrukcję użytkowania. Ta suszarka spełnia wymagania obowiązujących przepisów bezpieczeństwa. Nieprawi-dłowe użytkowanie może jednak doprowadzić do wyrządzenia szkód osobowych i rze-czowych. Przed pierwszym użyciem suszarki ...
Wskazówki bezpieczeństwa i ostrzeżenia 7 Osoby, które ze względu na upośledzenie psychiczne, umysłowe lub fizyczne, czy też brak doświadczenia lub niewiedzę, nie są w stanie bezpiecznie obsługiwać tego urządze-nia, nie mogą z niego korzystać bez nadzoru lub wskazań osoby odpowiedzialnej. Dzieci ...
Wskazówki bezpieczeństwa i ostrzeżenia 8 - są zabrudzone lakierem do włosów, zmywaczem do paznokci lub podobnymi pozosta- łościami. Dlatego takie szczególnie mocno zabrudzone tekstylia należy bardzo dokładnie wyprać:zastosować dodatkową ilość środków piorących i wybrać wysoką temperaturę prania.W ra...
Wskazówki bezpieczeństwa i ostrzeżenia 9 Jeśli przewidziano podłączenie stałe, po stronie instalacji musi być ciągle dostępny wie- lobiegunowy wyłącznik, żeby można było odłączyć suszarkę od zasilania. Gdy uszkodzony jest przewód zasilający, musi on zostać wymieniony przez specjalistę autoryzowa...
Wskazówki bezpieczeństwa i ostrzeżenia 10 Gdy dym lub spaliny zostaną wtłoczone z powrotem, istnieje niebezpieczeństwo zatrucia. Kontrolować regularnie wszystkie elementy składowe przewodu wylotowego (np. prze- pust ścienny, kratkę zewnętrzną, kolana, łuki itd.) pod kątem drożności i bezusterkoweg...
Wskazówki bezpieczeństwa i ostrzeżenia 11 - Natychmiast zamknąć gazowy zawór instalacyjny, zawór gazowy przy liczniku gazu lub główny zawór gazowy. - Natychmiast otworzyć wszystkie okna i drzwi. - Nie zapalać otwartego ognia (np. zapałek lub zapalniczek). - Nie palić. - Nigdy nie wchodzić do pomiesz...
Pierwsze uruchomienie 13 Szkody rzeczowe lub osobowe przez nieprawidłowe ustawienie. Nieprawidłowe ustawienie suszarki może prowadzić do wystąpieniaszkód rzeczowych lub osobowych.Ustawić prawidłowo suszarkę przed pierwszym uruchomieniem.Podłączyć prawidłowo suszarkę.Przestrzegać wskazówek zamieszc...
Opis urządzenia 14 PDR 511 SL (z pompą ciepła) 8 6 9 7 1 4 5 2 3 a Panel sterowania b Pokrętło wyboru Przez obracanie pokrętła wyboru włącza się suszarkę i wybiera program suszenia. c Drzwiczki załadunkowe Drzwiczki załadunkowe otwiera się przez pociągnięcie za uchwyt drzwiczek. d Klapa komory kłacz...
Obsługa suszarki 17 Urządzenia ze sterowaniem wilgotnością resztkową (ROP) 1 2 3 4 5 6 7 8 9 a Obszar obsługi b Przyciski dotykowe dla stopni suszenia c Wskazania statusu Zapalają się w razie potrzeby. d Przycisk dotykowy Uaktywnia taktowanie dmuchawy do optymalnego suszenia lekkich tekstyl...
Obsługa suszarki 18 Stopnie suszenia - przycisk dotykowy = „Do szafy plus“ - przycisk dotykowy = „Do szafy“ - przycisk dotykowy = „Do prasowania“ - Przycisk dotykowy = „Do maglowania“ - przycisk dotykowy : funkcja „Pościel“ Programy susze-nia - pozycja = program „Tkaniny do gotow./...
Obsługa suszarki 22 Programy susze-nia - pozycja = poziom temperatury „zimny“ Do przewietrzania tekstyliów. - pozycja = poziom temperatury „niski“ Do suszenia bardzo delikatnych tekstyliów ze sztucznego jedwabiulub włókien syntetycznych. - pozycja = poziom temperatury „średni“ Suszenie deli...
Obsługa suszarki 23 Sposób działania obszaru obsługi Przyciski dotykowe reagują na dotykanie końcami palców. Wybórjest możliwy, dopóki poszczególne przyciski są podświetlone. Jasno podświetlony przycisk dotykowy oznacza: „aktualnie wybrany“. Delikatnie podświetlony przycisk dotykowy oznacza: „możliw...
Suszenie 24 1. Prawidłowa pielęgnacja prania Pranie przed su-szeniem Szczególnie mocno zabrudzone tekstylia należy bardzo dokładniewyprać. Zastosować wystarczającą ilość środków piorących i wybraćwysoką temperaturę prania. W razie wątpliwości uprać tekstylia wielo-krotnie. Jeśli do czyszczenia odzie...
Suszenie 25 - nie są wystarczająco wyczyszczone i są zabrudzone tłuszczami lub olejami. Do szczególnie mocno zabrudzonych tekstyliów ( jak np.odzież robocza) należy stosować specjalne środki piorące do dedy-kowanych zabrudzeń. Proszę zasięgnąć informacji w punktachsprzedaży środków piorących i czysz...
Suszenie 26 2. Załadunek suszarki Wkładanie prania Uszkodzenia tekstyliów przez nieprawidłową pielęgnację prania. Gdy nie przestrzega się prawidłowej pielęgnacji prania, tekstyliamogą zostać uszkodzone przez suszenie.Przed włożeniem prania zapoznać się najpierw z rozdziałem„1. Prawidłowa pielęgnac...
Suszenie 27 3. Wybieranie programu Wybieranie pro-gramu Poprzez wybranie programu suszarka zostaje włączona, a ustawieniepokrętła wyboru programów w pozycji ją wyłącza. Obrócić pokrętło wyboru programów na wybrany program. Dodatkowo może się świecić stopień suszenia, a na wyświetlaczuczasu są p...
Suszenie 29 4. Uruchamianie programu Uruchamianieprogramu Nacisnąć pulsujący światłem przycisk dotykowy Start/Stop . Przycisk dotykowy Start/Stop świeci się stale. Przebieg programu - Jeśli został wybrany czas opóźnienia startu, najpierw zaczyna się odliczanie czasu opóźnienia startu. - Następuje ...
Suszenie 30 5. Wyjmowanie prania z suszarki Zakończenie pro-gramu Suszarka może zostać ustawiona w taki sposób, że przy zakończe-niu programu rozlegnie się sygnał akustyczny. Po zakończeniu programu (na wyświetlaczu pokazywane jest ) pranie jest schłodzone i może zostać wyjęte. Jeśli została wy...
Przegląd programów 31 Pakiet programowy „Programy normatywne“ Nazwa programu Zalecane tekstylia Dostępne stopnie suszenia (wilgotność resztkowa w %) Możliwe do aktywacji funkcje dodatkowe Maksymalna wielkość załadunku Bawełna Normalne mokre praniebawełniane - Do maglowania (40%) - Do prasowania ...
Przegląd programów 32 Pakiet programowy „Standard“ Nazwa programu Zalecane tekstylia Dostępne stopnie suszenia (wilgotność resztkowa w %) Możliwe do aktywacji funkcje dodatkowe Maksymalna wielkość załadunku Tkaniny do gotow./kolor. Jedno- i wielowarstwowetekstylia z bawełny/lnu - Do maglowania (40...
Zmiana przebiegu programu 33 Przełączanie bieżącego programu Wybranie nowego programu nie jest więcej możliwe podczas trwają-cego programu (ochrona przed niezamierzonymi zmianami). Aby wy-brać nowy program, należy najpierw przerwać bieżący program. Zagrożenie pożarowe przez nieprawidłowe zastosowa...
Zmiana przebiegu programu 34 Dokładanie prania podczas upływającego czasu opóź-nienia startu Można otworzyć drzwiczki i dołożyć lub wyjąć pranie. - Wszystkie ustawienia programowe pozostają zachowane. - Można jeszcze zmienić stopień suszenia, jeśli jest taka potrzeba. Otworzyć drzwiczki. Wyjąć p...
Poziom administratora (tryb programowania) 35 Warunki dla wejścia - Urządzenie jest włączone. - Drzwiczki urządzenia są otwarte. Wchodzenie na poziom administratora Przytrzymać naciśnięty przycisk dotykowy Start/Stop i zamknąć drzwiczki suszarki. Przycisk dotykowy Start/Stop miga szybko przez 2 ...
Poziom administratora (tryb programowania) 40 Pro- gram Opis Możliwe ustawienia Ustawienie wstępne Objaśnienia Ochrona przed zagniataniem 00 01 02 03 04 05 06 07 08 09 10 11 12 02 00 = wył. 01 = 1 h 02 = 2 h 03 = 3 h 04 = 4 h 05 = 5 h 06 = 6 h 07 = 7 h 08 = 8 h 09 = 9 h 10 = 10 h 11 = 11 h 12 = ...
Poziom administratora (tryb programowania) 41 Wartość ustawienia Temperatura 08 90 °C/195 °F 09 95 °C/205 °F 10 100 °C/210 °F 11 105 °C/220 °F 12 110 °C/230 °F 13 115 °C/240 °F 14 120 °C/250 °F 15 125 °C/255 °F 16 130 °C/265 °F 17 135 °C/275 °F 18 140 °C/285 °F 19 145 °C/295 °F 20 150 °C/300 °F Temp...
Poziom administratora (tryb programowania) 42 Wartość ustawienia Temperatura 28 57 °C/135 °F 29 58 °C/136 °F 30 59 °C/138 °F 31 60 °C/140 °F 32 61 °C/142 °F 33 62 °C/144 °F 34 63 °C/145 °F 35 64 °C/147 °F 36 65 °C/150 °F Czasy rewersowania Wartość ustawienia Sekundy 01 20 s 02 22 s 03 24 s 04 26 s 0...
Poziom administratora (tryb programowania) 43 Wartość ustawienia Sekundy 33 84 s 34 86 s 35 88 s 36 90 s 37 92 s 38 94 s 39 96 s 40 98 s 41 100 s 42 102 s 43 104 s 44 106 s 45 108 s 46 110 s 47 112 s 48 114 s 49 116 s 50 118 s 51 120 s Czasy pauzy Wartość ustawienia Sekundy 01 2 s 02 3 s 03 4 s 04 5...
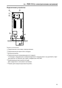
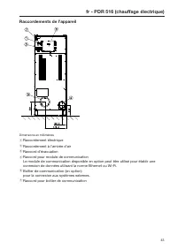
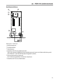
Podłączenie do sieci 44 Instrukcja parowania Za pomocą poniższych kroków można połączyć suszarkę z siecią. Otwieranie poziomu administratora Włączyć urządzenie, obracając pokrętło wyboru z pozycji na inną dowolną pozycję. Otworzyć drzwiczki suszarki. Przytrzymać naciśnięty przycisk dotykowy...
Podłączenie do sieci 45 Konfigurowanie połączenia sieciowego przez kabel LAN Do utworzenia połączenia sieciowego przez kabel wymagany jest dostępny opcjonalniemoduł komunikacyjny „XKM 3200 WL PLT“. Na poziomie administratora wybrać za pomocą przycisków strzałek lub . Następnie wybrać m...
Podłączenie do sieci 46 Siła sygnału WiFi Znaczenie MDU * 76–100% 3/3** z reguły możliwe niezawodne działanie 51–75% 2/3 26–50% 1/3 z reguły możliwe działanie 1–25% 0/3 z reguły możliwe działanie z ograniczeniami 0% działanie niemożliwe * pokazywane na urządzeniu** ilość kresek 3/3–0/3 Siła sy...
Podłączenie do sieci 47 Ethernet Ethernet Standaryzowana technologia przesyłowa dla sieci kablowych o różnych prędkościachtransmisji (10/100/1000 Mbit/s). IEEE Institute of Electrical and Electronics Engineers Ogólnoświatowa organizacja skupiająca inżynierów związanych głównie z branżą elektro-techn...
Podłączenie do sieci 51 Przykład dla sieci Wi-Fi 1 Internet 2 Router Wi-Fi = 192.168.1.1 3 PC = 192.168.1.2 4 Drukarka = 192.168.1.3 5 Smartfon = 192.168.1.4 6 Notebook = 192.168.1.5 7 Pralka = 192.168.1.6 Każdy uczestnik otrzymuje z routera automatycznie adres IP (DHCP). Adresy IP umożliwiają ukier...
Czyszczenie i konserwacja 52 Czyszczenie filtra kłaczków Zagrożenie pożarowe przez użytkowanie suszarki bez filtra kłaczków.Drogi powietrzne, grzanie i przewód wylotowy podczas pracy su-szarki bez filtra kłaczków mogą się zatkać i zapalić.Nie wolno wyjmować filtra kłaczków do czyszczenia.Nigdy nie...
Czyszczenie i konserwacja 53 Aby zamknąć klapę komory kłaczków, obrócić uchwyt na klapie ko-mory kłaczków o 90° w kierunku ruchu wskazówek zegara. Czyszczenie bębna i zewnętrznych elementów obudo-wy Zagrożenie życia przez porażenie prądem. Nie wolno czyścić ani konserwować suszarki nie odłączone...
Co robić, gdy. . . 54 Pomoc przy usterkach Większość usterek można usunąć samodzielnie. W wielu przypadkach pozwoli to zaosz-czędzić czas i koszty, ponieważ nie ma wówczas potrzeby wzywania serwisu. Poniższyprzegląd powinien być pomocny przy znajdowaniu przyczyn i usuwaniu usterek. Proszęjednak pami...
Serwis 55 Kontakt w przypadku wystąpienia usterki W razie wystąpienia usterek, których nie można usunąć samodzielnie, proszę powiadomićsprzedawcę Miele lub serwis Miele. Numer telefonu do serwisu Miele znajduje się na końcu tego dokumentu. Serwis wymaga podania modelu i numeru fabrycznego urządzenia...
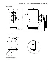
Instalacja 56 Warunki instalacyjne Szkody rzeczowe lub osobowe przez nieprawidłowe ustawienie. Nieprawidłowe ustawienie suszarki może prowadzić do wystąpienia szkód rzeczowychlub osobowych. Suszarka może zostać ustawiona i uruchomiona wyłącznie przez serwis Miele lub autory-zowanego przedstawiciel...
Instalacja 57 Wykręcić śruby (torx T 20 i T 30) z obudowy drewnianej. Usunąć obudowę drewnianą. Podnieść suszarkę za pomocą wózka paletowego. Zamontować dostarczone wraz z urządzeniem nóżki ustawcze (4 sztuki) Ustawianie suszarki Ustawić suszarkę na całkowicie płaskiej, wypoziomowanej i sz...
Instalacja 59 Wskazówka: Dla prawidłowego ustawienia należy się posłużyć poziomnicą. Zasadniczo Miele zaleca, żeby zamocować obie przednie wykręcane nóżki suszarki dopodłoża za pomocą dostarczonych wraz z urządzeniem łapek zaciskowych.Zamocowanie suszarki do podłogi za pomocą dostarczonych łapek z...
Instalacja 62 Długości zastępcze rur Kształtka Typ PDR 516 SL Kolano 90° r = 2d 1,1 m Kolano 45° r = 2d 0,7 m Kolano 90° r = d 1,9 m Kolano 45° r = d 1,1 m Kolano segmentowe 90° r = 2d 3,2 m Kolano segmentowe 45° r = 2d 2,0 m Kolano segmentowe 90° (3 zgrzewy) r = 2d 1,2 m kolano 90° z rury elastycz-...
Instalacja 63 Przewód wylotowy powinien być ułożony zgodnie z zasadami korzystnego przepływu.W tym celu należy zastosować możliwie mało kolan, krótkie przewody, dobrze wykonanei sprawdzone pod kątem szczelności przyłącza i przejścia. W przewodzie wylotowym niewolno montować żadnych sit ani żaluzji. ...
Instalacja 64 - Natychmiast otworzyć wszystkie okna i drzwi. - Nie zapalać otwartego ognia (np. zapałek lub zapalniczek). - Nie palić. - Nigdy nie wchodzić do pomieszczeń, w których został zauważony zapach gazu, z otwartym ogniem. - Nie przeprowadzać żadnych działań, które wytwarzają iskry elektrycz...
Instalacja 66 - W najniżej położonym miejscu przewodu wylotowego lub przewodu spalinowego należy przewidzieć odprowadzenie kondensatu. Kondensat musi zostać odprowadzony do tacyociekowej lub do umieszczonego w odpowiednim miejscu odpływu podłogowego.W przewodzie wylotowym nie wolno montować żadnych ...
Instalacja 67 Wąż gazowy Do podłączenia urządzenia gazowego musi zostać zastosowany wąż metalowy w oplocieze stali nierdzewnej zgodnie z DIN 3384. Alternatywnie można zastosować wąż wgDIN EN 16617 z przyłączami wg DIN 3384. Przy wybieraniu węża należy przestrzegać wy-maganej wielkości przepływu. Pon...
Instalacja 68 Jeśli w przypadku gazu ziemnego nie zostanie osiągnięte ciśnienie 15 mbar (ewentualnyspadek ciśnienia w sieci gazowniczej), wówczas należy poinformować zakład gazowniczy. Wartości ustawień dla gazu ziemnego Suszarka Moc grzewcza Średnica dysz Ciśnienie dysz E, Lw Ls, L PDR 516 18 kW 4,...
Instalacja 69 Instalacja wariantów z pompą ciepła Ogólne warunki użytkowania Ta suszarka z pompą ciepła jest przeznaczona do stosowania wyłącznie w obszarachprofesjonalnych i może być używana tylko w pomieszczeniach. Temperatura otoczenia dla optymalnej pracy pompy ciepła: + 10 °C do + 40 °C Tempera...
Instalacja 70 Otwór zasysania powietrza musi być zawsze odsłonięty i w żadnym wypadku nie możnago zakrywać! Otwór wylotowy powietrza Dla suszarki z pompą ciepła, ze względu na zamknięty obieg powietrza, nie jest wymaga-ny oddzielny przewód wylotowy. Wydmuchiwane ciepłe powietrze użyte do chłodzenia ...
Akcesoria dodatkowe 71 Wyposażenie dodatkowe dla tej suszarki można nabyć w sklepach specjalistycznych lubw serwisie firmy Miele. Elementy wyposażenia mogą zostać dobudowane lub wbudowane tylko wtedy, gdy jest to wyraźnie dozwolone przez firmę Miele. Jeśli zostaną dobudowane lub wbudowane inneelem...
Akcesoria dodatkowe 72 Te dane nie są przyporządkowywane do żadnego specyficznego użytkownika ani nie sątrwale zapamiętywane. Dopiero gdy Państwa urządzenie zostanie powiązane z użytkowni-kiem, następuje zapamiętanie danych na stałe i ich specyficzne przyporządkowanie. Prze-syłanie i przetwarzanie d...
Instrukcja instalacji Miele PDR 516 SL TOP [EL GS]






























































































Krótka instrukcja Miele PDR 516 SL TOP [EL GS]






























































































































































































Other Miele Inne Manuals
-
Miele APWM 063 Instrukcja instalacji
-
Miele APWM 019 Instrukcja obsługi
-
Miele TT 86 Instrukcja obsługi
-
Miele UG 5010 Instrukcja instalacji
-
Miele UO 5010 Instrukcja instalacji
-
Miele E 473/2 Instrukcja obsługi
-
Miele FFK 01 Instrukcja instalacji
-
Miele APDR 002 Instrukcja obsługi
-
Miele DP [50Hz] Instrukcja instalacji
-
Miele APCL 005 Instrukcja instalacji
-
Miele PG 8583 CD [WW AD CM] Instrukcja obsługi
-
Miele PG 8583 CD [WW AD CM] Instrukcja instalacji
-
Miele PG 8583 [WW AD LD] Instrukcja obsługi
-
Miele PG 8583 [WW AD LD] Instrukcja instalacji
-
Miele PLW 8615 [EL] Instrukcja obsługi
-
Miele PLW 8615 [EL] Instrukcja instalacji
-
Miele PG 8504 [AD] Instrukcja obsługi
-
Miele PLW 8617 [EL/S TH] Instrukcja obsługi
-
Miele PLW 8617 [EL/S TH] Instrukcja instalacji
-
Miele PLW 8617 [EL/S RT] Instrukcja obsługi