Strona 2 - Spis treści
Spis treści 2 Ochrona środowiska naturalnego ............................................................................. 6 Wskazówki bezpieczeństwa i ostrzeżenia ............................................................... 7 Obsługa pralnicy ........................................................
Strona 3 - Serwis
Spis treści 3 Czyszczenie bębna, zbiornika kąpieli i systemu odpływowego ............................... 55 Czyszczenie kołnierza uszczelniającego...................................................................... 55 Czyszczenie sitka w dopływie wody .................................................
Strona 4 - Data
Spis treści 4 Obsługa/Wskazania ....................................................................................................... 85 Język ............................................................................................................................ 85 Wybór języków ................
Strona 6 - Ochrona środowiska naturalnego; Utylizacja opakowania
Ochrona środowiska naturalnego 6 Utylizacja opakowania Opakowanie służy do manewrowaniai chroni urządzenie przed uszkodzeniamipodczas transportu. Materiały opakowa-niowe zostały specjalnie dobrane podkątem ochrony środowiska i technikiutylizacji i generalnie nadają się do po-nownego wykorzystania.Zw...
Strona 7 - Wskazówki bezpieczeństwa i ostrzeżenia; Użytkowanie zgodne z przeznaczeniem; Urządzenia należy używać zgodnie z instrukcją użytkowania, regu-
Wskazówki bezpieczeństwa i ostrzeżenia 7 Ta pralnica spełnia wymagania obowiązujących przepisów bezpie-czeństwa. Nieprawidłowe użytkowanie może jednak doprowadzićdo wyrządzenia szkód osobowych i rzeczowych.Przed uruchomieniem pralnicy należy uważnie przeczytać instrukcjęużytkowania. Zawiera ona ważn...
Strona 8 - Bezpieczeństwo techniczne
Wskazówki bezpieczeństwa i ostrzeżenia 8 Dzieci poniżej 8 roku życia należy trzymać z daleka od pralnicy, chyba że są pod stałym nadzorem. Dzieciom powyżej 8 roku życia wolno używać pralnicy bez nadzoru tylko wtedy, gdy została im ona objaśniona w takim stopniu, że mogąz niej bezpiecznie korzyst...
Strona 10 - Ze względu na szczególne wymagania (np. odnośnie temperatury,; Prawidłowe użytkowanie; Nie ustawiać pralnicy w pomieszczeniach zagrożonych mrozem.
Wskazówki bezpieczeństwa i ostrzeżenia 10 Ze względu na szczególne wymagania (np. odnośnie temperatury, wilgotności, odporności chemicznej, ścieralności i wibracji) ta pralni-ca jest wyposażona w specjalny element świetlny. Ten specjalny ele-ment świetlny może być wykorzystywany wyłącznie w przewi...
Strona 12 - Wyposażenie
Wskazówki bezpieczeństwa i ostrzeżenia 12 W przypadku stosowania kombinacji pomocniczych środków pio- rących i produktów specjalnych należy bezwzględnie przestrzegaćwskazówek producenta. W celu uniknięcia szkód materiałowych igwałtownych reakcji chemicznych każdy środek wykorzystywać wy-łącznie do...
Strona 13 - Obsługa pralnicy; Panel sterowania; Do celów serwisowych.
Obsługa pralnicy 13 Panel sterowania a Przycisk dotykowy Język Do wybierania aktualnego języka ob-sługi.Po zakończeniu programu zostanie zpowrotem wyświetlony język domyśl-ny. b Przycisk dotykowy Powrót Przełącza jeden poziom menu z po-wrotem. c Wyświetlacz dotykowy d Przycisk dotykowy Start/Sto...
Strona 14 - Przyciski dotykowe; Menu główne; Po naciśnięciu przycisku dotykowego; Do wybierania programów piorących.; Preferowane; Przykłady obsługi; Listy wyboru
Obsługa pralnicy 14 Przyciski dotykowe i wyświe-tlacz dotykowy z przyciskamidotykowymi Przyciski dotykowe , i Start/ Stop oraz przyciski dotykowe na wy- świetlaczu reagują na kontakt z palcem.Każde dotknięcie zostaje potwierdzonedźwiękiem. Głośność dźwięku przycis-ków można zmienić lub wyłączyć ...
Strona 15 - Ustawianie wartości liczbowych
Obsługa pralnicy 15 Menu Funkcje dodatkowe (wybór wielo-krotny) 11:02 Pranie wstępne Namaczanie Płukanie plus Intensywnie Funkcje dodatk. OK Nacisnąć jedną lub kilka funkcji dodat- kowych , żeby je wybrać. Aktualnie wybrana funkcja dodatkowa jest zaznaczona na pomarańczowo.Aby z powrotem o...
Strona 16 - Wysuwane menu; Opuszczanie poziomu menu.; Wyświetlanie pomocy; Nacisnąć przycisk dotykowy; żeby wyświetlić wskazówki.
Obsługa pralnicy 16 Wysuwane menu W wysuwanym menu można wyświetlićróżne informacje, np. dotyczące progra-mu piorącego. 11:02 Tkaniny kolorowe Status Pozost.: h 2:27 Pranie Dokładanie prania Gdy na górnej krawędzi ekranu pośrod-ku wyświetlacza pokazywany jest poma-rańczowy pasek, można wówc...
Strona 17 - Pierwsze uruchomienie; Szkody przez nieprawidłowe; Opróżnianie bębna; Wyjąć kabłąk i materiały montażowe.; Włączanie pralnicy; Nacisnąć przycisk; Ustawianie języka wyświetlacza
Pierwsze uruchomienie 17 Szkody przez nieprawidłowe ustawienie i podłączenie.Nieprawidłowe ustawienie i podłą-czenie pralnicy może doprowadzić dowyrządzenia poważnych szkód rze-czowych.Proszę przestrzegać wskazówek za-mieszczonych w rozdziale „Instala-cja“. Opróżnianie bębna W bębnie może znajdowa...
Strona 18 - Ustawianie daty; Lipiec; OK
Pierwsze uruchomienie 18 Wskazówka dotycząca urządzeńzewnętrznych Pojawia się wskazówka dotycząca ze-wnętrznego sprzętu. Potwierdzić przyciskiem dotykowym OK . Przed pierwszym uruchomieniem pod-łączyć XCI-Box lub adapter, albo wsu-nąć moduł komunikacyjny do wnękimodułowej. W tym celu pralnica musi...
Strona 19 - Ustawianie godziny
Pierwsze uruchomienie 19 Ustawianie godziny OK 12 00 10 58 14 02 Godzina 11 59 13 01 Położyć palec na cyfrze do zmiany iprzesunąć go w wybraną stronę. Potwierdzić przyciskiem dotykowym OK . Wyświetlacz przechodzi do następnegoustawienia. Wybieranie pakietu programo-wego Można wybierać róż...
Strona 22 - Przygotowanie prania; Opróżnianie kieszeni; Wskazówki ogólne
1. Przygotowanie prania 22 Opróżnianie kieszeni Proszę opróżnić kieszenie. Uszkodzenia przez ciała obce. Gwoździe, monety, spinacze biuroweitd. mogą uszkodzić tekstylia i podze-społy urządzenia.Skontrolować pranie przed rozpoczę-ciem prania pod kątem występowa-nia ciał obcych i je usunąć. Sortow...
Strona 23 - Załadunek pralnicy; Otwieranie drzwiczek
2. Załadunek pralnicy 23 Otwieranie drzwiczek Chwycić za zagłębienie uchwytu i o-tworzyć drzwiczki przez pociągnięcie. Skontrolować bęben pod kątem ciałobcych, zanim włoży się do niegopranie. Włożyć do bębna rozłożone luźno pra-nie. Sztuki prania o różnej wielkości popra-wiają skuteczność prania...
Strona 24 - Wybieranie programu; Można wybrać program w menu
3. Wybieranie programu 24 Włączanie pralnicy Nacisnąć przycisk . Włącza się oświetlenie bębna. Oświetlenie bębna gaśnie automatycz-nie po 5 minutach lub po uruchomieniuprogramu. Wybieranie programu 11:02 Programy Preferowane Administrator Pomoc Istnieją różne możliwości wybrania pro-gra...
Strona 25 - Wybieranie ustawień programowych; Wybieranie załadunku; Aktywacja CapDosing
4. Wybieranie ustawień programowych 25 Wybieranie załadunku Aby umożliwić uzależnione od ilości ła-dunku dozowanie zewnętrzne, w nie-których programach można wprowa-dzić wielkość załadunku. Nacisnąć przycisk dotykowy Waga . Wprowadzić prawidłową wartość od-powiadającą wielkości załadunku. Wyświe...
Strona 26 - Dodawanie środków piorących; Szuflada na środki piorące; Dozowanie środków piorących; Uzupełnianie środków piorących; mory
5. Dodawanie środków piorących 26 Pralnica oferuje Państwu różne możli-wości dodawania środków piorących. Szuflada na środki piorące Można stosować wszystkie środki piorą-ce, które są przeznaczone do pralek au-tomatycznych. Dozowanie środków piorących Przy dozowaniu proszę przestrzegaćwskazówek prod...
Strona 27 - nie; Przestrzegać maksymalne-; Krochmalenie; Środki odbarwiające i farbujące
5. Dodawanie środków piorących 27 Oddzielne płukanie zmiękczające lubpłukanie usztywniające Wybrać program Dodatkowe płuka- nie . W razie potrzeby skorygować ilośćobrotów wirowania. Wlać płyn zmiękczający, płyn usztyw-niający lub krochmal w płynie do ko-mory . Przestrzegać maksymalne- go poz...
Strona 28 - Zagrożenie zdrowia przez kapsuł-; Wybrać żądany rodzaj kapsułek.; Wkładanie kapsułek; Otworzyć szufladę na środki piorące.
5. Dodawanie środków piorących 28 Dozowanie w kapsułkach (Cap) Występują kapsułki o 3 różnych zawar-tościach: = środek do pielęgnacji teksty- liów (np. płyn zmiękczający,środek impregnacyjny) = środek dodatkowy (np. wzmacniacz środków piorą-cych) = środek piorący (tylko dla pra- nia głównego) ...
Strona 29 - Zewnętrzne dozowanie
5. Dodawanie środków piorących 29 Docisnąć dobrze kapsułkę. Zamknąć pokrywkę i dobrze ją doci-snąć. Zamknąć szufladę na środki piorące. Przy wkładaniu kapsułki do szufladyna środki piorące zostaje ona otwar-ta. Gdy nie zużyta kapsułka zostanie zpowrotem wyjęta, jej zawartość mo-że się wylać.Wy...
Strona 30 - Stop; Zakończenie programu; Wyjmowanie prania
6. Start programu - koniec programu 30 Urządzenie inkasujące Jeśli występuje urządzenie inkasujące,proszę zwrócić uwagę na wezwanie dozapłaty na wyświetlaczu. Nie przerywać programu po urucho-mieniu programu. W zależności odustawienia może dojść do utraty opła-ty wniesionej w urządzeniu inkasują-cym...
Strona 31 - Ustawianie timera; Zmiana timera; Kasowanie timera
Zegar sterujący (Timer) 31 Za pomocą timera można wybrać czasdo rozpoczęcia programu, czas rozpo-częcia programu lub czas zakończeniaprogramu. Ustawianie timera Nacisnąć przycisk dotykowy Timer . Wybrać opcję Koniec o , Start za lub Start o . Ustawić liczbę godzin i minut i po-twierdzić za p...
Strona 32 - Przegląd programów
Przegląd programów 32 Pakiety programowe Można wybierać różne programy z pakietów programowych. Programy są wyświe-tlane na liście programów. Programy standardowe Tkaniny do gotowania 65 °C do 90 °C maks. 8,0 kg Artykuły Tekstylia z bawełny i lnu, np. bielizna pościelowa, bielizna niemow-lęca, bieli...
Strona 33 - Prasowanie wstępne
Przegląd programów 33 Expres zimna do 60 °C maks. 4,0 kg Artykuły Tekstylia z bawełny, które były niewiele noszone lub wykazują tylkoniewielkie zabrudzenia 1400 obr/min Funkcje dodatkowe: Płukanie plus Cykle płukania: 1 Wełna zimna do 40 °C maks. 3,0 kg Artykuły Tekstylia z wełny przeznaczonej do pr...
Strona 34 - Tkaniny ciemne
Przegląd programów 34 Tkaniny ciemne 30 °C do 60 °C maks. 4,0 kg Artykuły Ciemne sztuki prania z bawełny lub tkanin mieszanych Wskazówki Prać wywrócone na lewą stronę. 1000 obr/min Funkcje dodatkowe: Namaczanie, Płukanieplus, Prasowanie wstępne, W wodzie Cykle płukania: 3 Jeans 30 °C do 60 °C maks. ...
Strona 35 - Czyszczenie urządzenia
Przegląd programów 35 Dodatkowe płukanie maks. 8,0 kg Artykuły Tekstylia, które powinny zostać tylko przepłukane i odwirowane Wskazówki - W przypadku tekstyliów wrażliwych na zagniatanie zredukować liczbę obrotów wirowania. 1400 obr./min Funkcje dodatkowe: W wodzie Cykle płukania: 2 Krochmalenie zim...
Strona 36 - Namaczanie
Przegląd programów 36 Sport Odzież sportowa 30 °C do 60 °C maks. 3,5 kg Artykuły Ubrania do sportu i fitness, takie jak trykoty i spodnie z włókiensyntetycznych lub tkanin mieszanych Wskazówki - Jeśli artykuły powinny zostać równomiernie zaimpregnowane, podać środek impregnacyjny do komory szuflad...
Strona 37 - Impregnacja
Przegląd programów 37 Outdoor Tekstylia puchowe 30 °C do 60 °C maks. 1 artykuł Artykuły Kurtki outdoorowe, śpiwory, poduszki i inne tekstylia z wypełnie-niem puchowym Wskazówki - Przestrzegać zaleceń konserwacyjnych producenta. - Nie stosować żadnego płynu zmiękczającego. - Usunąć powietrze przed pr...
Strona 38 - Ręczniki; Płukanie plus
Przegląd programów 38 Wellness/Fryzjer Ręczniki zimna do 40 °C maks. 6,0 kg Artykuły Lekko zabrudzone pranie frotte z bawełny Wskazówki W przypadku ciemnych tekstyliów zastosować środek piorący dotkanin kolorowych. 1400 obr/min Cykle płukania: 2 Ręczniki plus 40 °C do 80 °C maks. 6,0 kg Artykuły Moc...
Strona 41 - Pokrowce
Przegląd programów 41 Pokrowce 40 °C do 75 °C maks. 4,0 kg Artykuły Nakładki syntetyczne lub wełniane, np. narzuty Wskazówki Łagodny program piorący do nakładek z wrażliwym wypełnieniem. 800 obr/min Funkcje dodatkowe: Pranie wstępne, W wodzie Cykle płukania: 3 * 1 poduszka (80 x 80 cm) lub 2 poduszk...
Strona 42 - Dezynfekcja RKI
Przegląd programów 42 Dezynfekcja RKI Dez. RKI 85 °C / 15 min maks. 8,0 kg Artykuły Tekstylia z bawełny, lnu lub tkanin mieszanych Wskazówki - Dezynfekcja termiczna z czasem utrzymywania 15 minut przy 85 °C. - Proces dezynfekcji w pojedynczej kąpieli. - Bez pobierania wody przez zasobnik płynu zmi...
Strona 43 - Sluice High
Przegląd programów 43 Dez. RKI 40 °C / 20 min maks. 8,0 kg Artykuły Tekstylia z bawełny lub tkanin mieszanych, posortowane wedługkolorów, nadające się do dezynfekcji Wskazówki - Dezynfekcja chemotermiczna z czasem utrzymywania 20 minut przy 40 °C. - Proces dezynfekcji w pojedynczej kąpieli. - Stos...
Strona 44 - Dezynfekcja I
Przegląd programów 44 Dezynfekcja I Dezynfekcja 85 °C / 15 min maks. 8,0 kg Artykuły Tekstylia z bawełny, lnu lub tkanin mieszanych Wskazówki - Dezynfekcja termiczna z czasem utrzymywania 15 minut przy 85 °C. - Bez pobierania wody przez zasobnik płynu zmiękczającego. 1400 obr/min Funkcje dodatkowe...
Strona 45 - Dezynfekcja II
Przegląd programów 45 Dezynfekcja II Dezynfekcja 80 °C / 10 min maks. 8,0 kg Artykuły Tekstylia z bawełny, lnu lub tkanin mieszanych Wskazówki - Dezynfekcja termiczna z czasem utrzymywania 10 minut przy 80 °C. - Bez pobierania wody przez zasobnik płynu zmiękczającego. 1400 obr/min Funkcje dodatkow...
Strona 47 - WetCare Jedwab
Przegląd programów 47 WetCare Jedwab zimna do 30 °C maks. 3,5 kg Artykuły Nie nadające się do prania tekstylia wrażliwe na zagniatanie lubtekstylia z jedwabiu Wskazówki - Po praniu następuje kąpiel apreturowa. - Do wykończenia zastosować apreturę w płynie, podać środek przez zasobnik płynu zmiękczaj...
Strona 48 - Programy specjalne
Przegląd programów 48 Programy specjalne Można zestawić indywidualnie 5 progra-mów specjalnych i nadać im dowolnenazwy programów. Proszę je wprowa-dzić do tabeli.Załadunek: maksymalnie 8,0 kg Przykład: Intensywny Plus - Pranie wstępne intensywne - Pranie intensywne, 90°C - Płukanie 1 - Płukanie 2 - ...
Strona 49 - Funkcje dodatkowe
Funkcje dodatkowe 49 Programy piorące można uzupełniaćprzez Funkcje dodatkowe.Nie wszystkie funkcje dodatkowe mogązostać wybrane w każdym programieprania. Jeśli jakaś funkcja dodatkowa niejest oferowana, oznacza to, że nie jestona dozwolona dla programu prania. Wybieranie funkcji dodatko-wych Naci...
Strona 50 - Cechy szczególne w przebiegu programów; Wirowanie; Ilość obrotów wirowania końcowego; Wybrać ustawienie programowe; Ochrona przed zagniataniem
Cechy szczególne w przebiegu programów 50 Wirowanie Ilość obrotów wirowania końcowego Przy wybieraniu programu na wyświetla-czu jest zawsze pokazywana maksymal-na ilość obrotów wirowania dla progra-mu prania.Możliwa jest redukcja ilości obrotów wi-rowania końcowego.Nie można jednak wybrać ilości obr...
Strona 51 - Zmiana przebiegu programu; Zmiana programu
Zmiana przebiegu programu 51 W trybie działania z urządzeniem inka-sującym przerwanie lub zmiana progra-mu nie są możliwe. Jeśli pralnica zostanie wyłączona wbieżącym programie, funkcja czuwanianie wyłączy kompletnie pralnicy po 15minutach. W bębnie może się jeszczeznajdować woda, dlatego funkcje be...
Strona 52 - Dokładanie/wyjmowanie prania
Zmiana przebiegu programu 52 Dokładanie/wyjmowanie prania W ciągu pierwszych minut po starcieprogramu można dołożyć lub wyjąć pra-nie. 11:02 Tkaniny kolorowe Status Pozostało: h 0:49 Pranie Dokładanie prania Nacisnąć przycisk dotykowy Dokłada- nie prania . Jeśli komunikat Dokładanie prania n...
Strona 53 - Czyszczenie i konserwacja; Niebezpieczeństwo porażenia
Czyszczenie i konserwacja 53 Niebezpieczeństwo porażenia prądem.Prace czyszczące i konserwacyjnemogą być przeprowadzane wyłączniena urządzeniu pozbawionym prądu.Odłączyć pralnicę od sieci elektrycz-nej. Czyszczenie obudowy i panelusterowania Szkody przez środki czyszczące. Środki czyszczące zawi...
Strona 54 - Czyszczenie zasysacza i kanału; Wyciągnąć zasysacz z komory
Czyszczenie i konserwacja 54 Czyszczenie zasysacza i kanału Wyciągnąć zasysacz z komory . Umyć zasysacz pod bieżącą ciepłąwodą. Wyczyścić również rurkę, naktórą założony jest zasysacz. Założyć z powrotem zasysacz. Wyczyścić kanał spłukiwania płynuzmiękczającego ciepłą wodą i szczo-teczką. Cz...
Strona 55 - Stosować regularnie program; żadnego; rządzenia
Czyszczenie i konserwacja 55 Czyszczenie bębna, zbiornikakąpieli i systemu odpływowego Dzięki regularnemu stosowaniu progra-mów prania z temperaturą przekracza-jącą 60 °C i uniwersalnym proszkiemdo prania zapobiega się potencjalnemuskażeniu pralnicy. Stosować regularnie program Czyszcze- nie urządze...
Strona 56 - Zakręcić zawór z wodą.
Czyszczenie i konserwacja 56 Czyszczenie sitka w dopływiewody W celu ochrony zaworu dopływowegopralnica jest zaopatrzona w sitko. Proszękontrolować to sitko co 6 miesięcy. Wprzypadku częstych przerw w instalacjiwodociągowej czas ten może być krót-szy. Czyszczenie sitek w wężach dopływo-wych Zakręc...
Strona 57 - Nie można uruchomić żadnego programu piorącego; Problem; Po wybraniu programu; nie następuje; pierwsze uruchomienie
Co robić, gdy... 57 Większość usterek i błędów, do których dochodzi podczas codziennego użytkowa-nia, można usunąć samodzielnie. W wielu przypadkach pozwoli to zaoszczędzićczas i koszty, ponieważ nie ma wówczas potrzeby wzywania serwisu.Poniższa tabela powinna być pomocna w ustaleniu przyczyn ewentu...
Strona 58 - Przerwanie programu i komunikat błędu
Co robić, gdy... 58 Przerwanie programu i komunikat błędu Problem Przyczyna i postępowanie Błąd odpływu wody.Wyczyścić filtr odpły-wowy i pompę.Sprawdzić wąż od-pływowy. Odpływ wody jest zablokowany lub utrudniony.Wąż odpływowy jest ułożony zbyt wysoko. Wyczyścić filtr odpływowy i pompę spustową...
Strona 59 - Komunikat błędu na wyświetlaczu
Co robić, gdy... 59 Komunikat błędu na wyświetlaczu 1 Problem Przyczyna i postępowanie Pusty pojemnik do-zujący Jeden z pojemników na środki piorące dla zewnętrzne-go dozowania jest pusty. Napełnić pojemnik na środki piorące. Wskazówka higie-niczna: Uruchomićprogram o tempera-turze przynajmnie...
Strona 60 - Niezadowalające efekty prania; Zastosować proszek do prania z wybielaczem.
Co robić, gdy... 60 Niezadowalające efekty prania Problem Przyczyna i postępowanie Pranie nie zostaje dopra-ne w płynnym środkupiorącym. Środki piorące w płynie nie zawierają wybielaczy. Pla-my z owoców, kawy lub herbaty mogą nie zostać usu-nięte. Zastosować proszek do prania z wybielaczem. Nape...
Strona 61 - Ogólne problemy z pralnicą
Co robić, gdy... 61 Ogólne problemy z pralnicą Problem Przyczyna i postępowanie Pralnica nie stoi spokoj-nie podczas wirowania. Nóżki urządzenia nie stoją równomiernie i nie są za-kontrowane. Wyrównać pralnicę stabilnie i zakontrować nóżki. Występowanie osobli-wych odgłosów pompo-wania. To nie jes...
Strona 62 - CapDosing
Co robić, gdy... 62 Problem Przyczyna i postępowanie W zasobniku płynuzmiękczającego obokkapsułki stoi woda. Przycisk dotykowy CapDosing nie został uaktywniony lub po ostatnim praniu nie została wyjęta pusta kap-sułka. Uaktywnić przycisk dotykowy CapDosing przy na- stępnym zastosowaniu kapsułki. ...
Strona 63 - Nie można otworzyć drzwiczek; Podczas prania drzwiczki są zablokowane.; lub; Zamek drzwiczek jest zablokowany.
Co robić, gdy... 63 Nie można otworzyć drzwiczek Problem Przyczyna i postępowanie Drzwiczki nie dają się o-tworzyć podczas prania. Podczas prania drzwiczki są zablokowane. Nacisnąć przycisk dotykowy Start/Stop . Wybrać pozycję Przerywanie programu lub Dokładanie prania . Drzwiczki zostają odblok...
Strona 64 - Zatkany odpływ; Niebezpieczeństwo odniesienia
Co robić, gdy... 64 Otwieranie drzwiczek przy za-tkanym odpływie i/lub brakuprądu Niebezpieczeństwo porażenia prądem.Prace związane z czyszczeniem i kon-serwacją mogą być przeprowadzanewyłącznie na urządzeniu pozbawio-nym prądu.Odłączyć pralnicę od sieci elektrycz-nej. Otworzyć klapkę systemu od...
Strona 65 - Czyszczenie filtra odpływowego; Jeśli nie wypływa już więcej woda:; Niebezpieczeństwo zranień przez
Co robić, gdy... 65 Czyszczenie filtra odpływowego Jeśli nie wypływa już więcej woda: Wykręcić całkowicie filtr odpływowy. Dokładnie wyczyścić filtr odpływowy. Sprawdzić, czy skrzydełka pompyspustowej łatwo się obracają. Ewentualnie usunąć ciała obce (guzi-ki, monety itp.) i wyczyścić wnętrz...
Strona 67 - Wyposażenie dodatkowe
Serwis 67 Kontakt w przypadku wystąpie-nia usterki W razie wystąpienia usterek, których niemożna usunąć samodzielnie, proszę po-wiadomić sprzedawcę Miele lub serwisMiele. Dane kontaktowe serwisu Miele znaj-dują się na końcu tego dokumentu. Serwis wymaga podania modelu i nu-meru fabrycznego urządzeni...
Strona 68 - Instalacja; Widok z przodu
Instalacja *INSTALLATION* 68 Widok z przodu a Wąż dopływowy wody zimnej b Wąż dopływowy wody ciepłej c Podłączenie elektryczne d Panel sterowania e Szuflada na środki piorące f Drzwiczki g Klapka filtra odpływowego i pompyspustowej ew. zaworu spustowegoi odblokowywania awaryjnego h Nóżki regulowane ...
Strona 69 - Widok z tyłu; Podłączenie elektryczne
Instalacja *INSTALLATION* 69 Widok z tyłu a Podłączenie elektryczne b Złącze dla komunikacji z zewnętrzny-mi urządzeniami c Miejsce do podłączenia zewnętrzne-go dozowania d Wąż odpływowy (wariant z pompąspustową) e Wąż dopływowy (zimna woda) f Wąż dopływowy (ciepła woda), gdyzamontowany g Krążki zab...
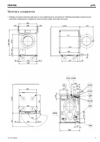
Strona 70 - Sytuacje instalacyjne; Widok z boku; Ustawienie pralnicy z suszarką; Ustawienie na cokole
Instalacja *INSTALLATION* 70 Sytuacje instalacyjne Widok z boku 1132 850 >1000 714 Ustawienie pralnicy z suszarką w słup-ku min. 300 1702 Pralnica może zostać zestawiona z su-szarką Miele w formie słupka. W tymcelu wymagany jest zestaw połączenio-wy (wyposażenie dodatkowe). Ustawienie pralnicy ...
Strona 72 - Miejsce ustawienia; Ustawić pralnicę poziomo i stabilnie.
Instalacja *INSTALLATION* 72 Miejsce ustawienia Najlepszym podłożem do ustawieniajest strop betonowy. Strop betonowy,w przeciwieństwie do stropów z belekdrewnianych lub innych stropów o„miękkich“ właściwościach, jest narażo-ny w niewielkim stopniu na wibracjeprzy wirowaniu. Ustawić pralnicę poziom...
Strona 73 - Wyciągnąć drążek transportowy.; Zamykanie otworów; Mocowanie drążków transportowych
Instalacja *INSTALLATION* 73 Wyjmowanie prawego drążka trans-portowego Nacisnąć klapkę na zewnątrz i obrócićdrążek transportowy o 90° za pomocązałączonego klucza płaskiego. Wyciągnąć drążek transportowy. Zamykanie otworów Niebezpieczeństwo zranień przez ostre krawędzie.Przy sięganiu do niezaśl...
Strona 74 - Otwieranie klapek; Wypoziomowanie pralnicy; Wykręcanie i kontrowanie nóżek
Instalacja *INSTALLATION* 74 Wskazówka: Zwrócić uwagę na to, żeby otwory zostały nałożone na wypustki . Szkody przez nieprawidłowy transport.Przy transporcie bez zabezpieczeniatransportowego pralnica może zostaćuszkodzona.Zachować zabezpieczenie transpor-towe. Przed transportem pralnicy(np. pr...
Strona 75 - Przytrzymać nóżkę; Pałąk mocujący dla cokołu
Instalacja *INSTALLATION* 75 Sprawdzić za pomocą poziomnicy, czypralnica jest wypoziomowana. Przytrzymać nóżkę 1 za pomocą szczypiec hydraulicznych. Dokręcićnakrętkę kontrującą 2 z powrotem do obudowy za pomocą załączonego klu-cza płaskiego. Szkody przez nieprawidłowo ustawioną pralnicę.W przy...
Strona 76 - Montaż pałąka mocującego; Włożyć kołki w wywiercone otwory.
Instalacja *INSTALLATION* 76 Założyć pałąk mocujący na przednienóżki urządzenia. Zaznaczyć ołówkiem pozycję przed-niej krawędzi pałąka mocującego. Zdjąć pałąk mocujący z nóżek urzą-dzenia. Przesunąć pralnicę ostrożnie, aż bę-dzie wystarczająco dużo miejsca dozamontowania pałąka mocującego. M...
Strona 77 - System inkasujący
Instalacja *INSTALLATION* 77 Zewnętrzne urządzenia sterują-ce Do podłączenia zewnętrznych urządzeństerujących (np. urządzeń inkasującychlub sterowania obciążeniem) jest wyma-gany moduł dodatkowy „XCI-Box“. System inkasujący Pralnica może zostać wyposażone wsystem inkasujący (wyposażenie dodat-kowe)....
Strona 78 - Przyłącza wodne; Tylko dla Niemiec; Woda Pranie
Instalacja *INSTALLATION* 78 Przyłącza wodne Tylko dla Niemiec W celu ochrony wody pitnej, pomiędzyzaworem wody i wężem dopływowymmusi zostać zamontowane dołączonezabezpieczenie przeciwzwrotne. Przy fa-chowo wykonanej instalacji domowejprzewidziane tutaj przyłącza (np. zawórkątowy) są już wyposażone...
Strona 79 - Konserwacja; Przykręcić wąż ciepłej wody.
Instalacja *INSTALLATION* 79 Konserwacja W przypadku wymiany należy stosowaćwyłącznie oryginalne węże Miele z wy-trzymałością na rozerwanie 7000 kPa. W celu ochrony zaworu dopływowe-go w wolnym końcu węża dopływo-wego i w króćcu dopływowym znaj-dują się sitka.Nie wolno usuwać żadnego z tych si-tek. ...
Strona 80 - Odpływ wody; Zawór spustowy; Podłączenie do umywalki za pomocą
Instalacja *INSTALLATION* 80 Odpływ wody Zawór spustowy Opróżnianie urządzenia następuje przezmotorycznie napędzany zawór spusto-wy. Za pomocą dostępnego w handlukróćca kątowego DN 70 można dokonaćpodłączenia do budowlanego odpływupodłogowego (wpust ściekowy z zabez-pieczeniem przeciwzapachowym). Po...
Strona 81 - Dla pralnic z wtyczką obowiązuje:
Instalacja *INSTALLATION* 81 Podłączenie elektryczne Opis dotyczy pralnic z wtyczką i pralnicbez wtyczki sieciowej. Dla pralnic z wtyczką obowiązuje: - Pralnica jest gotowa do podłączenia.- Należy zawsze zagwarantować do- stępność wtyczki, żeby istniała możli-wość odłączenia pralnicy od zasilania. ...
Strona 82 - Dane techniczne
Dane techniczne 82 Wysokość 850 mm Szerokość 596 mm Szerokość (dla urządzeń z pokrywą ze staliszlachetnej) 605 mm Głębokość 714 mm Głębokość przy otwartych drzwiczkach 1132 mm Ciężar ok. 100 kg Maksymalne obciążenie podłoża w czasiepracy 3000 N Zdolność załadunkowa 8,0 kg suchego prania Napięcie zas...
Strona 83 - Deklaracja zgodności
Dane techniczne 83 Deklaracja zgodności Niniejszym Miele oświadcza, że ta pralka spełnia wymagania Dyrektywy2014/53/WE. Pełny tekst deklaracji zgodności WE jest dostępny pod jednym z poniższych adre-sów internetowych: - Produkty, Pobieranie, na stronie www.miele.pl- Serwis, Materiały informacyjne, n...
Strona 84 - Poziom administratora; Wyświetlacz przechodzi do menu; Dostęp poprzez kod; Kod brzmi; Zmiana kodu
Poziom administratora 84 Otwieranie poziomu administra-tora Włączyć pralnicę. 11:02 Programy Preferowane Administrator Pomoc Nacisnąć przycisk dotykowy Admini- strator . Wyświetlacz przechodzi do menu Po- ziom administratora . Dostęp poprzez kod Poziom administratora musi zostaćotwarty...
Strona 85 - strzegać ustawienia; Ustalanie języków; Języki dla ustawienia; mogą zostać zmienio-
Poziom administratora 85 Obsługa/Wskazania Język Wyświetlacz może operować w róż-nych językach. Poprzez podmenu Językmożna wybrać ustawiony na stałe ję-zyk administracyjny. Dla bieżącego programu język obsługimoże zostać zmieniony za pomocą przy-cisku dotykowego . Wybór języków Wyświetlacz może po...
Strona 86 - Głośność
Poziom administratora 86 Godzina Po wybraniu formatu czasu możnaustawić godzinę. Format czasu - 24-godz. (ustawienie fabryczne)- 12-godz.- Bez zegara Ustawianie - Teraz można ustawić godzinę. Data Po wybraniu formatu daty można usta-wić datę. Format daty - DD.MM.YYYY- YYYY.MM.DD- MM.DD.YYYY Data - T...
Strona 87 - Wyłączanie wskazań
Poziom administratora 87 Wyłączanie wskazań W celu oszczędzania energii wyświe-tlacz jest wygaszany. Przycisk dotyko-wy Start/Stop miga powoli. Zmiana tego ustawienia prowadzi dopodwyższonego zużycia energii. wył. Brak wygaszania. Wł. po 10 min, nie w bież. pr. Wyświetlacz pozostaje włączony pod-cza...
Strona 88 - Jednostki temperatury; Wybieranie programów; Sterowanie
Poziom administratora 88 Jednostki temperatury Mogą Państwo wybrać jednostki wy-świetlania temperatury. Ustawienie fabryczne: °C/Celsjusz Jednostki wagi Mogą Państwo wybrać, czy ilość ła-dunku ma być wyświetlana w „kg“ czyw „lbs“. Dodatkowo wskazanie możezostać wyłączone. Ustawienie fabryczne: kg Lo...
Strona 90 - Pakiety; Przyporządk. programów
Poziom administratora 90 Wybór w menu Preferowane i wybór w wariantach sterowania WS-poj. i WS- logo zostaje zmniejszony. Po dezaktywacji programu w zamianwyświetlane jest <pusty> . Program można w każdej chwili z powrotem do-dać. Ilość programów preferowanych możnazmniejszyć nawet do 0...
Strona 91 - Higiena; Kod Ekspert; Technika procesowa; Bez zagnieceń; Tkaniny do gotowania/
Poziom administratora 91 Przyp. kolor. programu Do programu preferowanego możnaprzyporządkować kolor. Program prefe-rowany otrzymuje kolorową ramkę naliście programów preferowanych, któ-rej kolor można wybrać. Ustawienie fabryczne: wł. Higiena Program Higiena urządzenia jest wy- świetlany na liście ...
Strona 92 - Czas prania
Poziom administratora 92 Temp. Pr.wst. Got./kol. W programie Tkaniny do gotowania/ kolorowe można wybrać temperaturę dla prania wstępnego. - 30 °C (ustawienie fabryczne)- 35 °C- 40 °C- 45 °C Czas prania Pranie wstępne Tkaniny do gotowania/kolorowe W programie Tkaniny do gotowania/ kolorowe można prz...
Strona 93 - Płukanie dezynfekujące; Czyszczenie pompy spust.
Poziom administratora 93 Płukania Got./Kolor. W programie Tkaniny do gotowania/ kolorowe można zmienić ilość cykli płukania. - 1 cykl płukania- 2 cykle płukania (ustawienie fabrycz- ne) - 3 cykle płukania- 4 cykle płukania- 5 cykli płukania Płukania Tk. delik. W programie Tkaniny delikatne można zmi...
Strona 94 - Okres serwisowy; Aplikacje zewnętrzne; Czujnik opróżnienia; Lance ssące mają kontakt zwierny.
Poziom administratora 94 Okres serwisowy Na wyświetlaczu może zostać wyświe-tlona informacja serwisowa. Możnaprzy tym ustawić datę lub ilość godzinroboczych. Do wyboru są nawet 3 komunikaty z in-dywidualnym tekstem.Indywidualnie wybrany tekst komunika-tu jest pokazywany na koniec programu imoże zost...
Strona 95 - Wartość regulacyjna Dozowanie 1–6
Poziom administratora 95 Wartość regulacyjna Dozowanie 1–6 Aby móc reagować na tolerancje poja-wiające się w trakcie użytkowania wsystemie pomp, można skorygowaćwielkość dozowania (ml/min) dlapomp. Wartość kalibracyjna możne zostać zre-dukowana w 3 stopniach lub podwyż-szona w 3 stopniach.Wartość ka...
Strona 96 - WiFi
Poziom administratora 96 Dostępność produktów cyfrowychMiele Możliwość korzystania z produktów cy-frowych Miele zależy od dostępnościusług w Państwa kraju.Nie wszystkie usługi są dostępne w każ-dym kraju.Informacje o dostępności można uzy-skać na stronie internetowejwww.miele.com. WiFi Sterowanie po...
Strona 97 - Czas sieciowy; slave; Remote; Aktywacja
Poziom administratora 97 Czas sieciowy Data i godzina mogą być synchronizo-wane przez sieć. - wył. Data i godzina nie będą synchronizo-wane przez sieć. - jako master Urządzenie znajduje się w sieci bezpołączenia internetowego. Urządze-nie jest zadeklarowane jako master iwysyła dane do urządzeń slave...
Strona 98 - Ustawienie; Gdy uaktywniono; Parametry urządzenia; Schładzanie kąpieli; - przy zawieszeniu węża odpływowego
Poziom administratora 98 SmartGrid Ustawienie SmartGrid jest widoczne tyl- ko wtedy, gdy sieć WiFi jest skonfigu-rowana i uaktywniona. Za pomocą tejfunkcji można automatycznie urucho-mić pralnicę, gdy taryfa elektryczna do-stawcy prądu jest szczególnie korzyst-na. Gdy uaktywniono SmartGrid , przycis...
Strona 99 - Dopływ wody
Poziom administratora 99 Dopływ wody Pranie wstępne Można wybrać rodzaj wody dla praniawstępnego. - zimna Do prania wstępnego będzie pobiera-na wyłącznie zimna woda. - ciepła Do prania wstępnego będzie dodat-kowo pobierana ciepła woda.Pobieranie ciepłej wody jest dozwolo-ne wyłącznie w przypadku wyb...
Strona 100 - Obniżenie temperatury; zapobiegnie; ma być; Informacje prawne; Licencje open source
Poziom administratora 100 Obniżenie temperatury Aby uniknąć przedwczesnego wrzeniakąpieli piorącej na dużych wysoko-ściach, można obniżyć temperaturę ką-pieli piorącej. Ustawienie fabryczne: Wył. Obniżone ciśn. wody Przy ciśnieniu wody poniżej 100 kPa(1 bar) pralnica przerywa program z ko-munikatem ...
Strona 101 - - Brak urządzenia inkasującego; Zewn. blokada programu
Poziom administratora 101 Urządzenie inkasujące Do podłączenia urządzenia inkasujące-go wymagane jest wyposażenieXCI-AD lub XCI-Box. W razie potrzeby późniejszej zmianyproszę zasięgnąć informacji w serwisieMiele. Ustawienia dla urządzenia inkasujące-go Urządzenie inkasujące powinno byćpodłączone. - ...
Strona 102 - Przerywanie programu; - Puszczenie przycisku start; Darmowe programy; Dla centralnego sterowania.
Poziom administratora 102 Przerywanie programu Bieżący program może zostać przer-wany pomimo blokady. - Wł., bez kodu (ustawienie fabryczne) - Wł., z kodem (kod z ustawienia Kod Ekspert ) - Bez przerywania Sygnał zwrot. na urz. inkas. Ustawienie sygnału zwrotnego urzą-dzenia wrzutowego. - Ustawienie...