Miele APDR 002 - Instrukcja obsługi

Miele APDR 002 – Instrukcja obsługi, czytaj za darmo online w formacie PDF. Mamy nadzieję, że to pomoże rozwiązać wszelkie problemy, które mogą się pojawić. Jeśli masz dodatkowe pytania, skontaktuj się z nami za pomocą formularza kontaktowego.
Spis treści:
- Strona 115 – polski
- Strona 116 – Utylizacja starego urządzenia
- Strona 117 – Wskazówki bezpieczeństwa i ostrzeżenia; Użytkowanie zgodne z przeznaczeniem
- Strona 119 – Przed zamocowaniem XCI-Boxa
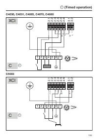
- Strona 121 – Programowanie; Podłączenie elektryczne; Dane techniczne
- Strona 123 – Tabela obciążalności prądowej
de
Gebrauchs- und Montageanweisung XCI-Box
cs
Návod k obsluze a montáži pro XCI-Box
da
Brugs- og monteringsanvisning XCI-Box
en
Operating and installation instructions for XCI-Box
es
Instrucciones de manejo y montaje de la XCI-Box
fi
Käyttö- ja asennusohje XCI-Box
fr
Mode d'emploi et instructions de montage XCI-Box
hr
Upute za uporabu i ugradnju za XCI-Box
hu
Használati és szerelési útmutató – XCI-Box
it
Istruzioni d'uso e di montaggio XCI-Box
nl
Gebruiks- en montagehandleiding XCI-Box
no
Bruks- og monteringsanvisning XCI-Box
pl
Instrukcja użytkowania i montażu XCI-Box
pt
Instruções de utilização e montagem de XCI-Box
sv
Bruks- och monteringsanvisning XCI-Box
tr
Kullanım Kılavuzu ve Montaj Talimatı XCI-Box
M.-Nr. 10 651 581
"Ładowanie instrukcji" oznacza, że należy poczekać, aż plik się załaduje i będzie można go czytać online. Niektóre instrukcje są bardzo obszerne, a czas ich ładowania zależy od prędkości Twojego internetu.
Podsumowanie
pl - Spis treści 115 polski .................................................................................................................. 116 Ochrona środowiska naturalnego ...................................................................... 116Wskazówki bezpieczeństwa i ostrzeżenia ............
pl - polski 116 Ochrona środowiska natural-nego Utylizacja opakowania transportowe-go Opakowanie chroni urządzenie przeduszkodzeniami podczas transportu. Ma-teriały opakowaniowe zostały specjalniedobrane pod kątem ochrony środowi-ska i techniki utylizacji i dlatego nadająsię do ponownego wykorzystan...
pl - polski 117 Wskazówki bezpieczeństwa i ostrzeżenia Ten XCI-Box spełnia wymagania obowiązujących przepisów bez-pieczeństwa. Nieprawidłowe użytkowanie może jednak doprowa-dzić do wyrządzenia szkód osobowych i rzeczowych. Proszę najpierw przeczytać tę instrukcję użytkowania i montażu.Zawiera ona wa...