Miele APWM 019 - Instrukcja obsługi

Miele APWM 019 – Instrukcja obsługi, czytaj za darmo online w formacie PDF. Mamy nadzieję, że to pomoże rozwiązać wszelkie problemy, które mogą się pojawić. Jeśli masz dodatkowe pytania, skontaktuj się z nami za pomocą formularza kontaktowego.
Spis treści:
- Strona 118 – pl - Ochrona środowiska naturalnego; Utylizacja opakowania transportowego
- Strona 119 – pl - Wskazówki bezpieczeństwa i ostrzeżenia; Użytkowanie zgodne z przeznaczeniem
- Strona 120 – Po zamontowaniu na ścianie Connector-Box musi być dostępny
- Strona 121 – Sposób działania
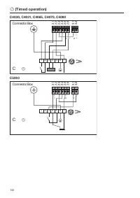
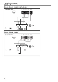
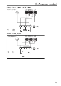
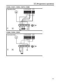
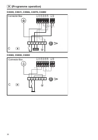
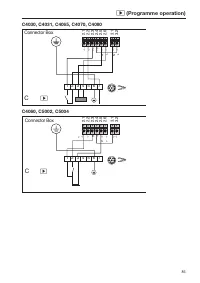
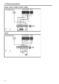
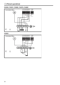
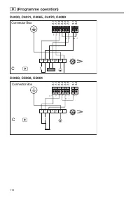
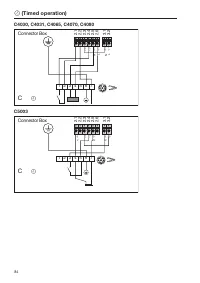
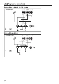
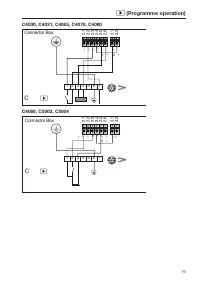
- Strona 122 – Przeprowadzanie instalacji
- Strona 124 – Obciążalność prądowa wejść i wyjść; Przy podłączaniu zewnętrznego sprzętu innych producentów mini-; Instalowanie systemu inkasującego
- Strona 126 – Tabela Funkcja i obciążalność prądowa Kodowanie 1
- Strona 128 – Tabela Funkcja i obciążalność prądowa Kodowanie 2
- Strona 130 – pl - Podłączenie elektryczne; Podłączenie elektryczne; Connector-Box nie posiada żadnego dodatkowego przełącznika; Dane techniczne; Napięcie
Connector-Box
de
Gebrauchs- und Montageanweisung
nl
Gebruiks- en montagehandleiding Connectorbox
no
Bruks- og monteringsanvisning
fi
Käyttö- ja asennusohje
sv
Bruks- och monteringsanvisning
hr
Upute za uporabu i ugradnju
cs
Návod k obsluze a montáži
pl
Instrukcja użytkowania i montażu
M.-Nr. 12 009 360
"Ładowanie instrukcji" oznacza, że należy poczekać, aż plik się załaduje i będzie można go czytać online. Niektóre instrukcje są bardzo obszerne, a czas ich ładowania zależy od prędkości Twojego internetu.
Podsumowanie
pl - Ochrona środowiska naturalnego 118 Utylizacja opakowania transportowego Opakowanie chroni Connector-Box przed uszkodzeniami podczastransportu. Materiały opakowaniowe zostały specjalnie dobrane podkątem ochrony środowiska i techniki utylizacji i dlatego nadają się doponownego wykorzystania. Zwro...
pl - Wskazówki bezpieczeństwa i ostrzeżenia 119 Ten Connector-Box spełnia wymagania obowiązujących przepisówbezpieczeństwa. Nieprawidłowe użytkowanie może jednak dopro-wadzić do wyrządzenia szkód osobowych i rzeczowych. Proszę najpierw przeczytać tę instrukcję użytkowania i montażu dlaurządzenia Con...
pl - Wskazówki bezpieczeństwa i ostrzeżenia 120 Po zamontowaniu na ścianie Connector-Box musi być dostępny do celów serwisowych. Przewody przyłączeniowe skrzynki przyłączeniowej Connector-Box muszą być zamontowane i ułożone z zachowaniem fachowości. Do przyłączenia zewnętrznego sprzętu należy ...