Strona 2 - Spis treści; Pranie wstępne
Spis treści 2 Ochrona środowiska naturalnego ............................................................................. 6 Wskazówki bezpieczeństwa i ostrzeżenia ............................................................... 7 Obsługa pralnicy ........................................................
Strona 3 - Czyszczenie i konserwacja
Spis treści 3 Czyszczenie i konserwacja ......................................................................................... 44 Czyszczenie obudowy i panelu sterowania ................................................................ 44 Czyszczenie szuflady na środki piorące .......................
Strona 4 - Poziom administratora
Spis treści 4 Poziom administratora ................................................................................................. 72 Dostęp poprzez kod ....................................................................................................... 72 Zmiana kodu ............................
Strona 6 - Ochrona środowiska naturalnego; Utylizacja opakowania
Ochrona środowiska naturalnego 6 Utylizacja opakowania Opakowanie służy do manewrowaniai chroni urządzenie przed uszkodzeniamipodczas transportu. Materiały opakowa-niowe zostały specjalnie dobrane podkątem ochrony środowiska i technikiutylizacji i generalnie nadają się do po-nownego wykorzystania.Zw...
Strona 7 - Wskazówki bezpieczeństwa i ostrzeżenia; Użytkowanie zgodne z przeznaczeniem; Urządzenia należy używać zgodnie z instrukcją użytkowania, regu-
Wskazówki bezpieczeństwa i ostrzeżenia 7 Ta pralnica spełnia wymagania obowiązujących przepisów bezpie-czeństwa. Nieprawidłowe użytkowanie może jednak doprowadzićdo wyrządzenia szkód osobowych i rzeczowych.Przed uruchomieniem pralnicy należy uważnie przeczytać instrukcjęużytkowania. Zawiera ona ważn...
Strona 8 - Bezpieczeństwo techniczne
Wskazówki bezpieczeństwa i ostrzeżenia 8 Dzieci poniżej 8 roku życia należy trzymać z daleka od pralnicy, chyba że są pod stałym nadzorem. Dzieciom powyżej 8 roku życia wolno używać pralnicy bez nadzoru tylko wtedy, gdy została im ona objaśniona w takim stopniu, że mogąz niej bezpiecznie korzyst...
Strona 10 - Możliwa jest czasowa lub stała praca na autonomicznym lub nie-; Prawidłowe użytkowanie; Nie ustawiać pralnicy w pomieszczeniach zagrożonych mrozem.
Wskazówki bezpieczeństwa i ostrzeżenia 10 Możliwa jest czasowa lub stała praca na autonomicznym lub nie- zsynchronizowanym z siecią systemie zasilania ( jak np. sieci wyspo-we, systemy zasilania awaryjnego). Warunkiem dla takiej eksploatacjijest to, żeby system zasilania odpowiadał specyfikacji EN...
Strona 12 - Wyposażenie
Wskazówki bezpieczeństwa i ostrzeżenia 12 Jeśli środek piorący dostanie się do oczu, natychmiast wypłukać go obficie letnią wodą. W razie przypadkowego połknięcia natychmiastzasięgnąć porady lekarskiej. Osoby z uszkodzeniami skóry lub ze skó-rą wrażliwą powinny unikać kontaktu ze środkiem piorącym...
Strona 13 - Obsługa pralnicy; Panel sterowania; Przycisk dotykowy Język
Obsługa pralnicy 13 Panel sterowania a Przycisk dotykowy Język Do wybierania aktualnego języka ob-sługi.Po zakończeniu programu zostanie zpowrotem wyświetlony język admini-stratora. b Wyświetlacz dotykowy z przyciska-mi dotykowymi Pokazuje wybrany program.Za pomocą przycisków dotykowychna wyświetl...
Strona 14 - Symbole na panelu sterowania
Obsługa pralnicy 14 Symbole na panelu sterowania prawa strona: Mop Mop plus Mop Dezynfekcja termiczna Mop Dezynfekcja chemo-termiczna PRO Bawełna PRO lewa strona: Ścierki Ścierki plus Ścierki Dezynfekcja termiczna Ścierki Dezynfekcja chemo-termiczna Pady Pozostałe programy
Strona 15 - Symbole na wyświetlaczu
Obsługa pralnicy 15 Symbole na wyświetlaczu Temperatura : Za pomocą przycisku dotykowego Temperatura można ustawić temperaturę programu prania. Ilość obrotów : Za pomocą przycisku dotykowego Ilość obrotów można ustawić ilość obrotów wirowania programu prania. Funkcje dodatkowe : Za pomocą przy...
Strona 16 - Stop; Menu podstawowe
Obsługa pralnicy 16 Przyciski dotykowe i wyświe-tlacz dotykowy z przyciskamidotykowymi Przyciski dotykowe , i Start/ Stop oraz przyciski dotykowe na wy- świetlaczu reagują na kontakt z palcem.Każde dotknięcie zostaje potwierdzonedźwiękiem. Głośność dźwięku przycis-ków można zmienić lub wyłączyć ...
Strona 17 - Przykłady obsługi; Listy wyboru; Wybór uproszczony; Ustawianie wartości liczbowych; OK; Wychodzenie z podmenu; OK
Obsługa pralnicy 17 Przykłady obsługi Listy wyboru Po strzałkach i po prawej stronie wyświetlacza można rozpoznać, czy listawyboru jest dostępna. Język deutsch čeština english (AU) dansk Naciśnięcie przycisku dotykowego przesuwa listę wyboru do dołu. Naci-śnięcie przycisku dotykowego p...
Strona 18 - Pierwsze uruchomienie; Szkody przez nieprawidłowe; Opróżnianie bębna; Wyjąć kabłąk i materiały montażowe.; Włączanie pralnicy; Nacisnąć przycisk
Pierwsze uruchomienie 18 Szkody przez nieprawidłowe ustawienie i podłączenie.Nieprawidłowe ustawienie i podłą-czenie pralnicy może doprowadzić dowyrządzenia poważnych szkód rze-czowych.Proszę przestrzegać wskazówek za-mieszczonych w rozdziale „Instala-cja“. Opróżnianie bębna W bębnie może znajdowa...
Strona 19 - Ustawianie języka wyświetlacza; Ustawianie godziny
Pierwsze uruchomienie 19 Ustawianie języka wyświetlacza Pojawia się wezwanie do ustawienia ję-zyka wyświetlacza. Przestawienie językajest możliwe w każdej chwili (patrz roz-dział „Poziom administratora“, punkt„Język“). Język deutsch čeština english (AU) dansk Naciskać przycisk dotykowy lub...
Strona 21 - podłączona do wody zimnej i ciepłej.; Nacisnąć przycisk dotykowy; podłączona do wody zimnej i ciepłej.
Pierwsze uruchomienie 21 Konfigurowanie urządzenia in-kasującego W celu skonfigurowania urządzenia in-kasującego proszę przeczytać rozdział„Poziom administratora“, punkt „Urzą-dzenie inkasujące“.Jeśli nie chce się konfigurować żadnegourządzenia inkasującego, konfigurowanieurządzenia inkasującego moż...
Strona 23 - Przygotowanie prania; Sortowanie rzeczy do prania; nie prać
1. Przygotowanie prania 23 Szkody przez ciała obce. Gwoździe, monety, spinacze biuroweitd. mogą uszkodzić tekstylia i podze-społy urządzenia.Skontrolować rzeczy do prania lubpranie przed rozpoczęciem programupod kątem występowania ciał obcychi je usunąć. Szkody przez środki czyszczące zawierając...
Strona 24 - Załadunek pralnicy; Otwieranie drzwiczek
2. Załadunek pralnicy 24 Otwieranie drzwiczek Chwycić za zagłębienie uchwytu i o-tworzyć drzwiczki przez pociągnięcie. Skontrolować bęben pod kątem ciałobcych, zanim włoży się do niegopranie. Włożyć do bębna luźno rozłożone mo-py, ścierki lub pady. Włożyć do bębna luźno rozłożone pra-nie. Sztu...
Strona 25 - Wybieranie programu; Naciskać przyciski dotykowe
3. Wybieranie programu 25 Włączanie pralnicy Nacisnąć przycisk . Wybieranie programu Wybór programów standardowych po-przez pokrętło programatora Obrócić pokrętło programatora na żą-dany program. Na wyświetlaczu pojawia się wybranyprogram. Następnie wyświetlacz prze-chodzi do menu podstawoweg...
Strona 26 - Wybieranie ustawień programowych; Wybieranie temperatury; Wybieranie dalszych opcji
4. Wybieranie ustawień programowych 26 Wybieranie temperatury W niektórych programach można zmie-nić ustawioną wstępnie temperaturę. Nacisnąć przycisk dotykowy Tempe- ratura . Na wyświetlaczu pojawiają się możliwedo wybrania temperatury: Tempe- ratura 40°C 60°C 30°C Wybrać żądaną temperaturę...
Strona 27 - Dodawanie środków piorących; Szuflada na środki piorące; Dozowanie środków piorących; Uzupełnianie środków piorących; mory
5. Dodawanie środków piorących 27 Pralnica oferuje Państwu różne możli-wości dodawania środków piorących. Szuflada na środki piorące Można stosować wszystkie środki piorą-ce, które są przeznaczone do pralek au-tomatycznych. Dozowanie środków piorących Przy dozowaniu proszę przestrzegaćwskazówek prod...
Strona 28 - Wybrać program; Przestrzegać maksymalne-; Środki odbarwiające i farbujące; Szkody przez środki odbarwiają-; Zewnętrzne dozowanie
5. Dodawanie środków piorących 28 Oddzielne płukanie zmiękczające lubpłukanie usztywniające Wybrać program Dodatkowe płuka- nie . W razie potrzeby skorygować ilośćobrotów wirowania. Wlać płyn zmiękczający, płyn usztyw-niający lub krochmal w płynie do ko-mory . Przestrzegać maksymalne- go poz...
Strona 29 - Uruchamianie programu; Zakończenie programu; Wyjmowanie prania
6. Start programu - koniec programu 29 Uruchamianie programu Gdy tylko program może zostać urucho-miony, przycisk dotykowy Start/Stop pulsuje światłem. Nacisnąć przycisk dotykowy Start/ Stop . Drzwiczki zostają zablokowane (symbol ) i następuje uruchomienie programu prania. Gdy został wybrany cz...
Strona 30 - Programowanie startu; łe wybory
Programowanie startu 30 Za pomocą funkcji programowania star-tu można wybrać czas do startu progra-mu lub czas zakończenia programu(patrz rozdział „Poziom administratora“,punkt „Programowanie startu“). Wybieranie czasu opóźnieniastartu Nacisnąć przycisk dotykowy Pozosta- łe wybory . Wybrać opc...
Strona 31 - Przegląd programów; Programy Mop
Przegląd programów 31 Programy Mop - Przed praniem głównym zostanie przeprowadzone odwadnianie* i płukanie wstępne. Mop 60 °C maks. 6,0 kg Artykuły Mopy z bawełny, tkanin mieszanych lub mikrofazy Wskazówki Stosować odpowiednie specjalne środki piorące. 1400 obr/min Funkcje dodatkowe: 2. płukanie w...
Strona 32 - Programy Ścierki; Ścierki
Przegląd programów 32 Programy Ścierki - Przed praniem głównym zostanie przeprowadzone płukanie wstępne. Ścierki 60 °C maks. 3,0 kg Artykuły Ścierki z bawełny, tkanin mieszanych lub mikrofazy Wskazówki Stosować odpowiednie specjalne środki piorące. 1400 obr/min Funkcje dodatkowe: Pranie wstępne ...
Strona 33 - Bawełna PRO; Pakiety programowe; Pozostałe programy
Przegląd programów 33 Bawełna PRO 60 °C maks. 6,0 kg Artykuły Tekstylia z tkanin mieszanych (50% bawełny i 50% poliestru) Wskazówki - Szczególnie wydajny program piorący do normalnie zabrudzo- nych tekstyliów z bawełny lub mieszanek bawełny z włóknamisyntetycznymi, jak np. odzież robocza. 1400 obr/m...
Strona 34 - Firanki; Czyszczenie urządzenia
Przegląd programów 34 Firanki <20° do 40 °C maks. 2,0 kg Artykuły Firanki zadeklarowane przez producenta jako nadające się do pra-nia maszynowego Wskazówki - Przed praniem głównym zostanie przeprowadzone płukanie wstępne. - W przypadku firanek wrażliwych na zagniatanie wyłączyć wiro- wanie. 600 o...
Strona 35 - Mop Dezynfekcja + rtu
Przegląd programów 35 Preparacja mopów (ready tu use) - Mopy zostaną uprane i wstępnie spreparowane w jednym cyklu roboczym.- Przed praniem głównym zostanie przeprowadzone odwadnianie* i płukanie wstępne.- W przypadku dezynfekcji nie następuje pobieranie wody przez komorę spłukiwa- nia płynu zmiękcz...
Strona 36 - Ścierki Dezynfekcja + rtu
Przegląd programów 36 Preparacja ścierek (ready tu use) - Ścierki zostaną uprane i wstępnie spreparowane w jednym cyklu roboczym.- Przed praniem głównym zostanie przeprowadzone płukanie wstępne.- W przypadku dezynfekcji nie następuje pobieranie wody przez komorę spłukiwa- nia płynu zmiękczającego. Ś...
Strona 37 - Ready to use
Przegląd programów 37 Ready to use - Końcową wilgotność resztkową wybiera się za pomocą przycisku dotykowego . Mop + rtu 40 °C do 90 °C maks. 6,0 kg Artykuły Mopy z bawełny, tkanin mieszanych lub mikrofazy Wskazówki - Mopy zostaną uprane i wykończone w jednym cyklu roboczym. - Przed praniem głów...
Strona 38 - Tekstylia robocze
Przegląd programów 38 Tekstylia robocze Olej/tłuszcz Specjalny 60 °C do 90 °C maks. 6,0 kg Artykuły Fartuchy robocze, kurtki robocze, czapki, ścierki z bawełny lub tka-nin mieszanych Wskazówki - W przypadku silniejszych zabrudzeń uaktywnić pranie wstępne. - Zastosować środki piorące w płynie. 1400 o...
Strona 40 - Funkcje dodatkowe
Funkcje dodatkowe 40 Programy piorące można uzupełniaćprzez Funkcje dodatkowe.Nie wszystkie funkcje dodatkowe mogązostać wybrane w każdym programieprania. Jeśli jakaś funkcja dodatkowa niejest oferowana, oznacza to, że nie jestona dozwolona dla programu prania. Wybieranie funkcji dodatko-wych W niek...
Strona 41 - Cechy szczególne w przebiegu programów; Wirowanie; Ilość obrotów wirowania końcowego; Wybrać ustawienie programowe; Ochrona przed zagniataniem
Cechy szczególne w przebiegu programów 41 Wirowanie Ilość obrotów wirowania końcowego Przy wybieraniu programu na wyświetla-czu jest zawsze pokazywana maksymal-na ilość obrotów wirowania dla progra-mu prania.Możliwa jest redukcja ilości obrotów wi-rowania końcowego.Nie można jednak wybrać ilości obr...
Strona 42 - Zmiana przebiegu programu; Zmiana programu; Przerywanie programu
Zmiana przebiegu programu 42 Zmiana programu Zmiana programu nie jest możliwa postarcie programu.W celu dokonania wyboru innego pro-gramu należy przerwać uruchomionyprogram. Gdy programator zostanie przestawio-ny, na wyświetlaczu pojawia się komu-nikat Zmiana programu niemożliwa . Tekst gaśnie, gdy ...
Strona 43 - Dokładanie/wyjmowanie prania
Zmiana przebiegu programu 43 Dokładanie/wyjmowanie prania W ciągu pierwszych minut po starcieprogramu można dołożyć lub wyjąć pra-nie. Nacisnąć przycisk Start/Stop . Na wyświetlaczu pojawia się następują-ca zawartość: Dokładanie prania Przerwanie programu Nacisnąć przycisk dotykowy Dokłada- nie ...
Strona 44 - Niebezpieczeństwo porażenia
Czyszczenie i konserwacja 44 Niebezpieczeństwo porażenia prądem.Prace czyszczące i konserwacyjnemogą być przeprowadzane wyłączniena urządzeniu pozbawionym prądu.Odłączyć pralnicę od sieci elektrycz-nej. Czyszczenie obudowy i panelusterowania Szkody przez środki czyszczące. Środki czyszczące zawi...
Strona 45 - Czyszczenie zasysacza i kanału; Wyciągnąć zasysacz z komory
Czyszczenie i konserwacja 45 Czyszczenie zasysacza i kanału Wyciągnąć zasysacz z komory . Umyć zasysacz pod bieżącą ciepłąwodą. Wyczyścić również rurkę, naktórą założony jest zasysacz. Założyć z powrotem zasysacz. Wyczyścić kanał spłukiwania płynuzmiękczającego ciepłą wodą i szczo-teczką. Cz...
Strona 46 - Stosować regularnie program; żadnego; rządzenia
Czyszczenie i konserwacja 46 Czyszczenie bębna, zbiornikakąpieli i systemu odpływowego Dzięki regularnemu stosowaniu progra-mów prania z temperaturą przekracza-jącą 60 °C i uniwersalnym proszkiemdo prania zapobiega się potencjalnemuskażeniu pralnicy. Stosować regularnie program Czyszcze- nie urządze...
Strona 47 - Zakręcić zawór z wodą.
Czyszczenie i konserwacja 47 Czyszczenie sitka w dopływiewody W celu ochrony zaworu dopływowegopralnica jest zaopatrzona w sitko. Proszękontrolować to sitko co 6 miesięcy. Wprzypadku częstych przerw w instalacjiwodociągowej czas ten może być krót-szy. Czyszczenie sitek w wężach dopływo-wych Zakręc...
Strona 48 - Nie można uruchomić żadnego programu piorącego; Problem; Po wybraniu programu; nie następuje; pierwsze uruchomienie
Co robić, gdy... 48 Większość usterek i błędów, do których dochodzi podczas codziennego użytkowa-nia, można usunąć samodzielnie. W wielu przypadkach pozwoli to zaoszczędzićczas i koszty, ponieważ nie ma wówczas potrzeby wzywania serwisu.Poniższa tabela powinna być pomocna w ustaleniu przyczyn ewentu...
Strona 49 - Przerwanie programu i komunikat błędu; nie
Co robić, gdy... 49 Przerwanie programu i komunikat błędu Problem Przyczyna i postępowanie Błąd odpływu wody. Odpływ wody jest zablokowany lub utrudniony. Wezwać serwis. Błąd dopływu wody.Otworzyć zawór zwodą. Dopływ wody jest zablokowany lub utrudniony. Sprawdzić, czy zawór wody jest wystar...
Strona 50 - Komunikat błędu na wyświetlaczu
Co robić, gdy... 50 Komunikat błędu na wyświetlaczu 1 Problem Przyczyna i postępowanie Pusty pojemnik do-zujący Jeden z pojemników na środki piorące dla zewnętrzne-go dozowania jest pusty. Napełnić pojemnik na środki piorące. Pusty pojemnik do-zujący 1 Pojemnik na środki piorące 1 dla zewnętrz...
Strona 51 - Niezadowalające efekty prania; Zastosować proszek do prania z wybielaczem.
Co robić, gdy... 51 Niezadowalające efekty prania Problem Przyczyna i postępowanie Pranie nie zostaje dopra-ne w płynnym środkupiorącym. Środki piorące w płynie nie zawierają wybielaczy. Pla-my z owoców, kawy lub herbaty mogą nie zostać usu-nięte. Zastosować proszek do prania z wybielaczem. Nape...
Strona 52 - Ogólne problemy z pralnicą
Co robić, gdy... 52 Ogólne problemy z pralnicą Problem Przyczyna i postępowanie Pralnica nie stoi spokoj-nie podczas wirowania. Nóżki urządzenia nie stoją równomiernie i nie są za-kontrowane. Wyrównać pralnicę stabilnie i zakontrować nóżki. W szufladzie na środkipiorące pozostają więk-sze pozostał...
Strona 53 - Nie można otworzyć drzwiczek
Co robić, gdy... 53 Nie można otworzyć drzwiczek Problem Przyczyna i postępowanie Drzwiczki nie dają się o-tworzyć podczas prania. Podczas prania drzwiczki są zablokowane. Nacisnąć przycisk dotykowy Start/Stop . Wybrać Przerwanie programu lub Dokładanie prania . Drzwiczki zostają odblokowane i m...
Strona 54 - Zatkany odpływ; Niebezpieczeństwo odniesienia
Co robić, gdy... 54 Otwieranie drzwiczek przy za-tkanym odpływie i/lub brakuprądu Niebezpieczeństwo porażenia prądem.Prace związane z czyszczeniem i kon-serwacją mogą być przeprowadzanewyłącznie na urządzeniu pozbawio-nym prądu.Odłączyć pralnicę od sieci elektrycz-nej. Otworzyć klapkę systemu od...
Strona 55 - Niebezpieczeństwo zranień przez
Co robić, gdy... 55 Otwieranie drzwiczek Niebezpieczeństwo zranień przez obracający się bęben.Przy sięganiu do obracającego sięjeszcze bębna zachodzi znaczne ryzy-ko odniesienia obrażeń.Przed wyjęciem prania zawsze należysię upewnić, że bęben jest nierucho-my. Odblokować drzwiczki za pomocąśrubo...
Strona 56 - Serwis; Wyposażenie dodatkowe
Serwis 56 Kontakt w przypadku wystąpie-nia usterki W razie wystąpienia usterek, których niemożna usunąć samodzielnie, proszę po-wiadomić sprzedawcę Miele lub serwisMiele. Dane kontaktowe serwisu Miele znaj-dują się na końcu tego dokumentu. Serwis wymaga podania modelu i nu-meru fabrycznego urządzeni...
Strona 57 - Instalacja; Widok z przodu
Instalacja *INSTALLATION* 57 Widok z przodu a Wąż dopływowy wody zimnej b Wąż dopływowy wody ciepłej c Podłączenie elektryczne d Panel sterowania e Szuflada na środki piorące f Drzwiczki g Klapka zaworu odpływowego i odblo-kowywania awaryjnego h Nóżki regulowane na wysokość
Strona 58 - Widok z tyłu; Podłączenie elektryczne
Instalacja *INSTALLATION* 58 Widok z tyłu a Podłączenie elektryczne b Złącze dla komunikacji z zewnętrzny-mi urządzeniami c Miejsce do podłączenia zewnętrzne-go dozowania d Wąż dopływowy (zimna woda) e Wąż dopływowy (ciepła woda), gdyzamontowany f Krążki zabezpieczające z drążkamitransportowymi g Uc...
Strona 59 - Sytuacje instalacyjne; Widok z boku; Ustawienie pralnicy z suszarką; Ustawienie na cokole
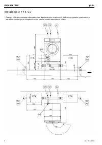
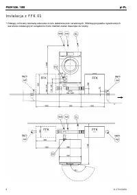
Instalacja *INSTALLATION* 59 Sytuacje instalacyjne Widok z boku 1132 850 >1000 714 Ustawienie pralnicy z suszarką w słup-ku min. 300 1702 Pralnica może zostać zestawiona z su-szarką Miele w formie słupka. W tymcelu wymagany jest zestaw połączenio-wy (wyposażenie dodatkowe). Ustawienie pralnicy ...
Strona 61 - Miejsce ustawienia; Ustawić pralnicę poziomo i stabilnie.
Instalacja *INSTALLATION* 61 Miejsce ustawienia Najlepszym podłożem do ustawieniajest strop betonowy. Strop betonowy,w przeciwieństwie do stropów z belekdrewnianych lub innych stropów o„miękkich“ właściwościach, jest narażo-ny w niewielkim stopniu na wibracjeprzy wirowaniu. Ustawić pralnicę poziom...
Strona 62 - Wyciągnąć drążek transportowy.; Zamykanie otworów
Instalacja *INSTALLATION* 62 Wyjmowanie prawego drążka trans-portowego Nacisnąć klapkę na zewnątrz i obrócićdrążek transportowy o 90° za pomocązałączonego klucza płaskiego. Wyciągnąć drążek transportowy. Zamykanie otworów Niebezpieczeństwo zranień przez ostre krawędzie.Przy sięganiu do niezaśl...
Strona 63 - Mocowanie drążków transportowych; Zwrócić uwagę na to, żeby; Otwieranie klapek; Unieść nieco bęben, żeby
Instalacja *INSTALLATION* 63 Mocowanie drążków transportowych Zamocować drążki transportowe natylnej ściance pralnicy. Wskazówka: Zwrócić uwagę na to, żeby otwory zostały nałożone na wypustki . Szkody przez nieprawidłowy transport.Przy transporcie bez zabezpieczeniatransportowego pralnica mo...
Strona 64 - Wypoziomowanie pralnicy; Wykręcanie i kontrowanie nóżek
Instalacja *INSTALLATION* 64 Wypoziomowanie pralnicy Pralnica musi stać pionowo i równo nawszystkich czterech nóżkach, aby za-gwarantować jej bezusterkową pracę.Nieprawidłowe ustawienie podnosi zu-życie wody i energii, a pralnica może sięprzemieszczać. Wykręcanie i kontrowanie nóżek Wyrównywanie pra...
Strona 65 - Pałąk mocujący dla cokołu; Pozycjonowanie pałąka mocującego; Montaż pałąka mocującego; Włożyć kołki w wywiercone otwory.
Instalacja *INSTALLATION* 65 Pałąk mocujący dla cokołu Pałąk mocujący zapobiega spadnięciupracującej pralnicy z cokołu. Mocowanie za pomocą pałąka mocują-cego jest przewidziane wyłącznie dlacokołu z betonu. Cokół musi być płaski iwypoziomowany. Podbudowa cokołumusi mieć wytrzymałość wystarczającądo ...
Strona 66 - System inkasujący
Instalacja *INSTALLATION* 66 Zamontować pałąk mocujący za po-mocą śrub sześciokątnych i podkła-dek. Nie dokręcać jeszcze mocno śrub, że-by pałąk mocujący dawał się przesu-wać na boki. Mocowanie pralnicy za pomocą pałą-ka mocującego Dosunąć pralnicę z powrotem do za-montowanego pałąka mocującego....
Strona 67 - Przyłącza wodne; Tylko dla Niemiec; Woda Pranie
Instalacja *INSTALLATION* 67 Przyłącza wodne Tylko dla Niemiec W celu ochrony wody pitnej, pomiędzyzaworem wody i wężem dopływowymmusi zostać zamontowane dołączonezabezpieczenie przeciwzwrotne. Przy fa-chowo wykonanej instalacji domowejprzewidziane tutaj przyłącza (np. zawórkątowy) są już wyposażone...
Strona 68 - Konserwacja; Przykręcić wąż ciepłej wody.; Odpływ wody; Zawór spustowy
Instalacja *INSTALLATION* 68 Konserwacja W przypadku wymiany należy stosowaćwyłącznie oryginalne węże Miele z wy-trzymałością na rozerwanie 7000 kPa. W celu ochrony zaworu dopływowe-go w wolnym końcu węża dopływo-wego i w króćcu dopływowym znaj-dują się sitka.Nie wolno usuwać żadnego z tych si-tek. ...
Strona 69 - Dla pralnic z wtyczką obowiązuje:
Instalacja *INSTALLATION* 69 Podłączenie elektryczne Opis dotyczy pralnic z wtyczką i pralnicbez wtyczki sieciowej. Dla pralnic z wtyczką obowiązuje: - Pralnica jest gotowa do podłączenia.- Należy zawsze zagwarantować do- stępność wtyczki, żeby istniała możli-wość odłączenia pralnicy od zasilania. ...
Strona 70 - Dane techniczne
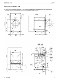
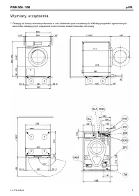
Dane techniczne 70 Wysokość 850 mm Szerokość 596 mm Szerokość (dla urządzeń z pokrywą ze staliszlachetnej) 605 mm Głębokość 714 mm Głębokość przy otwartych drzwiczkach 1132 mm Ciężar ok. 100 kg Maksymalne obciążenie podłoża w czasiepracy 3000 N Zdolność załadunkowa 6,0 kg suchego prania Napięcie zas...
Strona 71 - Deklaracja zgodności
Dane techniczne 71 Deklaracja zgodności Niniejszym Miele oświadcza, że ta pralka spełnia wymagania Dyrektywy2014/53/WE. Pełny tekst deklaracji zgodności WE jest dostępny pod jednym z poniższych adre-sów internetowych: - Produkty, Pobieranie, na stronie www.miele.pl- Serwis, Materiały informacyjne, n...
Strona 73 - Format czasu
Poziom administratora 73 Język Wyświetlacz może operować w róż-nych językach. Poprzez podmenu Językmożna wybrać ustawiony na stałe ję-zyk administracyjny. Dla bieżącego programu język obsługimoże zostać zmieniony za pomocą przy-cisku dotykowego . Jasność Jasność wyświetlacza może zostaćustawiona w...
Strona 74 - Bez zagnieceń; - przy zawieszeniu węża odpływowego; Wyłączanie wskazań; powoli pulsuje świa-
Poziom administratora 74 Bez zagnieceń Ochrona przed zagniataniem redukujetworzenie zagnieceń po zakończeniuprogramu. Bęben porusza się jeszcze nawet do 30minut po zakończeniu programu.Drzwiczki pralnicy mogą zostać otwartew każdej chwili.Ustawienie fabryczne: Wł. Schładzanie kąpieli Na koniec prani...
Strona 75 - Wyłączanie urządzenia; - Rozpoczęcie programu; Nazwa programu
Poziom administratora 75 Wyłączanie urządzenia Pralnica wyłącza się automatycznie.Wyłączenie następuje po zakończeniuprogramu/ochrony przed zagniataniemlub po włączeniu, jeśli nie nastąpi dal-sza obsługa. Zmiana tego ustawienia prowadzi dopodwyższonego zużycia energii. - Bez wyłączania- Wyłączenie p...
Strona 76 - Woda Pranie główne; zapobiegnie; Mop Odwadnianie
Poziom administratora 76 Woda Pranie główne Można wybrać rodzaj wody dla praniagłównego. - <20° Do prania głównego będzie pobieranawyłącznie zimna woda. - ciepła Do prania głównego będzie dodatko-wo pobierana ciepła woda.Pobieranie ciepłej wody jest dozwolo-ne wyłącznie w przypadku wybraniatemper...
Strona 77 - Mop Temperatura Standard plus; Mop plus; Mop Dezynfekcja term.; miczna; Mop mikrofaza; Ścierki plus
Poziom administratora 77 Mop Temperatura Standard plus W programach Mop plus i Mop plus + rtu można zmienić ustawioną wstęp- nie temperaturę. - 40 °C (ustawienie fabryczne)- 60 °C- 70 °C- 90 °C Mopy Dezynf. chem.-term. W programie Mop Dezynfekcja che- mo-termiczna można zmienić ustawio- ny wstępnie ...
Strona 78 - Ścierki Dezynfekcja che-; Czujnik opróżnienia; Tkaniny delikatne
Poziom administratora 78 Ścierki Dez. ch.-t. W programie Ścierki Dezynfekcja che- mo-termiczna można zmienić ustawio- ny wstępnie przebieg dezynfekcji. - 40 °C/20 min- 60 °C/20 min (ustawienie fabryczne)- 70 °C/10 min Ścierki Obr. przyg. W programach Ścierki z wykańcza-niem/preparacją można zmienić ...
Strona 79 - Czas prania Pranie wstępne
Poziom administratora 79 Temp. Pr. wst. Tk. do got./kolor. W programie Tkaniny do gotow./kolor. można wybrać temperaturę dla praniawstępnego. - 30 °C (ustawienie fabryczne)- 35 °C- 40 °C- 45 °C Czas prania Pranie wstępne W programie Tkaniny do gotow./kolor. można przedłużyć czas prania dla pra-nia w...
Strona 80 - Ilość cykli Tkaniny delikatne; W programie; Płukanie dezynfekujące
Poziom administratora 80 Płukania Tk. do got./kolor. W programie Tkaniny do gotow./kolor. i w standardowych programach Mopmożna zmienić ilość cykli płukania. - 1 cykl płukania- 2 cykle płukania (ustawienie fabrycz- ne) - 3 cykle płukania- 4 cykle płukania- 5 cykli płukania Ilość cykli Tkaniny delika...
Strona 81 - Kod programu dezynfekującego; Gdy kod zostanie zmienio-; Obniżenie temperatury
Poziom administratora 81 Kod programu dezynfekującego Aby przerwać program dezynfekujący,należy wprowadzić kod. Kod może zo-stać zmieniony. Kod brzmi: 0 0 0 Wskazówka: Gdy kod zostanie zmienio- ny, proszę zanotować nowy kod. Obniżenie temperatury Aby uniknąć przedwczesnego wrzeniakąpieli piorącej na...
Strona 82 - Konfiguracja WiFi
Poziom administratora 82 Dostępność produktów cyfro-wych Miele Możliwość korzystania z produktów cy-frowych Miele zależy od dostępnościusług w Państwa kraju.Nie wszystkie usługi są dostępne w każ-dym kraju.Informacje o dostępności można uzy-skać na stronie internetowejwww.miele.com. WLAN/LAN Sterowa...
Strona 83 - Czas sieciowy; użytkownik; Sygnał obciążenia szczytowego
Poziom administratora 83 Czas sieciowy Data i godzina mogą być synchronizo-wane przez sieć. - Wył. Data i godzina nie będą synchronizo-wane przez sieć. - Jako administrator Urządzenie znajduje się w sieci bezpołączenia internetowego. Urządze-nie jest zadeklarowane jako admini-strator i wysyła dane d...
Strona 84 - Remote; Przebieg aktualizacji RemoteUpdate; Za pomocą ustawienia; Sterowane zużycie energii
Poziom administratora 84 Remote Komunikowanie danych roboczychpralnicy (np. komunikatów błędów lubwskazówek) odbywa się zewnętrznie. Ustawienie fabryczne: Wł. Zdalna aktualizacja (RemoteUp-date) Oprogramowanie pralnicy może zostaćzaktualizowane za pomocą funkcję Zdal-na aktualizacja (RemoteUpdate).F...
Strona 85 - Informacje prawne; - Brak urządzenia inkasującego
Poziom administratora 85 Informacje prawne Licencje open source Tutaj można zapoznać się z informacja-mi. Prawa autorskie i licencje dla oprogra-mowania do obsługi i sterowania Do obsługi i sterowania maszyną Mieleużywa oprogramowania własnego luboprogramowania innych producentów,które nie jest obję...
Strona 86 - Sygnał zwrotny na urz. inkasującym; - Puszczenie przycisku Start; Blokada urządz. inkasującego; Kasowanie sygnału zapłaty
Poziom administratora 86 Sygnał zwrotny na urz. inkasującym Ustawienie sygnału zwrotnego urzą-dzenia wrzutowego. - Ustawienie fabryczne: Wył.- Koniec programu Sygnał zwrotny następuje na koniecprogramu. - Puszczenie przycisku Start Sygnał zwrotny następuje po pusz-czeniu przycisku Start. - Start i k...