Miele PDR 944 [G] - Instrukcje

Miele PDR 944 [G] – Instrukcja obsługi, Instrukcja, Instrukcja instalacji, Krótka instrukcja w formacie PDF online.
Instrukcja obsługi Miele PDR 944 [G]






















































Podsumowanie
Spis treści 2 Ochrona środowiska naturalnego ................................................................................. 6 Wskazówki bezpieczeństwa i ostrzeżenia ................................................................... 7 Użytkowanie zgodne z przeznaczeniem .............................
Spis treści 3 Timer ................................................................................................................................. 26 Warunek dla ustawień timera ........................................................................................ 26Ustawianie timera .............
Spis treści 5 Dane techniczne .............................................................................................................. 53 Deklaracja zgodności UE .................................................................................................. 53
Ochrona środowiska naturalnego 6 Utylizacja opakowania transportowego Opakowanie chroni urządzenie przed uszkodzeniami podczas trans-portu. Materiały opakowaniowe zostały specjalnie dobrane pod ką-tem ochrony środowiska i techniki utylizacji i dlatego nadają się doponownego wykorzystania. Zwrot opak...
Wskazówki bezpieczeństwa i ostrzeżenia 7 Proszę koniecznie przeczytać tę instrukcję użytkowania. Ta suszarka spełnia wymagania obowiązujących przepisów bezpieczeństwa. Nieprawi-dłowe użytkowanie może jednak doprowadzić do wyrządzenia szkód osobowych i rze-czowych. Przed pierwszym użyciem suszarki ...
Wskazówki bezpieczeństwa i ostrzeżenia 8 Proszę nadzorować dzieci przebywające w pobliżu urządzenia. Nigdy nie pozwalać dzie- ciom na zabawy suszarką. Ta suszarka może być również użytkowana w obszarach publicznych. Zastosowania inne niż wyżej wymienione są traktowane jako sprzeczne z przeznac...
Wskazówki bezpieczeństwa i ostrzeżenia 9 Suszarka nie może być użytkowana bez filtra kłaczków ani z uszkodzonym filtrem kłacz- ków. Mogą wystąpić usterki w działaniu. Kłaczki zatkają drogi powietrzne, grzanie i prze-wód wylotowy, co może doprowadzić do pożaru. Natychmiast wyłączyć suszarkę z użyt-...
Wskazówki bezpieczeństwa i ostrzeżenia 10 - kominy używane przez kogoś innego. Gdy dym lub spaliny zostaną wtłoczone z powrotem, istnieje niebezpieczeństwo zatrucia. Kontrolować regularnie wszystkie elementy składowe przewodu wylotowego (np. prze- pust ścienny, kratkę zewnętrzną, kolana, łuki itd....
Wskazówki bezpieczeństwa i ostrzeżenia 11 Przed zakończeniem prac przy uruchomieniu, konserwacji, przebudowie i naprawie na- leży sprawdzić pod kątem szczelności wszystkie podzespoły gazowe, od zaworu gazowe-go po dysze palników. Szczególną uwagę należy zwrócić na króćce pomiarowe przy zawo-rze ga...
Wskazówki bezpieczeństwa i ostrzeżenia 12 - Filtr kłaczków i drogi powietrzne muszą zawsze zostać wyczyszczone dodatkowo, gdy na wyświetlaczu pojawi się odpowiednie wezwanie. Usunąć z kieszeni wszystkie przedmioty ( jak np. zapalniczki, zapałki). Program jest zakończony w momencie rozpoczęcia fa...
Obsługa suszarki 13 Panel sterowania a Przycisk dotykowy Do wybierania aktualnego języka obsługi.Po zakończeniu programu język zostanie przywrócony do języka ustawionego na pozio-mie administratora. b Przycisk dotykowy Przełącza o jeden poziom w menu z powrotem. c Wyświetlacz dotykowy d Przyci...
Obsługa suszarki 14 Przyciski dotykowe i wyświetlacz dotykowy z przyciskami dotykowymi Przyciski dotykowe , i Start/Stop oraz przyciski dotykowe na wyświetlaczu reagują na kontakt z palcem. Każde dotknięcie zostaje potwierdzone dźwiękiem. Głośność dźwię-ku przycisków można zmienić lub wyłączyć ...
Obsługa suszarki 15 Aby przewinąć menu, położyć palec na wyświetlaczu dotykowym i przesunąć go w lewolub w prawo. Pomarańczowa listwa przewijania ekranu u dołu wyświetlacza wskazuje, że istnieją dalszemożliwości wyboru. Aby wybrać żądany program suszenia, nacisnąć palcem na nazwę programu. Wyświ...
Obsługa suszarki 16 Nacisnąć krótko palcem na cyfrę pomiędzy obydwoma kreskami. Zostaje wyświetlony blok cyfrowy. 12:00 3 4 2 1 5 6 7 8 0 9 Godzina OK Aby wprowadzić wartość liczbową, naciskać cyfry po prawej stronie i na koniec potwier-dzić za pomocą OK. Wysuwane menu W wysuwanym menu można...
Pierwsze uruchomienie 17 Szkody rzeczowe lub osobowe przez nieprawidłowe ustawienie. Nieprawidłowe ustawienie suszarki może prowadzić do wystąpienia szkód rzeczowychlub osobowych.Ustawić prawidłowo suszarkę przed pierwszym uruchomieniem.Podłączyć prawidłowo suszarkę.Przestrzegać wskazówek zamieszc...
Pierwsze uruchomienie 18 Ciemniej Jaśniej Jasność wyświetlacza OK Dotknąć paska segmentowego w miejscu odpowiadającym żądanemu poziomowi jasno-ści. Żądany poziom jasności odpowiada długości paska segmentowego. Potwierdzić za pomocą przycisku dotykowego OK. Wyświetlacz przechodzi do następnego us...
Pierwsze uruchomienie 19 11:02 Bawełna Bawełna PRO Programy normatywne Tkaniny do gotow./kolor. Tkaniny delikatne Standard Pakiety programowe Wełna Tkaniny bar- dzo delikatne OK Przeciągnąć palcem w lewo, aż zostanie wyświetlony następny, nie zaznaczony na po-marańczowo program. Nacisnąć progra...
Suszenie 21 1. Prawidłowa pielęgnacja prania Pranie Szczególnie mocno zabrudzone tekstylia należy bardzo dokładnie wyprać: Zastosowaćwystarczającą ilość środków piorących i wybrać wysoką temperaturę prania. W razie wąt-pliwości uprać tekstylia wielokrotnie. Nowe, farbujące tekstylia należy wyprać sz...
Suszenie 22 2. Załadunek suszarki Wkładanie prania do suszarki Tekstylia mogą zostać uszkodzone.Przed włożeniem prania przeczytać najpierw rozdział „1. Prawidłowa pielęgnacja prania“. Otworzyć drzwiczki. Włożyć pranie do suszarki. Niebezpieczeństwo uszkodzeń przez przytrzaśnięcie prania.Przy zam...
Suszenie 24 4. Wybieranie ustawień programu Wybieranie stopnia suszenia W wielu programach wstępnie ustawiony stopień suszenia można zmienić. W zależnościod programu do wyboru są różne stopnie suszenia. Wybieranie funkcji dodatkowych Programy suszenia mogą zostać uzupełnione za pomocą różnych funkcj...
Suszenie 25 Możliwość utraty opłaty przez otwarcie drzwiczek załadunkowych lub w przypadku prze-rwania programu.W zależności od ustawienia, w wyniku otwarcia drzwiczek załadunkowych lub przerwa-nia programu może dojść do utraty opłaty wniesionej w urządzeniu inkasującym.Nie otwierać drzwiczek po sta...
Suszenie 26 Czas trwania programu/prognoza czasu pozostałego Czas trwania programu zależy od ilości, rodzaju i wilgotności resztkowej prania, jak rów-nież od twardości wody. Dlatego pokazywany czas trwania programów suszenia stopnio-wego może się zmieniać lub „przeskakiwać“. „Inteligentna“ elektroni...
Suszenie 27 Ustawianie timera Nacisnąć przycisk dotykowy Timer . Wybrać opcję Koniec o , Start za lub Start o . Ustawić liczbę godzin i minut i potwierdzić za pomocą przycisku dotykowego OK .
Czyszczenie i konserwacja 28 Czyszczenie filtra kłaczków Zagrożenie pożarowe przez użytkowanie suszarki bez filtra kłaczków. Drogi powietrzne, grzanie i przewód wydmuchowy podczas pracy suszarki bez filtrakłaczków mogą się zatkać i zapalić.Nie wolno wyjmować filtra kłaczków do czyszczenia.Nigdy ni...
Czyszczenie i konserwacja 29 Czyszczenie bębna i zewnętrznych elementów obudowy Zagrożenie życia przez porażenie prądem. Nie wolno czyścić ani konserwować suszarki nie odłączonej całkowicie od zasilania.Przed rozpoczęciem czyszczenia lub konserwacji zawsze należy wyłączyć suszarkę zapomocą instala...
Serwis 30 Kontakt w przypadku wystąpienia usterki W razie wystąpienia usterek, których nie można usunąć samodzielnie, proszę powiadomićsprzedawcę Miele lub serwis Miele. Numer telefonu do serwisu Miele znajduje się na końcu tego dokumentu. Serwis wymaga podania modelu i numeru fabrycznego urządzenia...
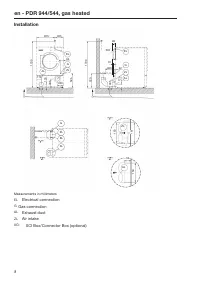
Instalacja *INSTALLATION* 31 Warunki instalacyjne Suszarka może zostać ustawiona i uruchomiona wyłącznie przez serwis Miele lub auto-ryzowanego przedstawiciela handlowego. Suszarka musi zostać zainstalowana zgodnie z obowiązującymi zasadami i normami. Używać suszarki tylko w wystarczająco wentyl...
Instalacja *INSTALLATION* 33 Po ustawieniu dokręcić nakrętki na nóżkach do blachy spodniej za pomocą klucza pła-skiego. Mocowanie W celu zabezpieczenia pozycji suszarka musi zostać zamocowana do podłogi za pomo-cą dostarczonych wraz z urządzeniem łapek zaciskowych. Dostarczone materiały mocujące...
Instalacja *INSTALLATION* 34 Jeśli na tabliczce znamionowej podane są różne wartości napięcia, suszarka może zo- stać przełączona na różne wartości napięcia wejściowego. To przełączenie może zostaćprzeprowadzone wyłącznie przez serwis Miele lub autoryzowanego specjalistę. Przy prze-łączeniu należy...
Wyposażenie dodatkowe 36 Elementy wyposażenia mogą zostać dobudowane lub wbudowane tylko wtedy, gdy jest to wyraźnie dozwolone przez firmę Miele. Jeśli zostaną dobudowane lub wbudowane inneelementy, przepadają roszczenia wynikające z gwarancji, rękojmi i/lub odpowiedzialnościza produkt. XCI-Box Op...
Wyposażenie dodatkowe 37 Ponadto moduł komunikacyjny zawiera również elementy oprogramowania, objęte licencjąopen source. Informacje dotyczące elementów objętych licencją open source, adnotacjeo prawach autorskich, kopie każdorazowo obowiązujących warunków licencyjnych i ewen-tualnie inne informacje...
Poziom administratora 38 Otwieranie poziomu administratora 11:02 Programy Preferowane Administrator Pomoc Po naciśnięciu przycisku dotykowego można się dostać do poziomu administratora. Dostęp przez kod Poziom administratora musi zostać otwarty za pomocą kodu. Ustawienie fabryczne: Kod brz...
Poziom administratora 39 międzynarodowy Do wyboru jest 6 języków. Przycisk dotykowy nie jest aktywny. Przestrzegać usta- wienia Ustalanie języków . wybrane języki Język może zostać wybrany za pomocą przycisku dotykowego . Do wyboru są wszystkie języki (ustawienie fabryczne). Kolejność pierwszy...
Poziom administratora 40 Data zostaje ustawiona. Głośność Głośność różnych sygnałów może zostać zmieniona. Głośność może zostać zmieniona. - Dźwięk zakończenia - Dźwięk przycisków - Dźwięk powitania - Dźwięk błędu Sygnał akustyczny, który sygnalizuje błąd, może zostać wyłączony. Tutaj głośność niemo...
Poziom administratora 41 - Ustawienie fabryczne: Wł. po 10 min Wyświetlacz gaśnie po 10 minutach. - Wł. po 30 min, nie w bież. pr. Wyświetlacz pozostaje włączony podczas trwania programu, gaśnie jednak w ciągu30 minut po zakończeniu programu. - Logo po30min, nie w bież. pr. Wyświetlacz pozostaje włą...
Poziom administratora 42 Zmiana kodu Istnieje możliwość zmiany kodu dostępu do poziomu administratora. Wprowadzić aktualny kod. Wprowadzić nowy kod. Wybór programów Sterowanie Istnieje możliwość ustawienia obsługi suszarki w wariancie salonu pralniczego. Obsługauproszczona odbywa się poprzez szy...
Poziom administratora 44 Wybrać program specjalny, który ma zostać zmieniony. Otwiera się menu Zachowaj jako . Wprowadzić nazwę za pomocą znajdujących się pod linią liter i symboli. Nacisnąć przycisk dotykowy Zapamiętaj . Teraz można wprowadzić parametry dla Program wilg. resztk. lub Program...
Poziom administratora 45 Przyporządk. progr. Programy mogą być przesuwane w ramach listy programów i listy programów preferowa-nych. - Ustawienie fabryczne: Wył. - Wł. Przesuwanie programów / programów preferowanych Programy (menu Programy - wybór pojedynczy) można przesunąć/przyporządkować. Moż-na ...
Poziom administratora 46 Zaawans. schładzanie Przed końcem program kontrolowana jest temperatura suszonego prania i w razie potrze-by faza chłodzenia zostaje przedłużona. Zmiana tego ustawienia prowadzi do podwyższonego zużycia energii. - Ustawienie fabryczne: Wył. - Wł. Temperatura schładz. Przed z...
Poziom administratora 47 Wybór właściwego okresu czasu zależy od tego, jak duży jest napływ kłaczków lub jakczęsto ma być czyszczony filtr np. ze względów higienicznych. Na wyświetlanie tego komunikatu kontrolnego można wpływać: Czyszczenie sit - Okres czasu od 5–55 godzin - Ustawienie fabryczne: Po...
Poziom administratora 48 - 0 s - 1 s - 2 s ... - 300 s Dodatkowa dmuchawa Podłączenie zewnętrznego sprzętu odbywa się poprzez XCI-Box Miele. Jeśli podłączona jest dodatkowa dmuchawa, wówczas musi ona zostać włączona równo-legle do napędu. - Wył. - Wł. Czujnik ciśnienia Podłączenie zewnętrznego sprzę...
Poziom administratora 49 - Wł. Wybór modułu KOM Ta suszarka jest wyposażona w zintegrowany moduł WiFi. Suszarka może jednak zostaćrównież wyposażona w moduł zewnętrzny. - Wył. - Moduł wewnętrzny (ustawienie fabryczne) Stosowany jest wewnętrzny moduł WiFi. - Moduł zewnętrzny Do wnęki modułowej jest w...
Poziom administratora 50 Data i godzina nie będą synchronizowane przez sieć. - Jako master Urządzenie znajduje się w sieci bez połączenia internetowego. Urządzenie jest zadekla-rowane jako master i wysyła dane do urządzeń slave . - Jako slave Urządzenie znajduje się w sieci z połączeniem internetowy...
Poziom administratora 51 Gdy uaktywniono SmartGrid , przycisk dotykowy Timer ma nową funkcję. Poprzez przycisk dotykowy Timer ustawia się SmartStart. Suszarka może wówczas zostać uruchomiona w ustawionym przedziale czasowym przez sygnał wysłany przez Państwa dostawcę prądu.Jeśli do czasu najpóźniejs...
Dane techniczne 53 PDR 914 PDR 918 PDR 922 PDR 928 PDR 944 Wysokość 1400 mm 1400 mm 1400 mm 1640 mm 1640 mm Szerokość 906 mm 906 mm 906 mm 1206 mm 1206 mm Głębokość 852 mm 1035 mm 1162 mm 1018 mm 1385 mm Głębokość przy otwartych drzwiczkach 1456 mm 1639 mm 1768 mm 1622 mm 1988 mm Pojemność bębna 250...
Instrukcja Miele PDR 944 [G]






































































































































































Instrukcja instalacji Miele PDR 944 [G]






























































Podsumowanie
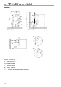
pl - Wskazówki instalacyjne 34 Warunki instalacyjne Suszarka może zostać ustawiona i uruchomiona wyłącznie przezserwis Miele lub autoryzowanego przedstawiciela handlowego. Suszarka musi zostać zainstalowana zgodnie z obowiązującymi zasadami i normami. Używać suszarki tylko w wystarczająco wentyl...
pl - Wskazówki instalacyjne 35 Urządzenie rozłączające (włącznie z urządzeniem wtykowym) musibyć zabezpieczone przed niezamierzonym i nieuprawnionym ponow-nym włączeniem, gdy nie można nadzorować permanentnego prze-rwania dostawy energii w każdym miejscu dostępu. Wskazówka: Preferowane jest podłącze...
pl - PDR 944/544, z grzaniem gazowym 36 Wymiary 1206 1280 >20 Ø 520 765 1640 1200 642 1385 67 1284 1640 20 710 Ø 630 1800 45° >20 1385 1280 1800 1206 1200 < 180° 38 Wymiary w milimetrach
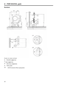
pl - PDR 944/544, z grzaniem gazowym 37 Instalacja 875 325 64 G 520 305 1700 150 305 1700 ~ 50 2 x 179 125 200 EL AL ZL ZL EL AL 520 G G ZL EL AL AL ZL 161 160 "Z" "Y" "Y" "Z" XCI 96 31 ~350 42 125 Wymiary w milimetrach EL Przyłącze elektryczne G Przyłącze gazowe AL...
pl - PDR 944/544, z grzaniem gazowym 38 Ustawienie (standard/cokół betonowy) 20 1640 Ø 10 1640 BS 545 B ~ 48 55 1279 ~ 55 >50 Ø 10 ~ 55 B 1800 55 1090 545 1286 1200 514 B B A A BS >1400 >55 BS >1200 514 1286 B B B B A - A B - B >55 1090 1800 ~ 48 BS >50 20 Wymiary w milimetrach B ...
pl - Dane techniczne 39 Warianty napięciowe i dane elektryczne Przyłącze standardowe Napięcie przyłączeniowe 3N AC 400 V Częstotliwość 50 Hz Pobór mocy 1,7 kW Zabezpieczenie elektryczne (instalacyjne) 3×10 A Minimalny przekrój kabla przyłączeniowego 5×1,5 mm² Skręcane złącze kablowe M20 Przyłącze ga...
pl - Dane techniczne 40 Dane urządzenia Całkowita szerokość urządzenia 1206 mm Całkowita wysokość urządzenia 1640 mm Całkowita głębokość urządzenia 1385 mm Szerokość niszy 1550 mm Zalecany odstęp od ściany (do przedniej krawędzi urządzenia) 1800 mm Minimalny odstęp od ściany (do tylnej krawędzi pokr...
pl - Dane techniczne 41 Opcje/Wyposażenie dodatkowe Cokół betonowy (po stronie budowlanej) Minimalna szerokość 1200 mm Zalecana wysokość 100 mm Minimalna wysokość 50 mm Minimalna głębokość 1400 mm Rodzaj betonu i jego gęstość muszą zostać dobrane odpowiednio do obciążenia przez urządzenie. Budowlany...
Krótka instrukcja Miele PDR 944 [G]




















































































































Podsumowanie
pl - Ochrona środowiska naturalnego 89 Utylizacja opakowania transportowego Opakowanie chroni urządzenie przed uszkodzeniami podczas trans-portu. Materiały opakowaniowe zostały specjalnie dobrane pod ką-tem ochrony środowiska i techniki utylizacji i dlatego nadają się doponownego wykorzystania. Zwro...
pl - Wskazówki bezpieczeństwa i ostrzeżenia 90 Proszę koniecznie przeczytać tę instrukcję użytkowania. Rozszerzona dokumentacja Niniejszy dokument zawiera podstawowe informacje. Pełną instrukcję obsługi oraz innedokumenty dotyczące urządzenia można znaleźć na stronie internetowej Miele: https://ww...
pl - Wskazówki bezpieczeństwa i ostrzeżenia 91 Jeśli urządzenie jest eksploatowane w otoczeniu przemysłowym, wówczas może być obsługiwane tylko przez odpowiednio poinstruowany/przeszkolony lub wykwalifikowanypersonel. Jeśli urządzenie jest używane w strefie publicznie dostępnej, wówczas admini-str...
pl - Wskazówki bezpieczeństwa i ostrzeżenia 92 - nie są wystarczająco wyczyszczone i wykazują zabrudzenia olejami, tłuszczami lub in- nymi pozostałościami (np. pranie kuchenne lub kosmetyczne z pozostałościami oleju ja-dalnego, oliwy, tłuszczu, kremów itp.). W przypadku niewystarczająco wyczyszczony...
pl - Wskazówki bezpieczeństwa i ostrzeżenia 94 Jeśli przewidziano podłączenie stałe, po stronie instalacji musi być ciągle dostępny wie- lobiegunowy wyłącznik, żeby można było odłączyć suszarkę od zasilania. Przestrzeń powietrzna pomiędzy spodem suszarki i podłogą nie może zostać zmniejszo- na p...
pl - Wskazówki bezpieczeństwa i ostrzeżenia 95 - małe zwierzęta będą wspinać się do suszarki. Pomieszczenie suszarki powinno być zawsze wolne od kurzu i kłaczków. Zabrudzenia w zasysanym powietrzu sprzyjają występowaniu zatkań. Może dojść do wystąpienia uster-ki i zagrożenia pożarowego. Suszarka...
pl - Obsługa suszarki 96 Panel sterowania a Przycisk dotykowy Do wybierania aktualnego języka obsługi.Po zakończeniu programu język zostanie przywrócony do języka ustawionego na pozio-mie administratora. b Przycisk dotykowy Przełącza o jeden poziom w menu z powrotem. c Wyświetlacz dotykowy d P...
pl - Obsługa suszarki 97 Przyciski dotykowe i wyświetlacz dotykowy z przyciskami dotykowymi Przyciski dotykowe , i Start/Stop oraz przyciski dotykowe na wyświetlaczu reagują na kontakt z palcem. Każde dotknięcie zostaje potwierdzone dźwiękiem. Głośność dźwię-ku przycisków można zmienić lub wyłą...
pl - Obsługa suszarki 98 Aby przewinąć menu, położyć palec na wyświetlaczu dotykowym i przesunąć go w lewolub w prawo. Pomarańczowa listwa przewijania ekranu u dołu wyświetlacza wskazuje, że istnieją dalszemożliwości wyboru. Aby wybrać żądany program suszenia, nacisnąć palcem na nazwę programu. ...
pl - Obsługa suszarki 99 Nacisnąć krótko palcem na cyfrę pomiędzy obydwoma kreskami. Zostaje wyświetlony blok cyfrowy. 12:00 3 4 2 1 5 6 7 8 0 9 Godzina OK Aby wprowadzić wartość liczbową, naciskać cyfry po prawej stronie i na koniec potwier-dzić za pomocą OK. Wysuwane menu W wysuwanym menu ...
pl - Suszenie 100 1. Prawidłowa pielęgnacja prania Pranie Szczególnie mocno zabrudzone tekstylia należy bardzo dokładnie wyprać: Zastosowaćwystarczającą ilość środków piorących i wybrać wysoką temperaturę prania. W razie wąt-pliwości uprać tekstylia wielokrotnie. Nowe, farbujące tekstylia należy wyp...
pl - Suszenie 101 2. Załadunek suszarki Wkładanie prania do suszarki Tekstylia mogą zostać uszkodzone.Przed włożeniem prania przeczytać najpierw rozdział „1. Prawidłowa pielęgnacja prania“. Otworzyć drzwiczki. Włożyć pranie do suszarki. Niebezpieczeństwo uszkodzeń przez przytrzaśnięcie prania.Pr...
pl - Suszenie 103 4. Wybieranie ustawień programu Wybieranie stopnia suszenia W wielu programach wstępnie ustawiony stopień suszenia można zmienić. W zależnościod programu do wyboru są różne stopnie suszenia. Wybieranie funkcji dodatkowych Programy suszenia mogą zostać uzupełnione za pomocą różnych ...
pl - Suszenie 104 Możliwość utraty opłaty przez otwarcie drzwiczek załadunkowych lub w przypadku prze-rwania programu.W zależności od ustawienia, w wyniku otwarcia drzwiczek załadunkowych lub przerwa-nia programu może dojść do utraty opłaty wniesionej w urządzeniu inkasującym.Nie otwierać drzwiczek ...
pl - Suszenie 105 Czas trwania programu/prognoza czasu pozostałego Czas trwania programu zależy od ilości, rodzaju i wilgotności resztkowej prania, jak rów-nież od twardości wody. Dlatego pokazywany czas trwania programów suszenia stopnio-wego może się zmieniać lub „przeskakiwać“. „Inteligentna“ ele...
pl - Suszenie 106 Ustawianie timera Nacisnąć przycisk dotykowy Timer . Wybrać opcję Koniec o , Start za lub Start o . Ustawić liczbę godzin i minut i potwierdzić za pomocą przycisku dotykowego OK .
pl - Czyszczenie i konserwacja 107 Czyszczenie filtra kłaczków Zagrożenie pożarowe przez użytkowanie suszarki bez filtra kłaczków. Drogi powietrzne, grzanie i przewód wydmuchowy podczas pracy suszarki bez filtrakłaczków mogą się zatkać i zapalić.Nie wolno wyjmować filtra kłaczków do czyszczenia.Ni...
pl - Czyszczenie i konserwacja 108 Czyszczenie bębna i zewnętrznych elementów obudowy Zagrożenie życia przez porażenie prądem. Nie wolno czyścić ani konserwować suszarki nie odłączonej całkowicie od zasilania.Przed rozpoczęciem czyszczenia lub konserwacji zawsze należy wyłączyć suszarkę zapomocą i...
pl - Serwis 109 Kontakt w przypadku wystąpienia usterki W razie wystąpienia usterek, których nie można usunąć samodzielnie, proszę powiadomićsprzedawcę Miele lub serwis Miele. Numer telefonu do serwisu Miele znajduje się na końcu tego dokumentu. Serwis wymaga podania modelu i numeru fabrycznego urzą...
pl - Instalacja *INSTALLATION* 110 Warunki instalacyjne Suszarka może zostać ustawiona i uruchomiona wyłącznie przez serwis Miele lub auto-ryzowanego przedstawiciela handlowego. Suszarka musi zostać zainstalowana zgodnie z obowiązującymi zasadami i normami. Używać suszarki tylko w wystarczająco ...
pl - Instalacja *INSTALLATION* 112 Po ustawieniu dokręcić nakrętki na nóżkach do blachy spodniej za pomocą klucza pła-skiego. Mocowanie W celu zabezpieczenia pozycji suszarka musi zostać zamocowana do podłogi za pomo-cą dostarczonych wraz z urządzeniem łapek zaciskowych. Dostarczone materiały mo...
pl - Dane techniczne 115 PDR 914 PDR 918 PDR 922 PDR 928 PDR 944 Wysokość 1400 mm 1400 mm 1400 mm 1640 mm 1640 mm Szerokość 906 mm 906 mm 906 mm 1206 mm 1206 mm Głębokość 852 mm 1035 mm 1162 mm 1018 mm 1385 mm Głębokość przy otwartych drzwiczkach 1456 mm 1639 mm 1768 mm 1622 mm 1988 mm Pojemność bęb...
Other Miele Inne Manuals
-
Miele APWM 063 Instrukcja instalacji
-
Miele APWM 019 Instrukcja obsługi
-
Miele TT 86 Instrukcja obsługi
-
Miele UG 5010 Instrukcja instalacji
-
Miele UO 5010 Instrukcja instalacji
-
Miele E 473/2 Instrukcja obsługi
-
Miele FFK 01 Instrukcja instalacji
-
Miele APDR 002 Instrukcja obsługi
-
Miele DP [50Hz] Instrukcja instalacji
-
Miele APCL 005 Instrukcja instalacji
-
Miele PG 8583 CD [WW AD CM] Instrukcja obsługi
-
Miele PG 8583 CD [WW AD CM] Instrukcja instalacji
-
Miele PG 8583 [WW AD LD] Instrukcja obsługi
-
Miele PG 8583 [WW AD LD] Instrukcja instalacji
-
Miele PLW 8615 [EL] Instrukcja obsługi
-
Miele PLW 8615 [EL] Instrukcja instalacji
-
Miele PG 8504 [AD] Instrukcja obsługi
-
Miele PLW 8617 [EL/S TH] Instrukcja obsługi
-
Miele PLW 8617 [EL/S TH] Instrukcja instalacji
-
Miele PLW 8617 [EL/S RT] Instrukcja obsługi