Miele PDR 544 ROP [G] - Instrukcje

Miele PDR 544 ROP [G] – Instrukcja obsługi, Instrukcja, Instrukcja instalacji, Krótka instrukcja w formacie PDF online.
Instrukcja obsługi Miele PDR 544 ROP [G]


























































Podsumowanie
Ochrona środowiska naturalnego 2 Utylizacja opakowania transportowego Opakowanie chroni urządzenie przed uszkodzeniami podczas trans-portu. Materiały opakowaniowe zostały specjalnie dobrane pod ką-tem ochrony środowiska i techniki utylizacji i dlatego nadają się doponownego wykorzystania. Zwrot opak...
Spis treści 3 Ochrona środowiska naturalnego ................................................................................. 2 Wskazówki bezpieczeństwa i ostrzeżenia ................................................................... 5 Użytkowanie zgodne z przeznaczeniem .............................
Wskazówki bezpieczeństwa i ostrzeżenia 5 Proszę koniecznie przeczytać tę instrukcję użytkowania. Ta suszarka spełnia wymagania obowiązujących przepisów bezpieczeństwa. Nieprawi-dłowe użytkowanie może jednak doprowadzić do wyrządzenia szkód osobowych i rze-czowych. Przed pierwszym użyciem suszarki ...
Wskazówki bezpieczeństwa i ostrzeżenia 6 Proszę nadzorować dzieci przebywające w pobliżu urządzenia. Nigdy nie pozwalać dzie- ciom na zabawy suszarką. Ta suszarka może być również użytkowana w obszarach publicznych. Zastosowania inne niż wyżej wymienione są traktowane jako sprzeczne z przeznac...
Wskazówki bezpieczeństwa i ostrzeżenia 7 Ze względów bezpieczeństwa nie należy stosować żadnych przedłużaczy (zagrożenie pożarowe przez przegrzanie). Zagrożenie pożarowe przez gniazda sterowane. Ta suszarka nie może być zasilana z gniazd sterowanych (np. przez zegar sterujący). Gdy faza schładza...
Wskazówki bezpieczeństwa i ostrzeżenia 8 Jeśli do dyspozycji jest przewód wylotowy, który był wcześniej używany, przed instalacjąsuszarki taki przewód wylotowy należy skontrolować. W przewodzie wylotowym nie może występować podciśnienie. Niebezpieczeństwo uduszenia i zatrucia przez zasysanie zwrot...
Wskazówki bezpieczeństwa i ostrzeżenia 9 Domowa instalacja gazowa i urządzenia gazowe powinny być poddawane corocznym przeglądom. Proszę przy tym przestrzegać obowiązujących lokalnie regulacji. Środki ostrożności w przypadku pojawienia się zapachu gazu - Natychmiast zgasić wszystkie płomienie. - N...
Wskazówki bezpieczeństwa i ostrzeżenia 10 Program jest zakończony w momencie rozpoczęcia fazy schładzania. Faza schładzania odbywa się w wielu programach, żeby zapewnić, że pranie pozostanie w takiej temperatu-rze, w której nie ulegnie uszkodzeniu (np. przez samozapłon). Pranie należy wyjąć z susz...
Opis urządzenia 11 ① ② ④ ⑤ ⑥ ⑨ ⑩ ⑦ ③ ⑧ a Panel sterowania z pokrętłem wyboru b Drzwiczki c Klapa filtra kłaczków d 4 wykręcane nóżki regulowane na wysokość e Przyłącze elektryczne f Wnęka na moduł komunikacyjny g Otwory zasysania dla powietrza suszącego h Króciec wylotowy i Przyłącze dla skrzynki ko...
Obsługa suszarki 12 Urządzenia ze sterowaniem wilgotnością resztkową (ROP) 1 2 3 4 5 6 7 8 9 a Obszar obsługi b Przyciski dotykowe dla stopni suszenia c Wskazania statusu Zapalają się w razie potrzeby. d Przycisk dotykowy Uaktywnia taktowanie dmuchawy do optymalnego suszenia lekkich tekstyl...
Obsługa suszarki 13 Stopnie suszenia - przycisk dotykowy = „Do szafy plus“ - przycisk dotykowy = „Do szafy“ - przycisk dotykowy = „Do prasowania“ - Przycisk dotykowy = „Do maglowania“ - przycisk dotykowy : funkcja „Pościel“ Programy susze-nia - pozycja = program „Tkaniny do gotow./...
Obsługa suszarki 17 Programy susze-nia - pozycja = poziom temperatury „zimny“ Do przewietrzania tekstyliów. - pozycja = poziom temperatury „niski“ Do suszenia bardzo delikatnych tekstyliów ze sztucznego jedwabiulub włókien syntetycznych. - pozycja = poziom temperatury „średni“ Suszenie deli...
Obsługa suszarki 18 Sposób działania obszaru obsługi Przyciski dotykowe reagują na dotykanie końcami palców. Wybórjest możliwy, dopóki poszczególne przyciski są podświetlone. Jasno podświetlony przycisk dotykowy oznacza: „aktualnie wybrany“. Delikatnie podświetlony przycisk dotykowy oznacza: „możliw...
Pierwsze uruchomienie 19 Szkody rzeczowe lub osobowe przez nieprawidłowe ustawienie. Nieprawidłowe ustawienie suszarki może prowadzić do wystąpieniaszkód rzeczowych lub osobowych.Ustawić prawidłowo suszarkę przed pierwszym uruchomieniem.Podłączyć prawidłowo suszarkę.Przestrzegać wskazówek zamieszc...
Suszenie 20 1. Prawidłowa pielęgnacja prania Pranie przed su-szeniem Szczególnie mocno zabrudzone tekstylia należy bardzo dokładniewyprać. Zastosować wystarczającą ilość środków piorących i wybraćwysoką temperaturę prania. W razie wątpliwości uprać tekstylia wielo-krotnie. Jeśli do czyszczenia odzie...
Suszenie 21 2. Załadunek suszarki Wkładanie prania Uszkodzenia tekstyliów przez nieprawidłową pielęgnację prania. Gdy nie przestrzega się prawidłowej pielęgnacji prania, tekstyliamogą zostać uszkodzone przez suszenie.Przed włożeniem prania zapoznać się najpierw z rozdziałem„1. Prawidłowa pielęgnac...
Suszenie 23 Czas opóźnienia startu jest dalej odliczany. Kasowanie/przery-wanie zaprogramo-wanego czasuopóźnienia startu Obrócić pokrętło wyboru programów na pozycję . Alternatywnie odliczanie czasu opóźnienia startu można również przerwać otwie-rając drzwiczki. Odliczanie urucho-mionego czasuo...
Suszenie 24 5. Wyjmowanie prania z suszarki Zakończenie pro-gramu Suszarka może zostać ustawiona w taki sposób, że przy zakończe-niu programu rozlegnie się sygnał akustyczny. Po zakończeniu programu (na wyświetlaczu pokazywane jest ) pranie jest schłodzone i może zostać wyjęte. Jeśli została wy...
Zmiana przebiegu programu 25 Przełączanie bieżącego programu Wybranie nowego programu nie jest więcej możliwe podczas trwają-cego programu (ochrona przed niezamierzonymi zmianami). Aby wy-brać nowy program, należy najpierw przerwać bieżący program. Zagrożenie pożarowe przez nieprawidłowe zastosowa...
Zmiana przebiegu programu 26 Wyjąć pranie lub dołożyć pranie. Zamknąć drzwiczki. Nacisnąć przycisk dotykowy Start/Stop , żeby kontynuować odlicza- nie czasu opóźnienia. Czas pozostały Zmiany przebiegu programu mogą prowadzić do przeskakiwania cza-su na wyświetlaczu.
Poziom administratora (tryb programowania) 27 Warunki dla wejścia - Urządzenie jest włączone. - Drzwiczki urządzenia są otwarte. Wchodzenie na poziom administratora Przytrzymać naciśnięty przycisk dotykowy Start/Stop i zamknąć drzwiczki suszarki. Przycisk dotykowy Start/Stop miga szybko przez 2 ...
Poziom administratora (tryb programowania) 32 Pro- gram Oznaczenie Możliwe ustawienia Ustawienie wstępne Objaśnienia Bez zagnieceń = wył. = 1 h = 2 h = 3 h = 4 h = 5 h = 6 h = 7 h = 8 h = 9 h = 10 h = 11 h ...
Poziom administratora (tryb programowania) 33 Wartość ustawienia na wyświetlaczu Temperatura 90 °C/194 °F 95 °C/203 °F 100 °C/212 °F 105 °C/221 °F 110 °C/230 °F 115 °C/239 °F 120 °C/248 °F 125 °C/257 °F 130 °C/266 °F 135 °C/275 °F 140 °C/284 °F 145 °C/293 °F 15...
Poziom administratora (tryb programowania) 34 Wartość ustawienia na wyświetlaczu Temperatura 57 °C/135 °F 58 °C/136 °F 59 °C/138 °F 60 °C/140 °F 61 °C/142 °F 62 °C/144 °F 63 °C/145 °F 64 °C/147 °F 65 °C/149 °F 66 °C/151 °F 67 °C/153 °F 68 °C/154 °F 69 °C/156 °F...
Poziom administratora (tryb programowania) 36 Czasy pauzy Wartość ustawienia na wyświetlaczu Sekundy 2 s 3 s 4 s 5 s 6 s 7 s 8 s 9 s 10 s 11 s 12 s 13 s 14 s 15 s Kończenie trybu programowania Aby zakończyć tryb programowania, obrócić pokrętło wyboru na su...
Czyszczenie i konserwacja 37 Czyszczenie filtra kłaczków Zagrożenie pożarowe przez użytkowanie suszarki bez filtra kłaczków.Drogi powietrzne, grzanie i przewód wydmuchowy podczas pracysuszarki bez filtra kłaczków mogą się zatkać i zapalić.Nie wolno wyjmować filtra kłaczków do czyszczenia.Nigdy nie...
Czyszczenie i konserwacja 38 Czyszczenie bębna i zewnętrznych elementów obudo-wy Zagrożenie życia przez porażenie prądem. Nie wolno czyścić ani konserwować suszarki nie odłączonej całko-wicie od zasilania.Przed rozpoczęciem czyszczenia lub konserwacji zawsze należywyłączyć suszarkę za pomocą insta...
Co robić, gdy... 39 Pomoc w usterkach Komunikat Przyczyna i postępowanie Wyświetlacz pozostajeciemny. Suszarka nie ma prądu. Sprawdzić wtyczkę, wyłącznik główny i bezpieczniki (postronie instalacji). Problem Przyczyna i postępowanie Kondensat wypływa w nie-oczekiwanym miejscu. Odpływ jest zabrudzo...
Co robić, gdy... 40 Problem Przyczyna i postępowanie Usunąć kłaczki. Obszar prowadzenia powietrza jest zatkany np. przez wło-sy i kłaczki. Wyczyścić obszar prowadzenia powietrza. Pokrywę w obszarze napełniania można zdjąć, żeby wy-czyścić znajdujący się pod nią obszar prowadzenia po-wietrza. P...
Serwis 41 Kontakt w przypadku wystąpienia usterki W razie wystąpienia usterek, których nie można usunąć samodzielnie, proszę powiadomićsprzedawcę Miele lub serwis Miele. Numer telefonu do serwisu Miele znajduje się na końcu tego dokumentu. Serwis wymaga podania modelu i numeru fabrycznego urządzenia...
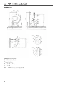
Instalacja 42 Warunki instalacyjne Szkody rzeczowe lub osobowe przez nieprawidłowe ustawienie. Nieprawidłowe ustawienie suszarki może prowadzić do wystąpienia szkód rzeczowychlub osobowych. Suszarka może zostać ustawiona i uruchomiona wyłącznie przez serwis Miele lub autory-zowanego przedstawiciel...
Instalacja 43 Ustawianie suszarki Ustawić suszarkę na całkowicie płaskiej, wypoziomowanej i sztywnej powierzchni, którawytrzyma podane obciążenie podłoża. Obciążenie podłoża przez suszarkę rozkłada się punktowo na powierzchni ustawczejw obszarze nóżek urządzenia. Fundament nie jest wymagany. Nieró...
Instalacja 44 Aby ułatwić późniejszą konserwację, za urządzeniem należy utworzyć ciąg serwisowyo szerokości przynajmniej 500 mm i utrzymywać go przez cały czas w dostępności. Po-dane odstępy od ściany nie mogą zostać zmniejszone. Wypoziomować suszarkę przez przestawienie nóżek ustawczych. Dla pr...
Instalacja 45 Wymagane napięcie przyłączeniowe, pobór mocy i dane dotyczące zabezpieczenia ze-wnętrznego są podane na tabliczce znamionowej suszarki. Proszę się upewnić przedwykonaniem podłączenia elektrycznego, że napięcie przyłączeniowe jest zgodne z war-tościami napięcia na tabliczce znamionowej!...
Instalacja 46 Podłączenie gorącej wody (tylko dla wariantów ogrzewanych gorącą wo-dą) Podłączenie gorącej wody może zostać dokonane wyłącznie przez uprawnionego instalato-ra. Przestrzegać instrukcji instalacji, obowiązuje ona również dla podłączenia gorącej wody. Jeśli wymagany jest zawór odcinający...
Podłączenie do sieci 47 Instrukcja parowania Za pomocą poniższych kroków można połączyć suszarkę z siecią. Otwieranie poziomu administratora Włączyć urządzenie, obracając pokrętło wyboru z pozycji na inną dowolną pozycję. Otworzyć drzwiczki suszarki. Przytrzymać naciśnięty przycisk dotykowy...
Podłączenie do sieci 48 Utworzyć połączenie za pomocą Device Connector w Miele MOVE. Gdy tylko połączenie zostanie utworzone, migają kropki w słowie . Następnie proszę kontynuować za pomocą Device Connector w Miele MOVE. Konfigurowanie połączenia sieciowego przez kabel LAN Do utworzenia poł...
Podłączenie do sieci 49 Siła sygnału WiFi Znaczenie MDU * 76–100% 3/3** z reguły możliwe niezawodne działanie 51–75% 2/3 26–50% 1/3 z reguły możliwe działanie 1–25% 0/3 z reguły możliwe działanie z ograniczeniami 0% działanie niemożliwe * pokazywane na urządzeniu** ilość kresek 3/3–0/3 Siła sy...
Podłączenie do sieci 50 Ethernet Ethernet Standaryzowana technologia przesyłowa dla sieci kablowych o różnych prędkościachtransmisji (10/100/1000 Mbit/s). IEEE Institute of Electrical and Electronics Engineers Ogólnoświatowa organizacja skupiająca inżynierów związanych głównie z branżą elektro-techn...
Podłączenie do sieci 54 Przykład dla sieci Wi-Fi 1 Internet 2 Router Wi-Fi = 192.168.1.1 3 PC = 192.168.1.2 4 Drukarka = 192.168.1.3 5 Smartfon = 192.168.1.4 6 Notebook = 192.168.1.5 7 Pralka = 192.168.1.6 Każdy uczestnik otrzymuje z routera automatycznie adres IP (DHCP). Adresy IP umożliwiają ukier...
Wyposażenie dodatkowe 55 Elementy wyposażenia mogą zostać dobudowane lub wbudowane tylko wtedy, gdy jest to wyraźnie dozwolone przez firmę Miele. Jeśli zostaną dobudowane lub wbudowane inneelementy, przepadają roszczenia wynikające z gwarancji, rękojmi i/lub odpowiedzialnościza produkt. Skrzynka k...
Wyposażenie dodatkowe 56 Ustawienia fabryczne konfiguracji sieciowej Wszystkie ustawienia modułu komunikacyjnego lub zintegrowanego modułu WiFi możnaprzywrócić do ustawień fabrycznych. Konfigurację sieci należy przywrócić do stanu fa-brycznego, gdy utylizuje się urządzenie, sprzedaje lub rozpoczyna ...
Dane techniczne 57 Dane techniczne PDR 514 PDR 518 PDR 522 PDR 528 PDR 544 Wysokość 1400 mm 1400 mm 1400 mm 1640 mm 1640 mm Szerokość 906 mm 906 mm 906 mm 1206 mm 1206 mm Głębokość 852 mm 1035 mm 1162 mm 1019 mm 1385 mm Głębokość przy otwartych drzwiczkach 1456 mm 1639 mm 1768 mm 1623 mm 1989 mm Poj...
Instrukcja Miele PDR 544 ROP [G]






































































































































































Instrukcja instalacji Miele PDR 544 ROP [G]
























































Krótka instrukcja Miele PDR 544 ROP [G]




























































































































Podsumowanie
pl - Spis treści 94 Podłączenie elektryczne .................................................................................................... 120Wlot/wylot ......................................................................................................................... 121Podłączenie pary...
pl - Ochrona środowiska naturalnego 95 Utylizacja opakowania transportowego Opakowanie chroni urządzenie przed uszkodzeniami podczas trans-portu. Materiały opakowaniowe zostały specjalnie dobrane pod ką-tem ochrony środowiska i techniki utylizacji i dlatego nadają się doponownego wykorzystania. Zwro...
pl - Wskazówki bezpieczeństwa i ostrzeżenia 96 Proszę koniecznie przeczytać tę instrukcję użytkowania. Rozszerzona dokumentacja Niniejszy dokument zawiera podstawowe informacje. Pełną instrukcję obsługi oraz innedokumenty dotyczące urządzenia można znaleźć na stronie internetowej Miele: https://ww...
pl - Wskazówki bezpieczeństwa i ostrzeżenia 97 Jeśli urządzenie jest eksploatowane w otoczeniu przemysłowym, wówczas może być obsługiwane tylko przez odpowiednio poinstruowany/przeszkolony lub wykwalifikowanypersonel. Jeśli urządzenie jest używane w strefie publicznie dostępnej, wówczas admini-str...
pl - Wskazówki bezpieczeństwa i ostrzeżenia 98 - są zabrudzone łatwopalnymi środkami czyszczącymi lub pozostałościami acetonu, al- koholu, benzyny, nafty, odplamiacza, terpentyny, wosku i środków do usuwania woskulub innych chemikaliów (mogących występować np. w przypadku mopów, ścierek). - są zabru...
pl - Wskazówki bezpieczeństwa i ostrzeżenia 100 W obszarze otwierania drzwiczek załadunkowych nie wolno instalować żadnych zamy- kanych drzwiczek, drzwiczek przesuwanych ani drzwiczek osadzonych po przeciwnej stro-nie. Gdy uszkodzony jest przewód zasilający, musi on zostać wymieniony przez specj...
pl - Wskazówki bezpieczeństwa i ostrzeżenia 101 Suszarka nie może być użytkowana bez filtra kłaczków ani z uszkodzonym filtrem kłacz- ków. Mogą wystąpić usterki w działaniu. Kłaczki zatkają drogi powietrzne, grzanie i prze-wód wylotowy, co może doprowadzić do pożaru. Natychmiast wyłączyć suszarkę ...
pl - Obsługa suszarki 102 Urządzenia ze sterowaniem wilgotnością resztkową (ROP) 1 2 3 4 5 6 7 8 9 a Obszar obsługi b Przyciski dotykowe dla stopni suszenia c Wskazania statusu Zapalają się w razie potrzeby. d Przycisk dotykowy Do suszenia pościeli. e Wyświetlacz czasu Pokazuje pozost...
pl - Obsługa suszarki 103 Programy suszenia - pozycja = program „Tkaniny do gotow./kolor.“ Do suszenia tekstyliów z bawełny i lnu. - pozycja = program „Tkaniny do gotow./kolor. Tryb łagodny“ Do suszenia wrażliwych tekstyliów z bawełny i lnu. - pozycja = program „Syntetyki/Delikatne“ Do sus...
pl - Obsługa suszarki 107 Suszenie delikatnych tekstyliów z włókien syntetycznych i tkanin mieszanych. - pozycja = poziom temperatury „wysoki“ Do suszenia tekstyliów do gotowania i kolorowych z bawełny lub lnu. - pozycja = urządzenie wył.
pl - Obsługa suszarki 108 Sposób działania obszaru obsługi Przyciski dotykowe reagują na dotykanie końcami palców. Wybór jest możliwy, dopókiposzczególne przyciski są podświetlone. Jasno podświetlony przycisk dotykowy oznacza: „aktualnie wybrany“. Delikatnie podświetlony przycisk dotykowy oznacza: „...
pl - Suszenie 109 1. Prawidłowa pielęgnacja prania Pranie Szczególnie mocno zabrudzone tekstylia należy bardzo dokładnie wyprać: Zastosowaćwystarczającą ilość środków piorących i wybrać wysoką temperaturę prania. W razie wąt-pliwości uprać tekstylia wielokrotnie. Nowe, farbujące tekstylia należy wyp...
pl - Suszenie 110 2. Załadunek suszarki Wkładanie prania Uszkodzenia tekstyliów przez nieprawidłową pielęgnację prania. Gdy nie przestrzega się prawidłowej pielęgnacji prania, tekstylia mogą zostać uszkodzo-ne przez suszenie.Przed włożeniem prania przeczytać najpierw rozdział „1. Prawidłowa pielęg...
pl - Suszenie 111 3. Wybieranie programu Wybieranie programu Poprzez wybranie programu suszarka zostaje włączona, a ustawienie pokrętła wyboru pro-gramów w pozycji ją wyłącza. Obrócić pokrętło wyboru programów na wybrany program. Dodatkowo może się świecić stopień suszenia, a na wyświetlaczu cz...
pl - Suszenie 112 Wskazówka: W przypadku dłuższego przytrzymania przycisków dotykowych lub na- stępuje automatyczne odliczanie czasu w dół lub w górę. Zmiana czasu opóźnienia startu Nacisnąć przycisk dotykowy Start/Stop . Naciskać przyciski dotykowe lub dotąd, aż na wyświetlaczu czasu po...
pl - Suszenie 113 Pranie i tekstylia mogą zostać niepotrzebnie obciążone.Unikać przesuszania prania i tekstyliów. Oszczędzanie energii Po zaprogramowanym czasie elementy wskazań zostają wygaszone. Przycisk dotykowy Start/Stop pulsuje światłem. Nacisnąć przycisk dotykowy Start/Stop , żeby z powrot...
pl - Suszenie 114 Zamknąć drzwiczki. Wyłączyć suszarkę. Wskazówki konserwacyjne Ta suszarka wymaga regularnej konserwacji, szczególnie przy pracy ciągłej. Przestrzegaćwskazówek zamieszczonych w rozdziale „Czyszczenie i konserwacja“.
pl - Czyszczenie i konserwacja 115 Czyszczenie filtra kłaczków Zagrożenie pożarowe przez użytkowanie suszarki bez filtra kłaczków. Drogi powietrzne, grzanie i przewód wydmuchowy podczas pracy suszarki bez filtrakłaczków mogą się zatkać i zapalić.Nie wolno wyjmować filtra kłaczków do czyszczenia.Ni...
pl - Czyszczenie i konserwacja 116 Czyszczenie bębna i zewnętrznych elementów obudowy Zagrożenie życia przez porażenie prądem. Nie wolno czyścić ani konserwować suszarki nie odłączonej całkowicie od zasilania.Przed rozpoczęciem czyszczenia lub konserwacji zawsze należy wyłączyć suszarkę zapomocą i...
pl - Serwis 117 Wyposażenie dodatkowe Wyposażenie dodatkowe do tej suszarki można nabyć w sklepach specjalistycznych lub wserwisie firmy Miele. Kontakt w przypadku wystąpienia usterki W razie wystąpienia usterek, których nie można usunąć samodzielnie, proszę powiadomićsprzedawcę Miele lub serwis Mie...
pl - Instalacja 118 Warunki instalacyjne Suszarka może zostać ustawiona i uruchomiona wyłącznie przez serwis Miele lub auto-ryzowanego przedstawiciela handlowego. Suszarka musi zostać zainstalowana zgodnie z obowiązującymi zasadami i normami. Używać suszarki tylko w wystarczająco wentylowanych i...
pl - Instalacja 120 Po ustawieniu dokręcić nakrętki na nóżkach do blachy spodniej za pomocą klucza pła-skiego. Mocowanie W celu zabezpieczenia pozycji suszarka musi zostać zamocowana do podłogi za pomo-cą dostarczonych wraz z urządzeniem łapek zaciskowych. Dostarczone materiały mocujące są przew...
pl - Dane techniczne 123 Dane techniczne PDR 514 PDR 518 PDR 522 PDR 528 PDR 544 Wysokość 1400 mm 1400 mm 1400 mm 1640 mm 1640 mm Szerokość 906 mm 906 mm 906 mm 1206 mm 1206 mm Głębokość 852 mm 1035 mm 1162 mm 1019 mm 1385 mm Głębokość przy otwartych drzwiczkach 1456 mm 1639 mm 1768 mm 1623 mm 1989 ...
Other Miele Inne Manuals
-
Miele APWM 063 Instrukcja instalacji
-
Miele APWM 019 Instrukcja obsługi
-
Miele TT 86 Instrukcja obsługi
-
Miele UG 5010 Instrukcja instalacji
-
Miele UO 5010 Instrukcja instalacji
-
Miele E 473/2 Instrukcja obsługi
-
Miele FFK 01 Instrukcja instalacji
-
Miele APDR 002 Instrukcja obsługi
-
Miele DP [50Hz] Instrukcja instalacji
-
Miele APCL 005 Instrukcja instalacji
-
Miele PG 8583 CD [WW AD CM] Instrukcja obsługi
-
Miele PG 8583 CD [WW AD CM] Instrukcja instalacji
-
Miele PG 8583 [WW AD LD] Instrukcja obsługi
-
Miele PG 8583 [WW AD LD] Instrukcja instalacji
-
Miele PLW 8615 [EL] Instrukcja obsługi
-
Miele PLW 8615 [EL] Instrukcja instalacji
-
Miele PG 8504 [AD] Instrukcja obsługi
-
Miele PLW 8617 [EL/S TH] Instrukcja obsługi
-
Miele PLW 8617 [EL/S TH] Instrukcja instalacji
-
Miele PLW 8617 [EL/S RT] Instrukcja obsługi