Miele APWM 019 - Instrukcje
Instrukcja obsługi Miele APWM 019








































































































































Podsumowanie
pl - Ochrona środowiska naturalnego 118 Utylizacja opakowania transportowego Opakowanie chroni Connector-Box przed uszkodzeniami podczastransportu. Materiały opakowaniowe zostały specjalnie dobrane podkątem ochrony środowiska i techniki utylizacji i dlatego nadają się doponownego wykorzystania. Zwro...
pl - Wskazówki bezpieczeństwa i ostrzeżenia 119 Ten Connector-Box spełnia wymagania obowiązujących przepisówbezpieczeństwa. Nieprawidłowe użytkowanie może jednak dopro-wadzić do wyrządzenia szkód osobowych i rzeczowych. Proszę najpierw przeczytać tę instrukcję użytkowania i montażu dlaurządzenia Con...
pl - Wskazówki bezpieczeństwa i ostrzeżenia 120 Po zamontowaniu na ścianie Connector-Box musi być dostępny do celów serwisowych. Przewody przyłączeniowe skrzynki przyłączeniowej Connector-Box muszą być zamontowane i ułożone z zachowaniem fachowości. Do przyłączenia zewnętrznego sprzętu należy ...
pl - Opis działania 121 Sposób działania Connector-Box umożliwia podłączenie zewnętrznego sprzętu Mielei innych dostawców do urządzenia Miele Professional. Zewnętrznysprzęt to np. systemy inkasujące, systemy dozujące, przełącznikiprzeciążeniowe, czujniki ciśnienia, zewnętrzne klapy wylotowe itd. Fun...
pl - Instalacja 122 Przed zamocowaniem skrzynki przyłączeniowej Con-nector-Box - Connector-Box musi zostać prawidłowo przykręcony do infrastruk- tury budowlanej. Wymiary do wiercenia otworów w ścianie patrzrozdział „ “, rysunek na końcu tej instrukcji użytkowania i mon- tażu. - Alternatywnie Con...
pl - Instalacja 124 Proszę postępować według wskazówek w instrukcji użytkowaniai instalacji dla urządzenia Miele Professional. Dla komunikacji z zewnętrznym sprzętem (urządzenie inkasujące,urządzenie dozujące...) wymagane jest przeprowadzenie ustawień/programowania na urządzeniu Miele Professional. ...
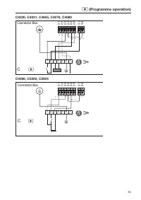
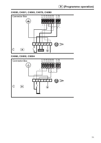
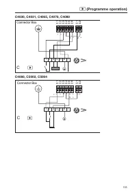
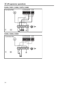
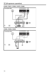
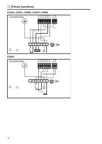
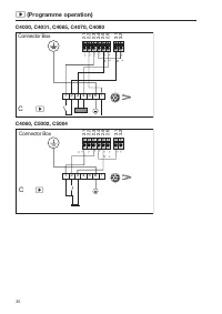
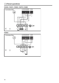
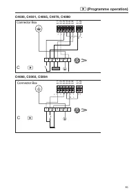
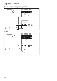
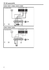
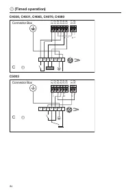
pl - Instalacja 126 Tabela Funkcja i obciążalność prądowa Kodowanie 1 Zastosowa- nie Obłożenie zacisków Sygnał Kierunek sygnału Obciążal- ność prądowa Opis funkcji P rz ewód ochr onny PE PE Przewód ochronny PE PE Przewód ochronny PE PE Przewód ochronny PE PE Przewód ochronny Obciąż enie ...
pl - Instalacja 128 Tabela Funkcja i obciążalność prądowa Kodowanie 2 Zastosowa- nie Obłożenie zacisków Sygnał Kierunek sygnału Obciążal- ność prądowa Opis funkcji P rz ewód ochr onny PE PE Przewód ochronny PE PE PE PE PE PE WRG 1.1 L' 1,0 A Pompa WRG WŁ. 1.2 N' 0,5 A Zawór WRG 1.3...
pl - Podłączenie elektryczne *INSTALLATION* 130 Podłączenie elektryczne Connector-Box jest zasilany prądem przez urządzenie Miele Profes-sional. Connector-Box nie posiada żadnego dodatkowego przełącznika wł./ wył. Uszkodzenie skrzynki przyłączeniowej Connector-Box przez nieprawidłowe podłączenie.C...
Other Miele Inne Manuals
-
Miele APWM 063 Instrukcja instalacji
-
Miele TT 86 Instrukcja obsługi
-
Miele UG 5010 Instrukcja instalacji
-
Miele UO 5010 Instrukcja instalacji
-
Miele E 473/2 Instrukcja obsługi
-
Miele FFK 01 Instrukcja instalacji
-
Miele APDR 002 Instrukcja obsługi
-
Miele DP [50Hz] Instrukcja instalacji
-
Miele APCL 005 Instrukcja instalacji
-
Miele PG 8583 CD [WW AD CM] Instrukcja obsługi
-
Miele PG 8583 CD [WW AD CM] Instrukcja instalacji
-
Miele PG 8583 [WW AD LD] Instrukcja obsługi
-
Miele PG 8583 [WW AD LD] Instrukcja instalacji
-
Miele PLW 8615 [EL] Instrukcja obsługi
-
Miele PLW 8615 [EL] Instrukcja instalacji
-
Miele PG 8504 [AD] Instrukcja obsługi
-
Miele PLW 8617 [EL/S TH] Instrukcja obsługi
-
Miele PLW 8617 [EL/S TH] Instrukcja instalacji
-
Miele PLW 8617 [EL/S RT] Instrukcja obsługi
-
Miele PLW 8617 [EL/S RT] Instrukcja instalacji