Miele PWM 507 [EL DV] - Instrukcja instalacji

Miele PWM 507 [EL DV]

Miele PWM 507 [EL DV] – Instrukcja instalacji, czytaj za darmo online w formacie PDF. Mamy nadzieję, że to pomoże rozwiązać wszelkie problemy, które mogą się pojawić. Jeśli masz dodatkowe pytania, skontaktuj się z nami za pomocą formularza kontaktowego.

1 Strona 1
2 Strona 2
3 Strona 3
4 Strona 4
5 Strona 5
6 Strona 6
7 Strona 7
8 Strona 8
9 Strona 9
10 Strona 10
11 Strona 11
12 Strona 12
13 Strona 13
Strona: / 13

Spis treści:

  • Strona 3 – W y m ia r y u r z ą d z e n i a
  • Strona 4 – I n s t a l a c j a; urządzenie może również zostać dosunięte do ściany.
  • Strona 5 – U s t a w i e n ie p ra ln i c y z s u sz a r k ą w s łu p ku
  • Strona 6 – U s t a w i e n i e
  • Strona 8 – D a n e t e c h n i c z n e
  • Strona 12 – W s k a zó w k i d o t y c z ą c e i n st a l a c j i i p l a n o w a n i a
Ładowanie instrukcji

P l a n i n s t a l a c y j n y

Pralnica

P W M 5 0 7 D V / D P
P W M 5 0 7 D V / D P H i g i e n a / S p e c j a l n y





Przed ustawieniem -

instalacją - uruchomieniem należy koniecznie przeczytać

instrukcję użytkowania i montażu.
Dzięki temu można uniknąć zagrożeń i uszkodzeń urządzenia.

p l - P L

11 279 400/03

"Ładowanie instrukcji" oznacza, że należy poczekać, aż plik się załaduje i będzie można go czytać online. Niektóre instrukcje są bardzo obszerne, a czas ich ładowania zależy od prędkości Twojego internetu.

Inne instrukcje dla Miele PWM 507 [EL DV]

Podsumowanie

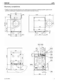
Strona 3 - W y m ia r y u r z ą d z e n i a

PWM 507 pl-PL 11 279 400/03 3 W y m ia r y u r z ą d z e n i a * Odstępy od ściany stanowią zalecenia w celu ułatwienia prac serwisowych. W przypadku ograniczonych warunków instalacyjnych urządzenie może również zostać dosunięte do ściany.

Strona 4 - I n s t a l a c j a; urządzenie może również zostać dosunięte do ściany.

PWM 507 pl-PL 4 11 279 400/03 I n s t a l a c j a * Odstępy od ściany stanowią zalecenia w celu ułatwienia prac serwisowych. W przypadku ograniczonych warunków instalacyjnych urządzenie może również zostać dosunięte do ściany.

Strona 5 - U s t a w i e n ie p ra ln i c y z s u sz a r k ą w s łu p ku

PWM 507 pl-PL 11 279 400/03 5 U s t a w i e n ie p ra ln i c y z s u sz a r k ą w s łu p ku * Odstępy od ściany stanowią zalecenia w celu ułatwienia prac serwisowych. W przypadku ograniczonych warunków instalacyjnych urządzenie może również zostać dosunięte do ściany.

Inne modele Miele

Wszystkie inne Miele