Miele PWM 916 [EL DV DD HS] - Instrukcje

Miele PWM 916 [EL DV DD HS] – Instrukcja obsługi, Instrukcja, Instrukcja instalacji, Krótka instrukcja w formacie PDF online.
Instrukcja obsługi Miele PWM 916 [EL DV DD HS]




































































Podsumowanie
Ochrona środowiska naturalnego 2 Utylizacja opakowania transportowego Opakowanie chroni pralnicę przed szkodami transportowymi. Mate-riały opakowaniowe zostały specjalnie dobrane pod kątem ochronyśrodowiska i techniki utylizacji i dlatego nadają się do ponownegowykorzystania. Zwrot opakowań do obieg...
Spis treści 3 Ochrona środowiska naturalnego ................................................................................. 2 Utylizacja starego urządzenia ............................................................................................ 2 Wskazówki bezpieczeństwa i ostrzeżenia ..........
Spis treści 5 Obsługa/Wskazania........................................................................................................... 55 Język ............................................................................................................................. 55Wybór języków .............
Wskazówki bezpieczeństwa i ostrzeżenia 7 Ta pralnica spełnia wymagania obowiązujących przepisów bezpie-czeństwa. Nieprawidłowe użytkowanie może jednak doprowadzićdo wyrządzenia szkód osobowych i rzeczowych. Przed uruchomieniem pralnicy należy uważnie przeczytać instrukcjęużytkowania. Zawiera ona waż...
Wskazówki bezpieczeństwa i ostrzeżenia 8 Użytkowanie zgodne z przeznaczeniem Pralnica jest przeznaczona wyłącznie do prania takich tekstyliów, które są oznaczone przez producenta na etykiecie konserwacyjnej ja-ko nadające się do prania. Inne zastosowania są potencjalnie niebez-pieczne. Producent n...
Wskazówki bezpieczeństwa i ostrzeżenia 9 Potencjalnie nieprawidłowe wykorzystanie Nigdy nie stosować w pralnicy środków czyszczących zawierają- cych rozpuszczalniki ( jak np. benzyna pralnicza). Podzespoły urzą-dzenia mogą ulec uszkodzeniu i mogą wystąpić trujące opary. Istniejezagrożenie pożarowe...
Wskazówki bezpieczeństwa i ostrzeżenia 10 Bezpieczeństwo techniczne Skontrolować pralnicę przed instalacją pod kątem widocznych uszkodzeń. Uszkodzona pralnica nie może zostać zainstalowana aniuruchomiona. Elektryczne bezpieczeństwo tej pralnicy jest zagwarantowane tylko wtedy, gdy jest ona podłą...
Wskazówki bezpieczeństwa i ostrzeżenia 12 Prawidłowe użytkowanie Maksymalna wielkość załadunku wynosi dla PWM 912 – 12 kg, dla PWM 916 – 16 kg, a dla PWM 920 – 20 kg suchego prania. Częścio-wo mniejsze wielkości załadunku dla poszczególnych programówmożna odnaleźć w rozdziale „Przegląd programów“....
Wskazówki bezpieczeństwa i ostrzeżenia 14 Chlor i uszkodzenia podzespołów Wraz ze wzrostem udziału chloru rośnie prawdopodobieństwo uszkodzenia podzespołów. Zastosowanie środków zawierających chlor, jak np. podchloryn so- du i wybielacze chlorowe w proszku, może uszkodzić warstwęochronną stali s...
Wskazówki bezpieczeństwa i ostrzeżenia 15 Wyposażenie Elementy wyposażenia mogą zostać dobudowane lub wbudowane tylko wtedy, gdy jest to wyraźnie dozwolone przez firmę Miele. Jeślizostaną dobudowane lub wbudowane inne elementy, przepadająroszczenia wynikające z gwarancji, rękojmi i/lub odpowiedzia...
Opis urządzenia (bez komory spłukiwania środków piorących) 16 Warianty urządzeń z komorą spłukiwania środków piorących (WEK) ⑪ ⑥ ⑦ ⑧ ⑨ ⑩ ⑫ ① ② ③ ④ ⑤ ⑧ ⑬ ⑮ ⑭ ⑯ ⑰ ⑱ a Wyświetlacz patrz rozdział „Funkcje elementów stero-wania“ b Wyłącznik awaryjny patrz rozdział „Funkcje elementów stero-wania“ c Uchwyt...
Opis urządzenia (bez komory spłukiwania środków piorących) 17 Warianty urządzeń bez komory spłukiwania środków piorących (WEK) ① ② ③ ④ ⑤ ⑥ ⑦ ⑧ ⑨ ⑩⑪ ⑦ ⑫ ⑭ ⑬ ⑮ ⑯ ⑰ a Wyświetlacz patrz rozdział „Funkcje elementów stero-wania“ b Wyłącznik awaryjny patrz rozdział „Funkcje elementów stero-wania“ c Uchwyt ...
Obsługa 18 Panel sterowania a Przycisk dotykowy Ję-zyk Do wybierania aktualnego języ-ka obsługi.Po zakończeniu programu zo-stanie z powrotem wyświetlonyjęzyk administratora. b Przycisk dotykowy Powrót Przełącza o jeden poziomw menu z powrotem. c Wyświetlacz dotykowy d Przycisk dotykowy Start...
Obsługa 19 Przyciski dotykowe i wyświetlacz dotykowy z przyciska-mi dotykowymi Przyciski dotykowe , i Start/Stop oraz przyciski dotykowe na wyświetlaczu reagują na kontakt z palcem. Każde dotknięcie zostajepotwierdzone dźwiękiem. Głośność dźwięku przycisków można zmie-nić lub wyłączyć (patrz ro...
Obsługa 21 Gdy naciśnie się krótko cyfry pomiędzy dwoma liniami, zostaje wy-świetlony blok numeryczny. OK 12:00 3 4 2 1 5 6 7 8 0 9 Godzina Po wprowadzeniu prawidłowej wartości przycisk dotykowy OK zosta- je zaznaczony na zielono. Wysuwane menu W wysuwanym menu można wyświetlić różne informacje,...
Obsługa 22 WS-poj. 11:02 Tkaninykolorowe Wełna Tkaniny bar-dzo delikatne Tkaninydelikatne Pomoc Oferowane jest od 4 do 12 wstępnie ustawionych programów. Te pro-gramy nie mogą zostać zmienione przez użytkownika. WS-logo 11:02 Tkaninykolorowe Wełna Tkaninydelikatne Pomoc Oferowane...
Przygotowanie do prania 23 Opróżnianie kieszeni Opróżnić wszystkie kieszenie. Możliwość wyrządzenia uszkodzeń przez ciała obce. Gwoździe, monety, spinacze biurowe itd. mogą uszkodzić tekstyliai podzespoły urządzenia.Skontrolować pranie przed rozpoczęciem prania pod kątem wystę-powania ciał obcyc...
Przygotowanie do prania 24 Załadunek pralnicy Włączyć pralnicę przyciskiem . Otworzyć drzwiczki załadunkowe przez pociągnięcie za uchwytdrzwiczek. Włożyć do bębna rozłożone i rozluźnione pranie. Sztuki prania oróżnej wielkości poprawiają skuteczność prania i lepiej się rozkłada-ją w bębnie p...
Przygotowanie do prania 25 Włączanie pralnicy Nacisnąć przycisk . Wybieranie programu 11:02 Programy Preferowane Administrator Pomoc Istnieją różne możliwości wybrania programu. Można wybrać program w menu Programy . Nacisnąć przycisk dotykowy Programy . 11:02 Tkaniny dogotowania Tk...
4. Wybieranie ustawień programowych 26 Wybieranie załadunku Aby umożliwić uzależnione od ilości ładunku dozowanie zewnętrzne,w niektórych programach można wprowadzić wielkość załadunku. Nacisnąć przycisk dotykowy Waga . Wprowadzić prawidłową wartość odpowiadającą wielkości załadun-ku. Wyświetlac...
Pranie z komorą spłukiwania środków piorących 27 Dodawanie środków piorących poprzez komorę spłuki-wania W programach standardowych środki piorące w proszku dla praniagłównego podaje się do zasobnika , w razie potrzeby środki pio- rące do prania wstępnego do zasobnika , natomiast środki pielę...
Pranie z komorą spłukiwania środków piorących 28 Środki wybielające Wybielać tylko takie tekstylia, które są oznaczone symbolem konser-wacyjnym Δ . Dodawanie płynnego środka wybielającego może nastąpić wyłączniedo przewidzianego do tego zasobnika w komorze spłukiwania. Tylkowtedy można zagwarantowa...
Pranie z komorą spłukiwania środków piorących 29 Dozowanie środków piorących Dozowanie środ-ków piorących Zasadniczo należy unikać nadmiernego dozowania, ponieważ prowa-dzi ono do zwiększonego wytwarzania piany. - Nie stosować mocno pieniących się środków piorących. - Uwzględnić informacje podane pr...
Zegar sterujący (Timer) 31 Za pomocą timera można wybrać czas do rozpoczęcia programu,czas rozpoczęcia programu lub czas zakończenia programu. Ustawianie timera Nacisnąć przycisk dotykowy Timer . Wybrać opcję Koniec o , Start za lub Start o . Ustawić liczbę godzin i minut i potwierdzić za po...
Usterki 32 Awaria zasilania podczas prania Wyłączyć urządzenie. Wyłączyć przełącznik główny (instalacyjny). Zamknąć instalacyjne zawory odcinające dla wody lub pary. W celu wyjęcia prania należy najpierw otworzyć ręcznie zawór od-pływowy a następnie odblokować ręcznie drzwiczki załadunkowe. ...
Usterki 33 Obrócić element odblokowujący z gniazdem sześciokątnym za po-mocą klucza torx T 40 o dwa pełne obroty w kierunku przeciwnym do ruchu wskazówek zegara (w lewo) . Wskazówka: Obracanie odblokowywania awaryjnego będzie łatwiej- sze, gdy dociśnie się równocześnie drzwiczki. Element odblokowu...
Usterki 34 Serwis W przypadku wystąpienia usterek proszę powiadomić serwis fabrycz-ny. Serwis wymaga podania modelu, numeru seryjnego (SN) i numerumateriałowego (Mat.-Nr.). Te dane są umieszczone na tabliczce zna-mionowej urządzenia. Tabliczkę znamionową można znaleźć przyotwartych drzwiczkach załad...
Co robić, gdy... 35 Pomoc przy usterkach Większość usterek i błędów, do których dochodzi podczas codziennego użytkowania,można usunąć samodzielnie. W wielu przypadkach pozwoli to zaoszczędzić czas i koszty,ponieważ nie ma wówczas potrzeby wzywania serwisu. Poniższa tabela powinna być pomocna w ustal...
Co robić, gdy... 36 Niezadowalające efekty prania Problem Przyczyna i postępowanie Pranie nie zostaje dopranew płynnym środku piorą-cym. Środki piorące w płynie nie zawierają wybielaczy. Plamy zowoców, kawy lub herbaty mogą nie zostać usunięte. Zastosować proszek do prania z wybielaczem. Napełni...
Co robić, gdy... 37 Ogólne problemy z pralnicą Problem Przyczyna i postępowanie Pralnica nie stoi spokojniepodczas wirowania. Nóżki urządzenia nie stoją równomiernie i nie są zakontro-wane. Wyrównać urządzenie i zakontrować nóżki. W komorze spłukiwaniaśrodków piorących pozo-stają większe pozostało...
Co robić, gdy... 38 Możliwe przyczyny zwiększonego wytwarzania piany Problem Przyczyna i postępowanie Zwiększone wytwarzaniepiany podczas prania. Stosowany jest środek piorący nieodpowiedniego rodzaju. Stosować środki piorące, które są przeznaczone doprzemysłowych urządzeń pralniczych. Domowe środ...
Co robić, gdy... 39 Napinanie dużych sztuk prania Problem Przyczyna i postępowanie Napinanie dużych sztukprania podczas wirowania Może się zdarzyć, że duże sztuki prania ulegną napięciupodczas wirowania. W znacznym stopniu można tego uniknąć przez przepro-gramowanie, proszę się zwrócić do serwisu....
Czyszczenie i konserwacja 40 Zabiegi czyszczenia i konserwacji w miarę możliwości należy podej-mować po użyciu pralnicy. Do czyszczenia pralnicy nie wolno stosować myjki wysokociśnie-niowej ani strumienia wody. Obudowę pralnicy, panel sterowania i elementy plastikowe na- leży czyścić stosując ty...
Instalacja 43 Ustawianie pralnicy Pralnica może być ustawiana wyłącznie przez serwis Miele lub au-toryzowanego przedstawiciela handlowego. Przestrzegać wska-zówek w planie instalacyjnym. Ta pralnica jest przeznaczona wyłącznie do prania takich rzeczy,które nie są nasączone niebezpiecznymi lub łatwop...
Instalacja 44 Ułatwienie konserwacji Aby ułatwić serwisowi późniejszą konserwację, nie wolno ograniczaćpodanych wymiarów minimalnych ani odstępu od ściany z dojściem. Bezwzględnie zachować podane wymiary minimalne i odstęp odściany. Odstęp minimalny do ściany ok. 400 mm dla prac konserwacyjnych. ...
Instalacja 45 Zabezpieczenie transportowe Usuwanie zabezpieczeń transportowych 2 zabezpieczenia transportowe z przodu są zamocowane 3 śrubamisześciokątnymi każde. Zabezpieczenie transportowe z tyłu jest zamo-cowane za pomocą 4 śrub sześciokątnych. Zabezpieczenia transpor-towe należy usunąć dopiero w...
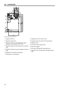
Instalacja 46 Wykręcić śruby na dolnej krawędzi tylnej ścianki i zdjąć tylną ścian-kę. W celu demontażu zabezpieczeń transportowych odkręcić śrubysześciokątne. Zachować zabezpieczenia transportowe. Należy je z powrotem za-montować przed transportem urządzenia. Podłączenie wody Aby zagwarantować ...
Instalacja 48 Odpływ wody Odpływ wody AV po stronie urządzenia DN 70, po stronie instalacji mufa DN 70. Chwilowa wielkość przepływu 200 l/min.Przy zbyt dużym spadku odpływu należy przewidzieć napowietrzenierury, żeby w systemie odpływowym pralnicy nie mogła wytworzyć siępróżnia. Odprowadzenie piany ...
Funkcje dodatkowe 49 Programy piorące można uzupełniać przez Funkcje dodatkowe. Nie wszystkie funkcje dodatkowe mogą zostać wybrane w każdymprogramie prania. Jeśli jakaś funkcja dodatkowa nie jest oferowana,oznacza to, że nie jest ona dozwolona dla programu prania. Wybieranie funkcji dodatkowych N...
Funkcje dodatkowe 50 Przerwa na płukanie Woda zostaje odpompowana przed ostatnim płukaniem, program po-zostaje zatrzymany. Środki wykańczające, jak np. krochmal, mogąbyć dozowane poprzez WEK. Program jest kontynuowany po naciśnięciu przycisku dotykowego Start/Stop .
Cechy szczególne w przebiegu programów 51 Wirowanie Ilość obrotów wi-rowania końco-wego Przy wybieraniu programu na wyświetlaczu jest zawsze pokazywanamaksymalna ilość obrotów wirowania dla programu prania. Możliwa jest redukcja ilości obrotów wirowania końcowego. Nie można jednak wybrać ilości obro...
Zmiana przebiegu programu 52 Zmiana programu Zmiana programuprania Aby wybrać inny program, należy przerwać uruchomiony programi wybrać nowy program. Przerywanie programu Program piorący można przerwać w każdej chwili po starcie progra-mu. Nacisnąć przycisk dotykowy Start/Stop . Na wyświetlaczu po...
Zmiana przebiegu programu 53 Dokładanie/wyjmowanie prania W ciągu pierwszych minut po starcie programu można dołożyć lubwyjąć pranie. 11:02 0:49 Tkaninykolorowe Status Pozostało: h Pranie Dokładanie prania Nacisnąć przycisk dotykowy Dokładanie prania . Jeśli komunikat Dokładanie prania nie j...
Poziom administratora 54 Otwieranie poziomu administratora Włączyć pralnicę. 11:02 Programy Preferowane Administrator Pomoc Nacisnąć przycisk dotykowy Administrator . Wyświetlacz przechodzi do menu Poziom administratora . Dostęp poprzez kod Poziom administratora musi zostać otwarty za ...
Poziom administratora 55 Obsługa/Wskazania Język Wyświetlacz może operować w różnych językach. Poprzez podmenuJęzyk można wybrać ustawiony na stałe język administracyjny. Dla bieżącego programu język obsługi może zostać zmieniony za po-mocą przycisku dotykowego . Wybór języków Wyświetlacz może po...
Poziom administratora 56 Godzina Po wybraniu formatu czasu można ustawić godzinę. Format czasu - 24-godz. - 12-godz. - Bez zegara ustawić - Tutaj można ustawić godzinę. Data Po wybraniu formatu daty można ustawić datę. Format daty - DD.MM.YYYY - YYYY.MM.DD - MM.DD.YYYY Data - Teraz można ustawić dat...
Poziom administratora 57 - Bez wyłączania - Wyłączenie po 15 minutach (ustawienie fabryczne) - Wyłączenie po 20 minutach - Wyłączenie po 30 minutach Programow. star-tu Wskazanie opóźnienia startu (timera) może zostać włączone lub wy-łączone. Ustawienie fabryczne: wł. Pamięć Po uruchomieniu programu ...
Poziom administratora 58 Wybieranie programów Sterowanie Istnieje możliwość ustawienia obsługi pralnicy w wariancie salonupralniczego. Obsługa uproszczona odbywa się poprzez szybki wy-bór. Osoby obsługujące nie mogą zmieniać ustawionych wstępnieprogramów. Wskazówka: Dokonać najpierw wszystkich konie...
Poziom administratora 59 Pakiety progra-mowe Wybór programów może zostać rozszerzony przez aktywację poje-dynczych programów z pakietów programowych dla grup docelo-wych. Wybrane programy (zaznaczone na pomarańczowo) z pakietów pro-gramowych zostaną pokazane na wyświetlaczu przy wybieraniu pro-gramu...
Poziom administratora 60 Technika procesowa Bez zagnieceń Ochrona przed zagniataniem redukuje tworzenie zagnieceń po za-kończeniu programu. Bęben porusza się jeszcze nawet do 30 minutpo zakończeniu programu. Drzwiczki pralnicy mogą zostać otwarte w każdej chwili. Ustawienie fabryczne: wł. Okres serw...
Poziom administratora 61 Dopływ wody Pranie wstępne Można wybrać rodzaj wody dla prania wstępnego. - zimna Do prania wstępnego będzie pobierana wyłącznie zimna woda. - ciepła Do prania wstępnego będzie dodatkowo pobierana ciepła woda.Pobieranie ciepłej wody jest dozwolone wyłącznie w przypadku wy-br...
Dane techniczne 62 Dane urządzenia PWM 912 Przyłącze elektryczne Napięcie przyłączeniowe patrz tabliczka znamionowa Częstotliwość patrz tabliczka znamionowa Pobór mocy patrz tabliczka znamionowa Pobór prądu patrz tabliczka znamionowa Wymagane zabezpieczenie patrz tabliczka znamionowa Moc grzania pat...
Dane techniczne 63 Dane urządzenia PWM 916 Przyłącze elektryczne Napięcie przyłączeniowe patrz tabliczka znamionowa Częstotliwość patrz tabliczka znamionowa Pobór mocy patrz tabliczka znamionowa Pobór prądu patrz tabliczka znamionowa Wymagane zabezpieczenie patrz tabliczka znamionowa Moc grzania pat...
Dane techniczne 64 Dane urządzenia PWM 920 Przyłącze elektryczne Napięcie przyłączeniowe patrz tabliczka znamionowa Częstotliwość patrz tabliczka znamionowa Pobór mocy patrz tabliczka znamionowa Pobór prądu patrz tabliczka znamionowa Wymagane zabezpieczenie patrz tabliczka znamionowa Moc grzania pat...
Dane techniczne 65 Deklaracja zgodności UE Niniejszym Miele oświadcza, że ta pralnica spełnia wymagania Dyrektywy 2014/53/WE.Pełny tekst deklaracji zgodności WE jest dostępny pod jednym z poniższych adresów in-ternetowych: - Na stronie www.miele.pl/professional/index.htm w zakładce „Produkty“, „Pobi...
Ochrona danych WiFi 66 Ochrona i bezpieczeństwo danych Gdy tylko funkcje sieciowe zostaną uaktywnione i Państwa urządze-nie zostanie połączone z internetem, urządzenie wysyła następującedane do chmury Miele: - numer fabryczny urządzenia - typ urządzenia i wyposażenie techniczne - status urządzenia -...
Instrukcja Miele PWM 916 [EL DV DD HS]
























































































































































































































































































































































































































































































































































































Podsumowanie
pl - Spis treści 356 Przegląd programów ................................................................................................................... 358 Dostępne funkcje dodatkowe ...................................................................................................... 358 Możliw...
pl - Przegląd programów 358 Dostępne funkcje dodatkowe Funkcjadodatkowa Symbol Opis Płukanie wstępne uruchamianie płukania wstępnego przed praniem Pranie wstępne pranie wstępne przed rozpoczęciem prania głównego Namaczanie blok na początku prania głównego, 30 °C, niewielkie poru-szanie Woda pl...
pl - Przegląd programów 359 Przegląd programów – Programy podstawowe Czas prania to minimalny czas prania głównego, w którym odbywa się pranie po osiągnię- ciu temperatury docelowej. Czasy pobierania wody, dozowania, nagrzewania, wirowaniaitp. nie są tutaj brane pod uwagę. Programy Tkaniny do gotowa...
pl - Przegląd programów 360 Programy Tkaniny kolorowe Tkaniny kolorowe 60 °C (zimna do 60 °C) Proporcja napeł-nienia/wielkość za-ładunku Rodzaj tekstyliów Normalnie zabrudzone tekstylia z bawełny, lnu lubtkanin mieszanych, np. bielizna pościelowa i frotte 1:9 PWM 912 – 12 kgPWM 916 – 16 kg PWM 920 –...
pl - Przegląd programów 361 Programy Tkaniny delikatne Tkaniny delikatne 40 °C (zimna do 60 °C) Proporcja napeł-nienia/wielkość za-ładunku Rodzaj tekstyliów Normalnie zabrudzone tekstylia z włókien synte-tycznych, tkanin mieszanych 1:20 PWM 912 – 5,6 kg PWM 916 – 7 kg PWM 920 – 9 kg Przebieg program...
pl - Przegląd programów 362 Programy Tkaniny b. delikatne/Koszule/Wełna Tkaniny b. delikatne 30 °C (zimna do 60 °C) Proporcja napeł-nienia/wielkość za-ładunku Rodzaj tekstyliów Włókna syntetyczne, sztuczny jedwab 1:25 PWM 912 – 4,4 kg PWM 916 – 5,6 kg PWM 920 – 7,2 kg Przebieg programu Pranie główne...
pl - Przegląd programów 363 Program Dodatkowe płukanie Dodatkowe płukanie Proporcja napeł-nienia/wielkość za-ładunku Rodzaj tekstyliów Tekstylia, które powinny zostać tylko przepłukanei odwirowane 1:9 PWM 912 – 12 kgPWM 916 – 16 kg PWM 920 – 20 kg Przebieg programu 1 cykl płukaniaWirowanie końcowe F...
pl - Przegląd programów 364 Program Czyszczenie urządzenia Czyszczenie urządzenia 70 °C (70 °C do 90 °C) Rodzaj tekstyliów Bez ładunku Przebieg programu + przycisk intensywny: dodatkowe pranie główne do 90 °C, czas prania 6 min2 cykle płukaniaOdpływ wody Funkcje dodatko-we Namaczanie, Woda plus, I...
pl - Przegląd programów 365 Przegląd programów Hotel/Restauracja/Catering W tym obszarze występuje wiele tekstyliów ze zróżnicowanymi zabrudzeniami. Ten programnadaje się do prania różnych tekstyliów, począwszy od lekko zabrudzonej pościeli i ręczni-ków, poprzez bardziej zabrudzoną bieliznę stołową,...
pl - Przegląd programów 366 Program Wellness frotte Wellness frotte 50 °C (zimna do 90 °C) Proporcja napeł-nienia/wielkość za-ładunku Rodzaj tekstyliów Kolorowa i biała bielizna pościelowa i frotte z ba-wełny, lnu lub tkanin mieszanych z silnymi zabru-dzeniami z oleju lub tłuszczu 1:13* PWM 912 – 8,...
pl - Przegląd programów 367 Program Tkaniny kuchenne Tkaniny kuchenne 90 °C (zimna do 90 °C) Proporcja napeł-nienia/wielkość za-ładunku Rodzaj tekstyliów Pranie kuchenne z bawełny, lnu lub tkanin miesza-nych 1:13 PWM 912 – 8,6 kg PWM 916 – 10,8 kg PWM 920 – 13,8 kg Przebieg programu Płukanie wstępne...
pl - Przegląd programów 368 Przegląd programów Pościel/Firanki Programy Firanki Firanki 40 °C (zimna do 60 °C) Proporcja napeł-nienia/wielkość za-ładunku Rodzaj tekstyliów Włókna syntetyczne, sztuczny jedwab 1:25 PWM 912 – 4,4 kg PWM 916 – 5,6 kg PWM 920 – 7,2 kg Przebieg programu Pranie główne do 6...
pl - Przegląd programów 369 Programy Pościel Te programy nadają się do prania pościeli każdego rodzaju z wypełnieniem puchowym, syn-tetycznym lub naturalnym. Te programy piorące są przeznaczone wyłącznie do prania takich tekstyliów, które sąoznaczone przez producenta na etykiecie konserwacyjnej jako...
pl - Przegląd programów 370 Pościel – wielkości załadunku Maksymalne wielkości załadunku można odczytać z poniższej tabeli. Są to wartości przybli-żone i zmieniają się w zależności od wielkości i grubości pościeli. Typ Ilość* PWM 912 2 poduszki lub 1 kołdra PWM 916 3 poduszki lub 1 poduszka + 1 kołd...
pl - Przegląd programów 371 Uwagi ogólne dotyczące dezynfekcji Co oznacza pojęcie dezynfekcji Zabicie i redukcja liczby czynników chorób zakaźnych tego rodzaju, że zakażenie i infekcjanie są więcej oczekiwane. Dezynfekcja termiczna Dezynfekcja termiczna następuje przez oddziaływanie zdefiniowanej te...
pl - Przegląd programów 372 Wytyczne VAH VAH = Verbund für angewandte Hygiene e.V.(wcześniej DGHM = Niemieckie Towarzystwo Higieny i Mikrobiologii) W wytycznych VAH opisane są postępowania dla rutynowej, profilaktycznej dezynfekcji, wszczególności dotyczące zapobiegania infekcjom w szpitalach, gabin...
pl - Przegląd programów 373 Przyłącze wody w wariantach ze zredukowaną mocą grzania (RH) Urządzenie powinno zostać podłączone do wody zimnej i ciepłej. Aby można było korzystaćze wszystkich programów, zalecana jest temperatura wody ciepłej przynajmniej 80 °C. Niż-sze temperatury mogą prowadzić do pr...
pl - Przegląd programów 374 Przegląd programów Dezynfekcja Dezynfekcja termiczna i Dezynfekcja chemotermiczna to programy do dezynfekcji tek- styliów.Zostanie przeprowadzona dezynfekcja termiczna lub chemotermiczna. Do dezynfekcji ter-micznej należy stosować odpowiednie środki piorące. Wszystkie pr...
pl - Przegląd programów 376 Dez. delik. ch.-t. 20 min 40 °C Proporcja napeł-nienia/wielkość za-ładunku Rodzaj tekstyliów Bawełna, tkaniny mieszane, firanki 1:10 PWM 912 – 11 kg PWM 916 – 14 kg PWM 920 – 18 kg Przebieg programu Dezynfekcja 40 °C*, czas utrzymywania 20 minRytm prania „delikatny“3 cykl...
pl - Przegląd programów 377 Przegląd programów Sprzątanie budynków Te programy nadają się do prania, dezynfekcji i wykańczania (na różnych poziomach wilgot-ności) nakładek z bawełny lub tkanin mieszanych, mat wejściowych, dysków polerskichi ścierek służących do sprzątania budynków. Tekstylia do sprz...
pl - Przegląd programów 378 Programy Mopy W celu uniknięcia większych zabrudzeń w urządzeniu, wytrzepać mopy przed włożeniemich do urządzenia. Mopy standard 60 °C (zimna do 90 °C) Proporcja napeł-nienia/wielkość za-ładunku Rodzaj tekstyliów Nakładki z bawełny, wiskozy, poliestru, mikrofazy 1:9 PWM...
pl - Przegląd programów 382 Program Mopy rtu jest przeznaczony do późniejszego wykańczania czystych i suchych mopów. Przy wykańczaniu zastosowany zostaje roztwór środka dezynfekującego.Wielkość dozowania musi zostać ustawiona na miejscu i należy sprawdzić standard dezyn-fekcji. Wielkość załadunku mo...
pl - Przegląd programów 383 Programy Maty/Pady Maty 40 °C (zimna do 60 °C) Proporcja napeł-nienia/wielkość za-ładunku Rodzaj tekstyliów Maty wejściowe 1:15 PWM 912 –maks. 7,4 kgPWM 916 – maks. 9,4 kgPWM 920 – maks. 12 kg Przebieg programu Płukanie wstępnePranie główne do 60 °C, czas prania 8 min3 cy...
pl - Przegląd programów 384 Programy Ścierki Te programy nadają się do prania, dezynfekcji i wykańczania (na różnych poziomach wilgot-ności) ścierek z bawełny, tkanin mieszanych lub z mikrofazy, używanych do sprzątania bu-dynków. Ścierki standard 60 °C (zimna do 90 °C) Proporcja napeł-nienia/wielkoś...
pl - Przegląd programów 387 Ścierki rtu Proporcja napeł-nienia/wielkość za-ładunku Rodzaj tekstyliów Ścierki z bawełny, wiskozy, poliestru, mikrofazy 1:18 PWM 912 – 6,0 kg PWM 916 – 8,0 kg PWM 920 – 10 kg Ilość sztuk patrz tabela „Wielkość załadunku Ścierki“ Przebieg programu 1 cykl płukanianastępni...
pl - Przegląd programów 388 Przegląd programów Straż pożarna Te programy nadają się do prania i impregnacji kombinezonów strażackich Nomex, kurtek,spodni, masek oddechowych i kombinezonów chemicznych. Programy Odzież ochronna Odzież ochronna 60 °C (zimna do 60 °C) Proporcja napeł-nienia/wielkość za-...
pl - Przegląd programów 389 Odzież ochronna – przygotowanie do prania Nie przyklejać żadnych etykiet do pranych rzeczy. W miarę możliwości usunąć karabińczyki lub schować do bocznej kieszeni i ją zapiąć. Pozapinać rzepy lub zakryć je taśmą rzepową. Podpinki prać oddzielnie. Ubrania prać na...
pl - Przegląd programów 390 Programy Maski Maski to programy do prania i dezynfekcji masek oddechowych z obejmą nagłowną. Przed załadunkiem maszyny, w celu zabezpieczenia szyb masek, owinąć maski opaskaminagłownymi. Każdą maskę włożyć do przeznaczonego dla niej woreczka ochronnego i zamknąć zapi...
pl - Przegląd programów 391 Programy Odzież ochrony chemicznej CSA to program do prania strażackich kombinezonów ochrony chemicznej. Przeprowadzana jest dezynfekcja chemotermiczna (60 °C/20 min), dla której należy zasto-sować odpowiednie środki piorące. CSA 60 °C Proporcja napeł-nienia/wielkość za-ł...
pl - Przegląd programów 392 Programy Odzież ratownicza Hełmy * 60 °C (zimna do 60 °C) Proporcja napeł-nienia/wielkość za-ładunku Rodzaj tekstyliów Hełmy strażackie PWM 912 – 3 hełmy PWM 916 – 4 hełmy PWM 920 – 5 hełmów Przebieg programu Pranie wstępne do 40 °CPranie główne do 60 °C, czas prania 16 m...
pl - Przegląd programów 393 Pasy * 40 °C (zimna do 40 °C) Proporcja napeł-nienia/wielkość za-ładunku Rodzaj tekstyliów Pasy strażackie także z wstawkami aluminiowymii obszyciem skórzanym PWM 912 – 8 pa- sów PWM 916 – 12 pasów PWM 920 – 15 pasów Przebieg programu Pranie główne do 40 °C, czas prania 8...
pl - Przegląd programów 394 Odzież ratownicza * 60 °C Proporcja napeł-nienia/wielkość za-ładunku Rodzaj tekstyliów Nomex i bawełna patrz tabela „Wielkość zała- dunku Odzież ra- townicza“ Przebieg programu Pranie wstępne do 40 °CDezynfekcja* 60 °C, czas utrzymywania 20 min2 cykle płukania (opcjonalni...
pl - Przegląd programów 396 Przegląd programów WetCare WetCare „Czyszczenie na mokro“ jest bardzo delikatnym procesem czyszczącym za po-mocą wody i specjalnych środków pielęgnacyjnych do takich ubrań, które dotychczas mo-gły być czyszczone tylko chemicznie. WetCare sensitiv 25 °C (zimna do 30 °C) Pr...
pl - Przegląd programów 397 Przegląd programów Outdoor Outdoor 40 °C (zimna do 40 °C) Proporcja napeł-nienia/wielkość za-ładunku Rodzaj tekstyliów Poliamid i artykuły membranowe 1:15 PWM 912 – 7,4 kg PWM 916 – 9,4 kg PWM 920 – 12 kg Przebieg programu Pranie główne do 40 °C, czas prania 6 min2 cykle ...
pl - Przegląd programów 398 Przegląd programów Stajnia Ten program nadaje się do prania i impregnacji derek końskich, czapraków, owijaczy, kalo-szy, bandaży, uzd tekstylnych. Derki końskie 60 °C (zimna do 60 °C) Proporcja napeł-nienia/wielkość za-ładunku Rodzaj tekstyliów Derki końskie, czapraki, ka...
pl - Przegląd programów 399 Środki piorące Do prania należy stosować środki piorące bez wybielaczy i wybielaczy optycznych.W przypadku derek wełnianych należy stosować produkty o lekko zredukowanym pH.Ewentualnie można również dodać produkty zawierające enzymy.Należy przy tym uważać na to, żeby nie ...
pl - Przegląd programów 400 Przegląd programów Sport Odzież sportowa 40 °C (zimna do 60 °C) Proporcja napeł-nienia/wielkość za-ładunku Rodzaj tekstyliów Trykoty i spodnie z włókien syntetycznych lub tka-nin mieszanych 1:20 PWM 912 – 5,6 kg PWM 916 – 7 kg PWM 920 – 9 kg Przebieg programu Pranie główn...
pl - Przegląd programów 401 Przegląd programów Tekstylia robocze Olej/Tłuszcz 60 °C (zimna do 90 °C) Proporcja napeł-nienia/wielkość za-ładunku Rodzaj tekstyliów Odzież robocza zabrudzona olejem lub tłuszczem,ścierki do przykrywania i sprzątania z bawełny lubtkanin mieszanych 1:10 PWM 912 – 11 kg PW...
pl - Przegląd programów 404 Przegląd programów Odzyskiwanie wody (WRG) Czyszczenie WRG 80 °C Proporcja napeł-nienia/wielkość za-ładunku Przebieg programu OpróżnianiePłukanieOpróżnianieMycieOpróżnianiePłukanieOpróżnianie Opróżnianie WRG zimna Przebieg programu Opróżnianie
pl - Przegląd programów 405 Przegląd programów Programy Eco W przypadku programów Eco chodzi o programy opcjonalne, które można pobrać w inter-necie. Tkaniny kolor. Eco 40 °C (zimna do 40 °C) Proporcja napeł-nienia/wielkość za-ładunku Rodzaj tekstyliów Lekko zabrudzone tekstylia z bawełny, lnu lub t...
pl - Przegląd programów 406 Tk. delikatne Eco 30 °C (zimna do 30 °C) Proporcja napeł-nienia/wielkość za-ładunku Rodzaj tekstyliów Lekko zabrudzone tekstylia z włókien syntetycz-nych, tkanin mieszanych 1:20 PWM 912 – 5,6 kg PWM 916 – 7 kg PWM 920 – 9 kg Przebieg programu Pranie główne do 30 °C, czas ...
Instrukcja instalacji Miele PWM 916 [EL DV DD HS]









































































































Krótka instrukcja Miele PWM 916 [EL DV DD HS]
























































































































































Podsumowanie
pl - Ochrona środowiska naturalnego 116 Utylizacja opakowania transportowego Opakowanie chroni pralnicę przed szkodami transportowymi. Mate-riały opakowaniowe zostały specjalnie dobrane pod kątem ochronyśrodowiska i techniki utylizacji i dlatego nadają się do ponownegowykorzystania. Zwrot opakowań d...
pl - Wskazówki bezpieczeństwa i ostrzeżenia 117 Rozszerzona dokumentacja Niniejszy dokument zawiera podstawowe informacje. Pełną instrukcjęobsługi oraz inne dokumenty dotyczące urządzenia można znaleźć nastronie internetowej Miele: https://www.miele.pl/professional/inactivem-instrukcje-obslu-gi-177....
pl - Wskazówki bezpieczeństwa i ostrzeżenia 118 Użytkowanie zgodne z przeznaczeniem Pralnica jest przeznaczona wyłącznie do prania takich tekstyliów, które są oznaczone przez producenta na etykiecie konserwacyjnej ja-ko nadające się do prania. Inne zastosowania są potencjalnie niebez-pieczne. Prod...
pl - Wskazówki bezpieczeństwa i ostrzeżenia 119 Potencjalnie nieprawidłowe wykorzystanie Nigdy nie stosować w pralnicy środków czyszczących zawierają- cych rozpuszczalniki ( jak np. benzyna pralnicza). Podzespoły urzą-dzenia mogą ulec uszkodzeniu i mogą wystąpić trujące opary. Istniejezagrożenie p...
pl - Wskazówki bezpieczeństwa i ostrzeżenia 120 Bezpieczeństwo techniczne Skontrolować pralnicę przed instalacją pod kątem widocznych uszkodzeń. Uszkodzona pralnica nie może zostać zainstalowana aniuruchomiona. Elektryczne bezpieczeństwo tej pralnicy jest zagwarantowane tylko wtedy, gdy jest ona...
pl - Wskazówki bezpieczeństwa i ostrzeżenia 122 Prawidłowe użytkowanie Maksymalna wielkość załadunku wynosi dla PWM 912 – 12 kg, dla PWM 916 – 16 kg, a dla PWM 920 – 20 kg suchego prania. Częścio-wo mniejsze wielkości załadunku dla poszczególnych programówmożna odnaleźć w rozdziale „Przegląd progr...
pl - Wskazówki bezpieczeństwa i ostrzeżenia 124 Chlor i uszkodzenia podzespołów Wraz ze wzrostem udziału chloru rośnie prawdopodobieństwo uszkodzenia podzespołów. Zastosowanie środków zawierających chlor, jak np. podchloryn so- du i wybielacze chlorowe w proszku, może uszkodzić warstwęochronną s...
pl - Wskazówki bezpieczeństwa i ostrzeżenia 125 Wyposażenie Elementy wyposażenia mogą zostać dobudowane lub wbudowane tylko wtedy, gdy jest to wyraźnie dozwolone przez firmę Miele. Jeślizostaną dobudowane lub wbudowane inne elementy, przepadająroszczenia wynikające z gwarancji, rękojmi i/lub odpow...
pl - Opis urządzenia (bez komory spłukiwania środków piorą-cych) 126 Warianty urządzeń z komorą spłukiwania środków piorących (WEK) ⑪ ⑥ ⑦ ⑧ ⑨ ⑩ ⑫ ① ② ③ ④ ⑤ ⑧ ⑬ ⑮ ⑭ ⑯ ⑰ ⑱ a Wyświetlacz patrz rozdział „Funkcje elementów stero-wania“ b Wyłącznik awaryjny patrz rozdział „Funkcje elementów stero-wania“ c...
pl - Opis urządzenia (bez komory spłukiwania środków piorą- cych) 127 Warianty urządzeń bez komory spłukiwania środków piorących (WEK) ① ② ③ ④ ⑤ ⑥ ⑦ ⑧ ⑨ ⑩⑪ ⑦ ⑫ ⑭ ⑬ ⑮ ⑯ ⑰ a Wyświetlacz patrz rozdział „Funkcje elementów stero-wania“ b Wyłącznik awaryjny patrz rozdział „Funkcje elementów stero-wania“ c...
pl - Obsługa 128 Panel sterowania a Przycisk dotykowy Ję-zyk Do wybierania aktualnego języ-ka obsługi.Po zakończeniu programu zo-stanie z powrotem wyświetlonyjęzyk administratora. b Przycisk dotykowy Powrót Przełącza o jeden poziomw menu z powrotem. c Wyświetlacz dotykowy d Przycisk dotykowy...
pl - Obsługa 129 Przyciski dotykowe i wyświetlacz dotykowy z przyciska-mi dotykowymi Przyciski dotykowe , i Start/Stop oraz przyciski dotykowe na wyświetlaczu reagują na kontakt z palcem. Każde dotknięcie zostajepotwierdzone dźwiękiem. Głośność dźwięku przycisków można zmie-nić lub wyłączyć (pa...
pl - Obsługa 132 Obsługa w wariancie salonu pralniczego W zależności od stanu oprogramowania menu początkowe może byćprezentowane w różny sposób (patrz rozdział „Poziom administrato-ra“, punkt „Sterowanie“). Obsługa uproszczona odbywa się poprzez szybki wybór. Osoby ob-sługujące nie mogą zmieniać us...
pl - Obsługa 133 WS-poj. 11:02 Tkaninykolorowe Wełna Tkaniny bar-dzo delikatne Tkaninydelikatne Pomoc Oferowane jest od 4 do 12 wstępnie ustawionych programów. Te pro-gramy nie mogą zostać zmienione przez użytkownika. WS-logo 11:02 Tkaninykolorowe Wełna Tkaninydelikatne Pomoc Ofe...
pl - Przygotowanie do prania 134 Opróżnianie kieszeni Opróżnić wszystkie kieszenie. Możliwość wyrządzenia uszkodzeń przez ciała obce. Gwoździe, monety, spinacze biurowe itd. mogą uszkodzić tekstyliai podzespoły urządzenia.Skontrolować pranie przed rozpoczęciem prania pod kątem wystę-powania ciał...
pl - Przygotowanie do prania 135 Załadunek pralnicy Włączyć pralnicę przyciskiem . Otworzyć drzwiczki załadunkowe przez pociągnięcie za uchwytdrzwiczek. Włożyć do bębna rozłożone i rozluźnione pranie. Sztuki prania oróżnej wielkości poprawiają skuteczność prania i lepiej się rozkłada-ją w bę...
pl - Przygotowanie do prania 136 Włączanie pralnicy Nacisnąć przycisk . Wybieranie programu 11:02 Programy Preferowane Administrator Pomoc Istnieją różne możliwości wybrania programu. Można wybrać program w menu Programy . Nacisnąć przycisk dotykowy Programy . 11:02 Tkaniny dogotowa...
pl - Pranie z komorą spłukiwania środków piorących 138 Dodawanie środków piorących poprzez komorę spłuki-wania W programach standardowych środki piorące w proszku dla praniagłównego podaje się do zasobnika , w razie potrzeby środki pio- rące do prania wstępnego do zasobnika , natomiast środki...
pl - Pranie z komorą spłukiwania środków piorących 139 Środki wybielające Wybielać tylko takie tekstylia, które są oznaczone symbolem konser-wacyjnym Δ . Dodawanie płynnego środka wybielającego może nastąpić wyłączniedo przewidzianego do tego zasobnika w komorze spłukiwania. Tylkowtedy można zagwar...
pl - Instalacja 141 Ustawianie pralnicy Pralnica może być ustawiana wyłącznie przez serwis Miele lub au-toryzowanego przedstawiciela handlowego. Przestrzegać wska-zówek w planie instalacyjnym. Ta pralnica jest przeznaczona wyłącznie do prania takich rzeczy,które nie są nasączone niebezpiecznymi lub ...
pl - Instalacja 142 Ułatwienie konserwacji Aby ułatwić serwisowi późniejszą konserwację, nie wolno ograniczaćpodanych wymiarów minimalnych ani odstępu od ściany z dojściem. Bezwzględnie zachować podane wymiary minimalne i odstęp odściany. Odstęp minimalny do ściany ok. 400 mm dla prac konserwacyjn...
pl - Instalacja 143 Zabezpieczenie transportowe Usuwanie zabezpieczeń transportowych 2 zabezpieczenia transportowe z przodu są zamocowane 3 śrubamisześciokątnymi każde. Zabezpieczenie transportowe z tyłu jest zamo-cowane za pomocą 4 śrub sześciokątnych. Zabezpieczenia transpor-towe należy usunąć dop...
pl - Instalacja 144 Wykręcić śruby na dolnej krawędzi tylnej ścianki i zdjąć tylną ścian-kę. W celu demontażu zabezpieczeń transportowych odkręcić śrubysześciokątne. Zachować zabezpieczenia transportowe. Należy je z powrotem za-montować przed transportem urządzenia. Podłączenie wody Aby zagwaran...
pl - Instalacja 146 Odpływ wody Odpływ wody AV po stronie urządzenia DN 70, po stronie instalacji mufa DN 70. Chwilowa wielkość przepływu 200 l/min.Przy zbyt dużym spadku odpływu należy przewidzieć napowietrzenierury, żeby w systemie odpływowym pralnicy nie mogła wytworzyć siępróżnia. Odprowadzenie ...
pl - Dane techniczne 147 Dane urządzenia PWM 912 Przyłącze elektryczne Napięcie przyłączeniowe patrz tabliczka znamionowa Częstotliwość patrz tabliczka znamionowa Pobór mocy patrz tabliczka znamionowa Pobór prądu patrz tabliczka znamionowa Wymagane zabezpieczenie patrz tabliczka znamionowa Moc grzan...
pl - Dane techniczne 148 Dane urządzenia PWM 916 Przyłącze elektryczne Napięcie przyłączeniowe patrz tabliczka znamionowa Częstotliwość patrz tabliczka znamionowa Pobór mocy patrz tabliczka znamionowa Pobór prądu patrz tabliczka znamionowa Wymagane zabezpieczenie patrz tabliczka znamionowa Moc grzan...
pl - Dane techniczne 149 Dane urządzenia PWM 920 Przyłącze elektryczne Napięcie przyłączeniowe patrz tabliczka znamionowa Częstotliwość patrz tabliczka znamionowa Pobór mocy patrz tabliczka znamionowa Pobór prądu patrz tabliczka znamionowa Wymagane zabezpieczenie patrz tabliczka znamionowa Moc grzan...
pl - Dane techniczne 150 Deklaracja zgodności UE Niniejszym Miele oświadcza, że ta pralnica spełnia wymagania Dyrektywy 2014/53/WE.Pełny tekst deklaracji zgodności WE jest dostępny pod jednym z poniższych adresów in-ternetowych: - Na stronie www.miele.pl/professional/index.htm w zakładce „Produkty“,...
pl - Ochrona danych WiFi 151 Ochrona i bezpieczeństwo danych Gdy tylko funkcje sieciowe zostaną uaktywnione i Państwa urządze-nie zostanie połączone z internetem, urządzenie wysyła następującedane do chmury Miele: - numer fabryczny urządzenia - typ urządzenia i wyposażenie techniczne - status urządz...
Other Miele Inne Manuals
-
Miele APWM 063 Instrukcja instalacji
-
Miele APWM 019 Instrukcja obsługi
-
Miele TT 86 Instrukcja obsługi
-
Miele UG 5010 Instrukcja instalacji
-
Miele UO 5010 Instrukcja instalacji
-
Miele E 473/2 Instrukcja obsługi
-
Miele FFK 01 Instrukcja instalacji
-
Miele APDR 002 Instrukcja obsługi
-
Miele DP [50Hz] Instrukcja instalacji
-
Miele APCL 005 Instrukcja instalacji
-
Miele PG 8583 CD [WW AD CM] Instrukcja obsługi
-
Miele PG 8583 CD [WW AD CM] Instrukcja instalacji
-
Miele PG 8583 [WW AD LD] Instrukcja obsługi
-
Miele PG 8583 [WW AD LD] Instrukcja instalacji
-
Miele PLW 8615 [EL] Instrukcja obsługi
-
Miele PLW 8615 [EL] Instrukcja instalacji
-
Miele PG 8504 [AD] Instrukcja obsługi
-
Miele PLW 8617 [EL/S TH] Instrukcja obsługi
-
Miele PLW 8617 [EL/S TH] Instrukcja instalacji
-
Miele PLW 8617 [EL/S RT] Instrukcja obsługi