Strona 2 - OBSŁUGA KLIENTA
SPIS TREŚCI 1. INFORMACJE DOTYCZĄCE BEZPIECZEŃSTWA........................................... 3 2. WSKAZÓWKI DOTYCZĄCE BEZPIECZEŃSTWA............................................ 4 3. OPIS URZĄDZENIA........................................................................................... 6 4. PANEL...
Strona 3 - zdolnościach ruchowych, umysłowych lub; Ogólne zasady bezpieczeństwa
1. INFORMACJE DOTYCZĄCE BEZPIECZEŃSTWA Przed przystąpieniem do instalacji i rozpoczęciem eksploatacji urządzenia należy uważnie zapoznać się z załączoną instrukcją obsługi. Producent nie odpowiada za obrażenia ciała ani szkody spowodowane nieprawidłową instalacją lub eksploatacją urządzenia. Należy ...
Strona 4 - WSKAZÓWKI DOTYCZĄCE BEZPIECZEŃSTWA
• Nie należy przekraczać maksymalnego ciężaru ładunku, który wynosi 6 kg (patrz „Tabela programów”). • Ciśnienie robocze wody w punkcie podłączenia powinno wynosić od 0,5 bara (0,05 MPa) do 8 barów (0,8 MPa). • Wykładzina podłogowa, dywan lub mata podłogowa nie mogą zasłaniać otworów wentylacyjnych ...
Strona 5 - elektrycznej; Podłączenie do sieci; wodociągowej
• Nie instalować ani nie korzystać z urządzenia w miejscach, w których temperatura może spaść poniżej 0°C lub w których mogłoby być ono narażone na działanie czynników atmosferycznych. • Podłoże, na którym będzie stało urządzenie, musi być płaskie, stabilne, odporne na działanie wysokiej temperatury...
Strona 7 - Opis panelu sterowania
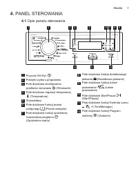
4. PANEL STEROWANIA 4.1 Opis panelu sterowania 1 2 3 4 5 6 7 8 9 10 11 12 1 Przycisk Wł.Wył. 2 Pokrętło wyboru programów 3 Pole dotykowe zmniejszeniaprędkości wirowania (Wirowanie) 4 Pole dotykowe regulacji temperatury (Temperatura) 5 Wyświetlacz 6 Pole dotykowe funkcji praniawstępnego (Pranie wstęp...
Strona 12 - Woolmark Apparel Care –; PARAMETRY EKSPLOATACYJNE
Program ■ ■ ■ ■ ■ ■ ■ 1) Należy określić prędkość wirowania. Upewnić się, że jest ona odpowiednia dla typu pra‐ nej tkaniny. Po włączeniu opcji Bez wirowania dostępna jest tylko faza odpompowania wo‐ dy. 5.1 Woolmark Apparel Care – Blue (niebieski) Firma Woolmark Company zatwierdziła cykl prania weł...
Strona 16 - PRZED PIERWSZYM UŻYCIEM; CODZIENNA EKSPLOATACJA; Wkładanie prania
8. USTAWIENIA 8.1 Blokada uruchomienia Ta opcja pozwala zapobiec manipulowaniu przez dzieci przy panelu sterowania.• Aby włączyć/wyłączyć tę opcję, należy nacisnąć jednocześnie iprzytrzymać i , aż wskaźnik włączy/wyłączy się. Opcję można włączyć: • Po naciśnięciu : możliwość wyboru opcji oraz pokręt...
Strona 17 - Stosowanie detergentów i; dodatków; Przegródki na detergent
10.2 Stosowanie detergentów i dodatków Odmierzyć odpowiednią ilość detergentu i płynu zmiękczającego. 10.3 Przegródki na detergent UWAGA! Należy stosować wyłącznie detergenty przeznaczone do pralek. Zawsze należy przestrzegać instrukcji zamieszczonych na opakowaniu detergentów. Przegródka na deterge...
Strona 18 - Detergent w płynie lub; proszku; Włączanie urządzenia
10.4 Detergent w płynie lub proszku 1. CLICK 2. A 3. CLICK 4. B • Położenie A – detergent w proszku (ustawienie fabryczne). • Położenie B – detergent w płynie. Korzystając z detergentu w płynie: • Nie stosować gęstych ani żelowych detergentów. • Nie przekraczać maksymalnego poziomu płynu. 10.5 Włącz...
Strona 19 - bez opóźnienia; Uruchamianie programu; z opóźnieniem; Przerywanie programu i; zmiana opcji
10.7 Uruchamianie programu bez opóźnienia Nacisnąć . • Wskaźnik przestanie migać i pozostanie włączony. • Na wyświetlaczu zacznie migać wskaźnik . • Nastąpi uruchomienie programu, pokrywa zablokuje się, a na wyświetlaczu pojawi się wskaźnik . • Gdy urządzenie napełnia się wodą, na krótki czas może w...
Strona 20 - Otwieranie drzwi przy; włączonej funkcji opóźnienia; programu
10.11 Otwieranie drzwi przy włączonej funkcji opóźnienia rozpoczęcia programu W trakcie trwania funkcji opóźnienia rozpoczęcia programu drzwi urządzenia są zablokowane, a na wyświetlaczuwidoczny jest wskaźnik . 1. Nacisnąć , aby włączyć tryb pauzy. Zacznie migać wskaźnik . 2. Odczekać ok. 2 minuty, ...
Strona 21 - WSKAZÓWKI I PORADY; Wkładanie prania; ekologii
11. WSKAZÓWKI I PORADY OSTRZEŻENIE! Patrz rozdział dotyczący bezpieczeństwa. 11.1 Wkładanie prania • Należy posegregować pranie: białe, kolorowe, syntetyczne, delikatne i wełniane. • Należy przestrzegać instrukcji umieszczonych na etykietach prania. • Nie prać razem białej i kolorowej odzieży. • Nie...
Strona 22 - KONSERWACJA I CZYSZCZENIE; Czyszczenie obudowy
twardość wody w instalacji domowej. Patrz rozdział „Twardość wody”. 11.5 Twardość wody Jeśli woda na danym obszarze jest twarda lub umiarkowanie twarda, zaleca się stosowanie zmiękczacza wody przeznaczonego do pralek. Jeśli woda jest miękka, nie ma konieczności stosowania zmiękczacza wody.Aby uzyska...
Strona 24 - wody; Środki ostrożności; podczas mrozu
5. 12.6 Czyszczenie węża dopływowego i filtra w zaworze 1. 1 2 3 2. 3. 4. 90˚ 12.7 Awaryjne spuszczanie wody W razie awarii urządzenie nie odpompowuje wody.Należy wtedy przeprowadzić czynności od (1) do (5) z punktu „Czyszczenie filtra odpływowego”. W razie potrzeby wyczyścić pompę. 12.8 Środki ostr...
Strona 25 - ROZWIĄZYWANIE PROBLEMÓW
1. Wyjąć wtyczkę przewodu zasilającego z gniazda elektrycznego. 2. Zakręcić zawór wody. 3. Umieścić dwa końce węża dopływowego w zbiorniku i odczekać, aż woda spłynie z węża. 4. Wyczyścić pompę opróżniającą. Przejść do awaryjnej procedury opróżniania. 5. Gdy pompa opróżniająca jest pusta, zamocować ...
Strona 28 - OCHRONA ŚRODOWISKA
Klasa zabezpieczenia przed wnikaniem cząstek stałych i wilgoci zapewniona przez osłonę za‐ bezpieczającą, z wyjątkiem sytuacji, gdy sprzęt niskonapięciowy nie ma zabezpieczenia przed wilgocią IPX4 Ciśnienie doprowadza‐ nej wody Minimalne Maksymalne 0,5 bara (0,05 MPa) 8 barów (0,8 MPa) Zasilanie wod...