Strona 2 - Spis treści; Konfigurowanie bazy monitora
Spis treści 1. Ważne .................................................... 1 1.1 Środki bezpieczeństwa i konserwacja ......................................................1 1.2 Konwencje zapisu .........................................2 1.3 Usuwanie produktu i materiałów opakowania .....................
Strona 3 - Ostrzeżenia
1 1. Ważne 1. Ważne Ten ekranowy podręcznik użytkownika jest przeznaczony dla wszystkich użytkowników bazy monitora chmurowego Philips. Należy poświęcić trochę czasu na przeczytanie tego podręcznika użytkownika przed rozpoczęciem używania bazy monitora chmurowego. Zawiera on ważne informacje i uwagi...
Strona 4 - Konwencje zapisu; Uwagi, przestrogi i ostrzeżenia
2 1. Ważne • W razie zamoczenia bazy monitora chmurowego należy ją jak najszybciej wytrzeć suchą szmatką. • Jeśli do wnętrza bazy monitora chmurowego przedostanie się obca substancja lub woda, należy natychmiast wyłączyć zasilanie i odłączyć przewód zasilający. Następnie, należy usunąć obcą substanc...
Strona 6 - Konfigurowanie bazy monitora chmurowego; Konfigurowanie bazy; Zawartość opakowania; Zmontuj bazę monitora chmurowego z
4 2. Konfigurowanie bazy monitora chmurowego 2. Konfigurowanie bazy monitora chmurowego 2.1 Instalacja Zawartość opakowania Cloud monitor base SB4B1927VB © 20 14 K on ink lijk e P hilip s N .V. A ll ri ghts res erve d. U nauth orized d uplicatio n is a violation of applicable laws. M ade a nd p rint...
Strona 7 - Podłączanie do monitora lub serwera
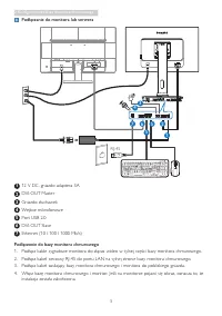
5 2. Konfigurowanie bazy monitora chmurowego Podłączanie do monitora lub serwera RJ-45 7 4 3 6 5 5 2 1 1 12 V DC, gniazdo adaptera 3A 2 DVI-OUT Master 3 Gniazdo słuchawek 4 Wejście mikrofonowe 5 Port USB 2.0 6 DVI-OUT Slave 7 Ethernet (10 / 100 / 1000 Mb/s) Podłączenie do bazy monitora chmurowego 1....
Strona 8 - Obsługa bazy monitora; Opis przycisków sterowania; Funkcje fizyczne; Nachylanie
6 2. Konfigurowanie bazy monitora chmurowego 2.2 Obsługa bazy monitora chmurowego Opis przycisków sterowania 1 WŁĄCZENIE i WYŁĄCZENIE zasilania . Naciśnij przycisk zasilania, aby włączyć urządzenie. Przytrzymaj przycisk zasilania przez 6 sekund, aby urządzenie wyłączyć. Uwaga Kiedy baza monitora chm...
Strona 9 - Oprogramowanie bazy monitora chmurowego; Oprogramowanie bazy
7 3. Oprogramowanie bazy monitora chmurowego 3. Oprogramowanie bazy monitora chmurowego 3.1 Co to jest? Baza monitora chmurowego Philips to zerowy/cienki klient na potrzeby infrastruktury komputerów wirtualnych VDI (Virtual Desktop Infrastructure). Zaletami infrastruktury VDI jest większa elastyczno...
Strona 10 - Działanie przycisku zasilania; Obsługa bazy monitora chmurowego; Interfejs użytkownika bazy monitora chmurowego; Połączenia przed eksploatacją bazy monitora chmurowego
8 3. Oprogramowanie bazy monitora chmurowego 3.2 Działanie przycisku zasilania 1 Obsługa bazy monitora chmurowego 1. Naciśnij krótko przycisk zasilania, aby włączyć urządzenie. 2. Przytrzymaj przycisk zasilania przez 6 sekund, aby urządzenie wyłączyć. 3. Po doprowadzeniu zasilania prądem zmiennym di...
Strona 11 - Sieć nie jest gotowa
9 3. Oprogramowanie bazy monitora chmurowego 3 Okno Connect (Połącz) Okno Connect (Połącz) pojawia się podczas uruchamiania z wyjątkiem sytuacji, gdy konfiguracja klienta przewiduje uruchamianie zarządzane lub automatyczne odnawianie połączenia.Można zmienić logo wyświetlane powyżej przycisku Connec...
Strona 12 - Ta opcja pozwala diagnozować problemy z urządzeniem.
10 3. Oprogramowanie bazy monitora chmurowego • Diagnostics (Diagnostyka) Ta opcja pozwala diagnozować problemy z urządzeniem. • Information (Informacje) Ta opcja pozwala wyświetlić pewne informacje na temat urządzenia. • User Settings (Ustawienia użytkownika) Ta opcja pozwala definiować tryb sprawd...
Strona 13 - Uwaga
11 3. Oprogramowanie bazy monitora chmurowego • IP Address (Adres IP) Adres IP przypisany do urządzenia. Jeśli wyłączono funkcję DHCP, należy samodzielnie wpisać w tym polu poprawny adres IP. Jeśli funkcja DHCP jest aktywna, nie można modyfikować tego pola. • Subnet Mask (Maska podsieci) Maska podsi...
Strona 14 - Karta IPv6
12 3. Oprogramowanie bazy monitora chmurowego Karta IPv6 Strona IPv6 pozwala włączyć protokół IPv6 dla urządzeń PCoIP podłączonych do sieci IPv6. • Enable IPv6 (Włącz IPv6) Zaznacz to pole, aby włączyć protokół IPv6 dla urządzeń PCoIP. • Link Local Address (Podłącz adres lokalny) To pole jest wypełn...
Strona 15 - FQDN
13 3. Oprogramowanie bazy monitora chmurowego • FQDN W pełni kwalifikowana nazwa domeny dla hosta lub klienta. Jeśli opcja DHCPv6 jest włączona, to pole jest wypełniane automatycznie przez serwer DHCPv6. • Enable SLAAC (Włącz SLAAC) Włącz to pole, aby uaktywnić automatyczną bezstanową konfigurację a...
Strona 16 - PCoIP Device Name (Nazwa urządzenia PCoIP)
14 3. Oprogramowanie bazy monitora chmurowego Karta Label (Etykieta) Strona Label (Etykieta) jest dostępna z poziomu hosta lub klienta. Strona Label (Etykieta) pozwala wprowadzać dodatkowe informacje o urządzeniu.Parametry z grupy Etykieta portalu mogą być także konfigurowane przez interfejs adminis...
Strona 17 - SRV, ponieważ w większości instalacji nie jest to dopuszczalne.
15 3. Oprogramowanie bazy monitora chmurowego Karta Discovery (Wykrywanie) Ustawienia na stronie Discovery Configuration (Konfiguracja urządzenia) pozwalają usunąć listę wykrytych klientów i hostów w systemie PCoIP oraz drastycznie ograniczyć potrzebę prac konfiguracyjnych i konserwacyjnych. Ten mec...
Strona 18 - DNS Name or IP Address (Nazwa DNS lub Adres IP)
16 3. Oprogramowanie bazy monitora chmurowego Karta Session (Sesja) Strona Sesja pozwala określić, jak host lub klient ma się łączyć z urządzeniami równorzędnymi i przyjmować od nich połączenia.Parametry sesji można też konfigurować przez interfejs administracyjny. • Connection Type (Typ połączenia)...
Strona 19 - języka faktycznej sesji użytkownika.
17 3. Oprogramowanie bazy monitora chmurowego Karta Language (Język) Strona Language pozwala zmienić język interfejsu.To ustawienie dotyczy języka lokalnego menu ekranowego. Ustawienie jest dostępne tylko na kliencie. Parametry języka można też konfigurować przez interfejs administracyjny. • Languag...
Strona 20 - wynosi 9999 sekund. Ustawienie 0 sekund wyłącza wygaszacz ekranu.
18 3. Oprogramowanie bazy monitora chmurowego Karta OSD (Menu) Strona menu pozwala ustawić opóźnienie wygaszacza ekranu. Służy do tego parametr On Screen Display. • Screen-Saver Timeout (Opóźnienie wygaszacza ekranu) Skonfiguruj opóźnienie wygaszacza ekranu, czyli czas, po którym klient przełączy ek...
Strona 21 - Enable display override (Włącz ignorowanie danych EDID)
19 3. Oprogramowanie bazy monitora chmurowego • Enable display override (Włącz ignorowanie danych EDID) Ta opcja jest przeznaczona dla starszych systemów. Oznacza takie skonfigurowanie klienta, by wysyłał do hosta domyślne dane EDID, jeśli monitora nie udaje się wykryć lub nie jest podłączony do kli...
Strona 22 - oprogramowania sprzętowego ani logo menu.
20 3. Oprogramowanie bazy monitora chmurowego Karta Reset (Resetuj) Strona Resetuj parametry pozwala wyzerować konfigurację i uprawnienia do domyślnych wartości fabrycznych zapisanych w pamięci flash.Reset można też zainicjować przez interfejs administracyjny.Resetowanie parametrów do wartości fabry...
Strona 23 - ułatwiającymi usuwanie problemów.
21 3. Oprogramowanie bazy monitora chmurowego Okno Diagnostics (Diagnostyka) Menu diagnostyczne zawiera odsyłacze do stron z danymi na temat działania programu oraz z funkcjami ułatwiającymi usuwanie problemów. Karta Event Log (Rejestr zdarzeń) Karta Event Log (Rejestr zdarzeń) pozwala przeglądać i ...
Strona 24 - Session Statistics Tab (Karta Statystyka sesji)
22 3. Oprogramowanie bazy monitora chmurowego Session Statistics Tab (Karta Statystyka sesji) Strona Session Statistics (Statystyka sesji) pozwala przeglądać bieżącą statystykę, gdy sesja jest aktywna. Jeśli sesja nie jest aktywna, można przeglądać statystykę ostatniej sesji. Statystykę sesji można ...
Strona 25 - PCoIP Processor Tab (Karta Procesor PCoIP)
23 3. Oprogramowanie bazy monitora chmurowego PCoIP Processor Tab (Karta Procesor PCoIP) Strona Procesor PCoIP pozwala zresetować hosta lub klienta i przeglądać łączny czas ciągłej pracy klienckiego procesora PCoIP od ostatniego uruchomienia.Czas ciągłej pracy procesora PCoIP można też wyświetlać pr...
Strona 26 - Karta Ping
24 3. Oprogramowanie bazy monitora chmurowego Karta Ping Strona Ping pozwala wysłać komunikat ping do urządzenia, aby sprawdzić jego osiągalność w obrębie sieci IP. Na tej podstawie można ustalić, czy host jest osiągalny. W wyniku aktualizacji oprogramowania o numerze od 3.2.0 wzwyż, w której wymusz...
Strona 29 - Okno User Settings (Ustawienia użytkownika)
27 3. Oprogramowanie bazy monitora chmurowego Okno User Settings (Ustawienia użytkownika) Strona User Settings (Ustawienia użytkownika) pozwala przejść na stronę służącą do definiowania trybu sprawdzania certyfikatu, ustawień myszy i klawiatury, jakości obrazu protokołu PCoIP oraz topologii monitoró...
Strona 30 - Klient będzie mógł przyjmować wszystkie połączenia.
28 3. Oprogramowanie bazy monitora chmurowego • Warn if the connection may be insecure (Ostrzegaj, jeśli połączenie może nie być bezpieczne) Klient będzie wyświetlać komunikat ostrzegawczy w razie napotkania certyfikatu bez podpisu lub z przekroczoną datą ważności. Można też skonfigurować na klienci...
Strona 31 - oprogramowania hosta PCoIP.
29 3. Oprogramowanie bazy monitora chmurowego Karta Keyboard (Klawiatura) Na stronie Keyboard (Klawiatura) można zmienić ustawienia powtarzania naciskanych klawiszy w menu ekranowym.Ustawienia klawiatury nie wpływają na działanie klawiatury podczas aktywnej sesji PCoIP, chyba że używany jest sterown...
Strona 32 - Image Quality Preference (Preferencja jakości obrazu)
30 3. Oprogramowanie bazy monitora chmurowego Image (Obraz) Strona Obraz pozwala zmienić ustawienia jakości obrazu dla sesji PCoIP. Dotyczy to sesji między zerowymi klientami PCoIP a kartami hosta PCoIP zdalnej stacji roboczej.Aby skonfigurować ustawienia jakości obrazu dla pulpitu wirtualnego VMwar...
Strona 33 - używany jest program VMware View.
31 3. Oprogramowanie bazy monitora chmurowego Display Topology (Topologia monitorów) Strona Display Topology (Topologia monitorów) pozwala użytkownikom zmienić położenie, obrót i rozdzielczość ekranu na użytek sesji PCoIP. Aby móc zastosować funkcję topologii monitorów w sesji PCoIP między zerowym k...
Strona 35 - nie jest obsługiwany.
33 3. Oprogramowanie bazy monitora chmurowego • Enable right click on hold (Włącz kliknięcie prawym przyciskiem po przytrzymaniu) Zaznacz tę opcję, aby użytkownik mógł emulować efekt kliknięcia prawym przyciskiem myszy, przytrzymując palec na ekranie przez parę sekund. Jeśli opcja jest wyłączona, pr...
Strona 40 - Serwis i gwarancja; Serwis i gwarancja; Informacje kontaktowe dla regionu Europy Zachodniej:; Kraj
38 6. Serwis i gwarancja 6. Serwis i gwarancja 6.1 Serwis i gwarancja Szczegółowe informacje dotyczące zakresu działania gwarancji i dodatkowego wsparcia w danym regionie, można uzyskać na stronie sieci web, pod adresem www.philips.com/support. Kontaktować się można także pod podanym poniżej lokalny...
Strona 41 - Informacje kontaktowe dla EUROPY CENTRALNEJ I WSCHODNIEJ:
39 6. Serwis i gwarancja Informacje kontaktowe dla EUROPY CENTRALNEJ I WSCHODNIEJ: Kraj Centrum obsługi telefonicznej CSP Numer obsługi klienta Belarus NA IBA +375 17 217 3386 +375 17 217 3389 Bulgaria NA LAN Ser vice +359 2 960 2360 Croatia NA MR Ser vice Ltd +385 (01) 640 1111 Czech Rep. NA Asuppo...
Strona 43 - Rozwiązywanie problemów i FAQ; problemów i FAQ; Rozwiązywanie problemów; Typowe problemy; Widoczne znaki dymu lub iskrzenia
41 7. Rozwiązywanie problemów i FAQ 7. Rozwiązywanie problemów i FAQ 7.1 Rozwiązywanie problemów Na stronie tej omówiono problemy, które może naprawić użytkownik. Jeśli problem utrzymuje się po wypróbowaniu przedstawionych rozwiązań, należy skontaktować się z przedstawicielem działu obsługi klienta ...