Daikin EWAD-C-SL - Instrukcje

Klimatyzator Daikin EWAD-C-SL – Instrukcja obsługi w formacie PDF online.

Instrukcje:

1 Page 1
2 Page 2
3 Page 3
4 Page 4
5 Page 5
6 Page 6
7 Page 7
8 Page 8
9 Page 9
10 Page 10
11 Page 11
12 Page 12
13 Page 13
14 Page 14
15 Page 15
16 Page 16
17 Page 17

Podsumowanie

Strona 8 - ĘŚ; Odbiór jednostki; (Panel elektryczny mo

D-EIMAC00604-14EU - 123/196 ORYGINALNA INSTRUKCJA W J Ę ZYKU ANGIELSKIM Niniejsza instrukcja stanowi wa ż ny dokument pomocniczy dla wykwalifikowanego personelu. Tym niemniej jej zadaniem nie jest wyr ę czanie personelu w jego czynno ś ciach. Dzi ę kujemy za zakupienie naszego agregatu chłodniczego ...

Strona 9 - ęś; ść

D-EIMAC00604-14EU - 124/196 Rysunek 2 – Ograniczenia robocze Bezpiecze ń stwo Jednostka musi by ć solidnie przymocowana do podło ż a. Nale ż y przestrzega ć nast ę puj ą cych instrukcji: − Jednostka mo ż e by ć podnoszona wył ą cznie za uchwyty oznaczone na ż ółto i zamocowane do jej podstawy. − Zab...

Strona 11 - ąć

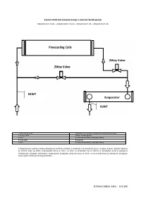
D-EIMAC00604-14EU - 126/196 Rysunek 4 – Wymagania dotycz ą ce przestrzeni minimalnej 8. Filtr lub urz ą dzenie, które mo ż e usun ąć cz ą steczki płynu z cieczy. Zastosowanie filtra przedłu ż a trwało ść parownika i pompy, ułatwiaj ą c utrzymanie jak najlepszego stanu systemu hydraulicznego. 9. Paro...

Other Daikin Klimatyzatory Manuals