Strona 2 - OBSŁUGA KLIENTA
SPIS TREŚCI 1. INFORMACJE DOTYCZĄCE BEZPIECZEŃSTWA..............................................3 2. WSKAZÓWKI DOTYCZĄCE BEZPIECZEŃSTWA...............................................4 3. OPIS URZĄDZENIA..............................................................................................6 4....
Strona 4 - WSKAZÓWKI DOTYCZĄCE BEZPIECZEŃSTWA
• Ciśnienie robocze wody w punkcie podłączenia powinno wynosić od 0,5 bara (0,05 MPa) do 8 barów (0,8 MPa). • Wykładzina podłogowa, dywan lub mata podłogowa nie mogą zasłaniać otworów wentylacyjnych w podstawie. • Urządzenie powinno być podłączone do sieci wodociągowej za pomocą dołączonego nowego z...
Strona 7 - Opis panelu sterowania
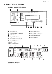
4. PANEL STEROWANIA 4.1 Opis panelu sterowania Plamy/ Wst ę pne Płukanie + Temp. Wirowanie Start/Pauza Opó ź niony Start Skrócenie Wełniane/ Jedwabne Bawełniane SyntetyczneŁatwe Prasowanie Delikatne Koc Antyalergiczne Wirowanie/ Odpompowanie Firany Jeans 20 Min. - 3 kg Auto Off Bardzo Ciche Płukanie...
Strona 13 - PARAMETRY EKSPLOATACYJNE
Program Plamy/ Wstęp‐ ne 1) Płuka‐ nie + 2) Skróce‐ nie 3) Opó‐ źniony Start Wełniane/Jedwabne ■ ■ ■ Koc ■ ■ Antyalergiczne ■ ■ ■ ■ ■ Wirowanie/Odpompowa‐nie 5) ■ ■ ■ Płukanie ■ ■ ■ ■ Firany ■ ■ ■ ■ Jeans ■ ■ ■ 4) ■ 6) ■ Szybki Intensywny ■ ■ ■ 20 Min.- 3 Kg ■ ■ Super Eco ■ ■ ■ ■ Bawełniane Eco ■ ■ ...
Strona 16 - PRZED PIERWSZYM UŻYCIEM; CODZIENNA EKSPLOATACJA; Włączanie urządzenia
8. USTAWIENIA 8.1 Sygnały dźwiękowe Urządzenie emituje sygnały dźwiękowe:• Po włączeniu urządzenia. • Po wyłączeniu urządzenia. • Po naciśnięciu przycisku. • Po zakończeniu programu. • Gdy urządzenie działa nieprawidłowo. Aby wyłączyć/włączyć sygnały dźwiękowe, należy nacisnąć jednocześnie i przytrz...
Strona 17 - Wkładanie prania; Stosowanie detergentów
10.2 Wkładanie prania 1. Otworzyć drzwi urządzenia 2. Strzepnąć rzeczy przed włożeniem ich do urządzenia. 3. Włożyć pranie do bębna (należy robić to pojedynczo). Nie należy wkładać za dużo prania do bębna. 4. Dokładnie zamknąć drzwi. Pranie odzieży mocno zaplamionej olejem lub smarem może spowodować...
Strona 20 - po zakończeniu cyklu; AUTOMATYCZNE; WSKAZÓWKI I PORADY; Wkładanie prania
10.14 Odpompowanie wody po zakończeniu cyklu Program prania zakończył się, ale w bębnie pozostaje woda:Bęben obraca się regularnie, aby nie dopuścić do powstania zagnieceń na praniu. Świeci się wskaźnik blokady drzwi . Drzwi pozostają zablokowane.Należy odpompować wodę, aby móc otworzyć drzwi.1. W r...
Strona 21 - KONSERWACJA I CZYSZCZENIE; Czyszczenie obudowy
• Należy zachować ostrożność przy praniu zasłon. Odczepić żabki/haczyki i umieścić zasłony w worku do prania lub poszewce od poduszki. • Nie prać rozdartych tkanin lub tkanin o nieobszytych brzegach. Małe i/lub delikatne rzeczy (np. biustonosze z fiszbinami, paski, rajstopy itp.) należy prać w worku...
Strona 22 - Czyszczenie dozownika detergentu
Dokładnie osuszyć wszystkie powierzchnie. UWAGA! Nie stosować alkoholu, rozpuszczalników ani produktów chemicznych. 12.2 Odkamienianie Jeśli woda na danym obszarze jest twarda lub umiarkowanie twarda, zaleca się stosowanie środka do zmiękczania wody przeznaczonego do pralek.Należy regularnie sprawdz...
Strona 23 - Czyszczenie filtra odpływowego
3. 4. 12.7 Czyszczenie filtra odpływowego Nie czyścić filtra odpływowego, jeśli woda w urządzeniu jest gorąca. Należy regularnie sprawdzać filtr pompy opróżniającej i pilnować, aby był czysty. Powtarzać czynności opisane w punktach 2 i 3, aż woda przestanie wypływać. 1. 2. 180° 3. 2 1 4. 1 2 POLSKI ...
Strona 25 - ROZWIĄZYWANIE PROBLEMÓW
3. 4. 45° 20° 12.9 Awaryjne spuszczanie wody W razie awarii urządzenie nie odpompowuje wody.Należy wtedy przeprowadzić czynności od (1) do (8) z punktu „Czyszczenie filtra odpływowego”. W razie potrzeby wyczyścić pompę.Po spuszczeniu wody przy użyciu procedury awaryjnej należy ponownie uruchomić ukł...
Strona 29 - OCHRONA ŚRODOWISKA
Prędkość wirowania Maks. 1400 obr./min 1) Podłączyć wąż doprowadzający wodę do zaworu z gwintem 3/4'' . 15. OCHRONA ŚRODOWISKA Materiały oznaczone symbolem należy poddać utylizacji. Opakowanie urządzenia włożyć do odpowiedniego pojemnika w celu przeprowadzenia recyklingu. Należy zadbać o ponowne prz...