Strona 5 - Внимание! Обеспечение вентиляции
                                                                                                                        G-4 Внимание! Обеспечение вентиляции Во избежание поражения электрическим током и возгорания, а также для предотвращения возможных повреждений, устанавливайте устройство следующим образом: 1. Спереди: Следует избегать препятствий и обеспечить открытое пространство вокруг устройства. 2. По бокам/свер...
                                                                                                             
                                                                                            
                                    Strona 9 - Wst; Ostrze; ęś
                                                                                                                        1 Pol s ki Wst ę p Dzi ę kujemy za zakup produktu JVC. Przed rozpocz ę ciem u ż ytkowania urz ą dzenia prosimy o uwa ż ne zapoznanie si ę z niniejsz ą instrukcj ą obs ł ugi, co umo ż liwi optymalne wykorzystanie mo ż liwo ś ci urz ą dzenia. Ostrze ż enia Instalacja • Zainstaluj urz ą dzenie w miejsc...
                                                                                                             
                                                                                            
                                    Strona 10 - Spis tre
                                                                                                                        2 Pol s ki Spis tre ś ci Informacje podstawowe .................................... 3 Krok 1 : Rozpakowanie ....................................................... 3 Krok 2 : Przygotowywanie pilota zdalnego sterowania ..... 3 Krok 3 : Pod łą czenia.......................................................
                                                                                                             
                                                                                            
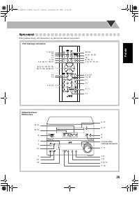
                                    Strona 11 - Informacje podstawowe; Krok; Krok
                                                                                                                        3 Pol s ki Informacje podstawowe Krok 1 : Rozpakowanie Po rozpakowaniu nale ż y upewni ć si ę , czy opakowanie zawiera wszystkie elementy. Liczba w nawiasie oznacza liczb ę sztuk do łą czonych do zestawu cz ęś ci. • Antena FM (1)• Pilot zdalnego sterowania (1) (Okr ą g ł a bateria litowa CR2025 zost...
                                                                                                             
                                                                                            
                                    Strona 14 - Przed rozpocz
                                                                                                                        6 Pol s ki Przed rozpocz ę ciem obs ł ugi systemu Podczas obs ł ugi systemu bardzo pomocne s ą informacje podawane na wy ś wietlaczu. Przed rozpocz ę ciem obs ł ugi urz ą dzenia, nale ż y zapozna ć si ę okoliczno ś ciami i sposobem zapalania si ę kontrolek na wy ś wietlaczu. 1 Wska ź nik PROGRAM • Z...
                                                                                                             
                                                                                            
                                    Strona 15 - Codzienne operacje; —Odtwarzanie; Wy
                                                                                                                        7 Pol s ki Codzienne operacje —Odtwarzanie 1 W łą cz zasilanie. Wska ź nik STANDBY na wzmacniaczu zostanie wy łą czony. • Urz ą dzenie w łą cza si ę równie ż po naci ś ni ę ciu jednego z przycisków wyboru ź ród ł a. • Je ś li naci ś niesz 0 na jednostce g ł ównej, gdy urz ą dzenie jest w trybie goto...
                                                                                                             
                                                                                            
                                    Strona 16 - Wybór FM
                                                                                                                        8 Pol s ki S ł uchanie radia Wybór FM Dok ł adne dostrajanie stacji Gdy wybrano FM... Rozpocznie si ę wyszukiwanie stacji, a na wy ś wietlaczu zacznie si ę zmienia ć cz ę stotliwo ść w sposób ci ą g ł y. Gdy znaleziona zostanie stacja (cz ę stotliwo ść ) o wystarczaj ą co mocnym sygnale, wyszukiwani...
                                                                                                             
                                                                                            
                                    Strona 17 - Audio CD; WA; Aby rozpocz
                                                                                                                        9 Pol s ki Obs ł ugiwane formaty no ś ników i plików Urz ą dzenie mo ż e odtwarza ć nast ę puj ą ce rodzaje p ł yt/plików. • Audio CD• Pliki MP3/WMA na p ł ytach CD-R, CD-RW lub urz ą dzeniach pami ę ci masowej USB • Urz ą dzenie mo ż e nie odtwarza ć niektórych plików, mimo, ż e zosta ł y wymienion...
                                                                                                             
                                                                                            
                                    Strona 18 - Aby wybra; Odtwarzanie d
                                                                                                                        10 Pol s ki Odtwarzanie p ł yt/plików Aby wybra ć ś cie ż k ę /grup ę Wybór utworu: Aby wybra ć grup ę (tylko dla p ł yty MP3/WMA): Odnajdywanie danej pozycji Podczas odtwarzania ś cie ż ki naci ś nij i przytrzymaj a ż do osi ą gni ę cia wybranego miejsca. Bezpo ś rednie wyszukiwanie ś cie ż ki i ro...
                                                                                                             
                                                                                            
                                    Strona 19 - wi; Regulacja g
                                                                                                                        11 Pol s ki Codzienne operacje —D ź wi ę k i inne regulacje Regulacja g ł o ś no ś ci Poziom g ł o ś no ś ci mo ż na ustawi ć od 0 („VOL MIN”) do 31 („VOL MAX”). Chwilowe wyciszenie Regulacja d ź wi ę ku Aby wzmocni ć d ź wi ę k basów—HBS Mo ż esz cieszy ć si ę pot ęż nym d ź wi ę kiem basów dzi ę k...
                                                                                                             
                                                                                            
                                    Strona 21 - Zaawansowane operacje radiowe; stotliwo
                                                                                                                        13 Pol s ki Zaawansowane operacje radiowe Odbiór stacji FM z radiowym systemem informacyjnym Radiowy system informacyjny umo ż liwia stacjom FM wysy ł anie dodatkowych sygna ł ów wraz z podstawowym sygna ł em programu. Urz ą dzenie umo ż liwia odbiór nast ę puj ą cych typów sygna ł ów radiowego syst...
                                                                                                             
                                                                                            
                                    Strona 22 - Zasada dzia; PRZYPADEK 2
                                                                                                                        14 Pol s ki 3 Rozpocznij wyszukiwanie. System przeszuka 20 zapisanych stacji FM, zatrzyma si ę na wybranej i dostroi si ę do niej. • Je ś li ż aden program nie zostanie znaleziony, na wy ś wietlaczu pojawi si ę tekst „NO FOUND”. • Aby zatrzyma ć wyszukiwanie, nacisn ąć PTY SEARCH (WYSZUKIWANIE TYPU ...
                                                                                                             
                                                                                            
                                    Strona 23 - Zaawansowana obs; Programowanie kolejno
                                                                                                                        15 Pol s ki Zaawansowana obs ł uga p ł yt/urz ą dze ń pami ę ci masowej USB Programowanie kolejno ś ci odtwarzania— Odtwarzanie zaprogramowane Mo ż na ustawi ć kolejno ść odtwarzania utworów (maks. 32) przed rozpocz ę ciem odtwarzania. 1 Wybra ć ź ród ł o, a nast ę pnie wstrzyma ć odtwarzanie. 2 Prz...
                                                                                                             
                                                                                            
                                    Strona 24 - Sprawdzenie zaprogramowanego stanu
                                                                                                                        16 Pol s ki (2) Wybierz utwór . 4 Potwierd ź wybór. Wy ś wietlony zostanie kolejny etap programu. 5 Powtórz kroki 3 i 4 , aby zaprogramowa ć pozosta ł e ś cie ż ki. 6 Rozpocznij odtwarzanie. Wybrane utwory zostan ą odtworzone w zaprogramowanej kolejno ś ci. • W trakcie odtwarzania zaprogramowanego n...
                                                                                                             
                                                                                            
                                    Strona 25 - Wyj; Aby anulowaæ zabezpieczenie,
                                                                                                                        17 Pol s ki Odtwarzanie w kolejno ś ci losowej— Odtwarzanie losowe Wszystkie utwory mo ż na odtwarza ć w kolejno ś ci losowej. 1 Wybra ć ź ród ł o, a nast ę pnie wstrzyma ć odtwarzanie. 2 W łą czy ć odtwarzanie losowe. Dla p ł yty Audio CD: Pliki MP3/WMA: Odtwarzanie rozpocznie si ę w kolejno ś ci l...
                                                                                                             
                                                                                            
                                    Strona 26 - Operacje nagrywania
                                                                                                                        18 Pol s ki Operacje nagrywania Przed rozpocz ę ciem nagrywania • G ł o ś no ść nie wp ł ywa na poziom nagrywania. • Funkcja odtwarzania losowego oraz tryb powtarzania nie s ą dost ę pne podczas trybu nagrywania. • Utwory nagrane na urz ą dzeniu pami ę ci masowej USB s ą konwertowane do formatu MP3 ...
                                                                                                             
                                                                                            
                                    Strona 27 - Usuwanie utworu
                                                                                                                        19 Pol s ki Nagrywanie z dysku CD na urz ą dzenie pami ę ci masowej USB Mo ż na nagrywa ć utwory w formie cyfrowej z p ł yty CD na urz ą dzenie pami ę ci masowej USB. • Nie nale ż y wprowadza ć urz ą dzenia w wibracje w czasie nagrywania utworów. 1 Pod łą cz urz ą dzenie pami ę ci masowej USB z mo ż...
                                                                                                             
                                                                                            
                                    Strona 28 - Obs; Ustawianie budzika
                                                                                                                        20 Pol s ki Obs ł uga minutnika Ustawianie budzika Budzik umo ż liwia budzenie muzyk ą itp. • Przed nastawieniem budzika nale ż y nastawi ć zegar. (Patrz strona 12.) • Czynno ść t ę nale ż y wykona ć zanim wskazanie na wy ś wietlaczu przestanie miga ć . • Aby w razie potrzeby zako ń czy ć ustawianie...
                                                                                                             
                                                                                            
                                    Strona 29 - Aby wy; Jak dzia
                                                                                                                        21 Pol s ki 4 Wybierz ź ród ł o d ź wi ę ku. (1) Przej ść do ustawie ń ź ród ł a odtwarzania. (2) Wybierz ź ród ł o d ź wi ę ku: „CD” , „USB” lub „FM”. Po wybraniu „FM”• Wcisn ąć 4 / x , aby zaprogramowa ć numer, a nast ę pnie wci ś n ąć TIMER. 5 Aktywuj budzik. Wska ź nik (Budzik) na wy ś wietlaczu...
                                                                                                             
                                                                                            
                                    Strona 30 - Informacje dodatkowe; Dodatkowe informacje dotycz; Codzienne operacje—Odtwarzanie
                                                                                                                        22 Pol s ki Informacje dodatkowe Dodatkowe informacje dotycz ą ce urz ą dzenia Codzienne operacje—Odtwarzanie (patrz strony 7 do 10) S ł uchanie radia: • Je ś li nowa stacja zosta ł a zapisana pod zaj ę tym przez inn ą numerem, stacja zaprogramowana wcze ś niej zostanie usuni ę ta. • Po od łą czeniu...
                                                                                                             
                                                                                            
                                    Strona 33 - Sekcja tunera; Ogólne
                                                                                                                        25 Pol s ki Dane techniczne Wzmacniacz (AX-UXTB30) Moc wyj ś ciowa: 20 W na kana ł , min. RMS, do 6 Ω przy 1 kHz z nie wi ę cej ni ż 10% ca ł kowitych zniekszta ł ce ń harmonicznych. (IEC268-3) G ł o ś niki/Impedancja: 6 Ω – 8 Ω Odtwarzacz/tuner (XT-UXTB30) Sekcja tunera Zakres strojenia FM: 87,50 M...